+7 (701) 588 50 05 Телефон для связи
RU

WhatsApp

Позвонить

ГИДРОСТАТИЧЕСКИЙ ДВИГАТЕЛЬ (МОДЕЛЬ 137-1001-002) — Продажа в Казахстане Цены от официального дилера с доставкой в Алматы, Астану и регионы

Техника доступна в:
Полный спектр услуг:
Для Вашего удобства:
Характеристики и описание
Габариты, схема
Техническая документация
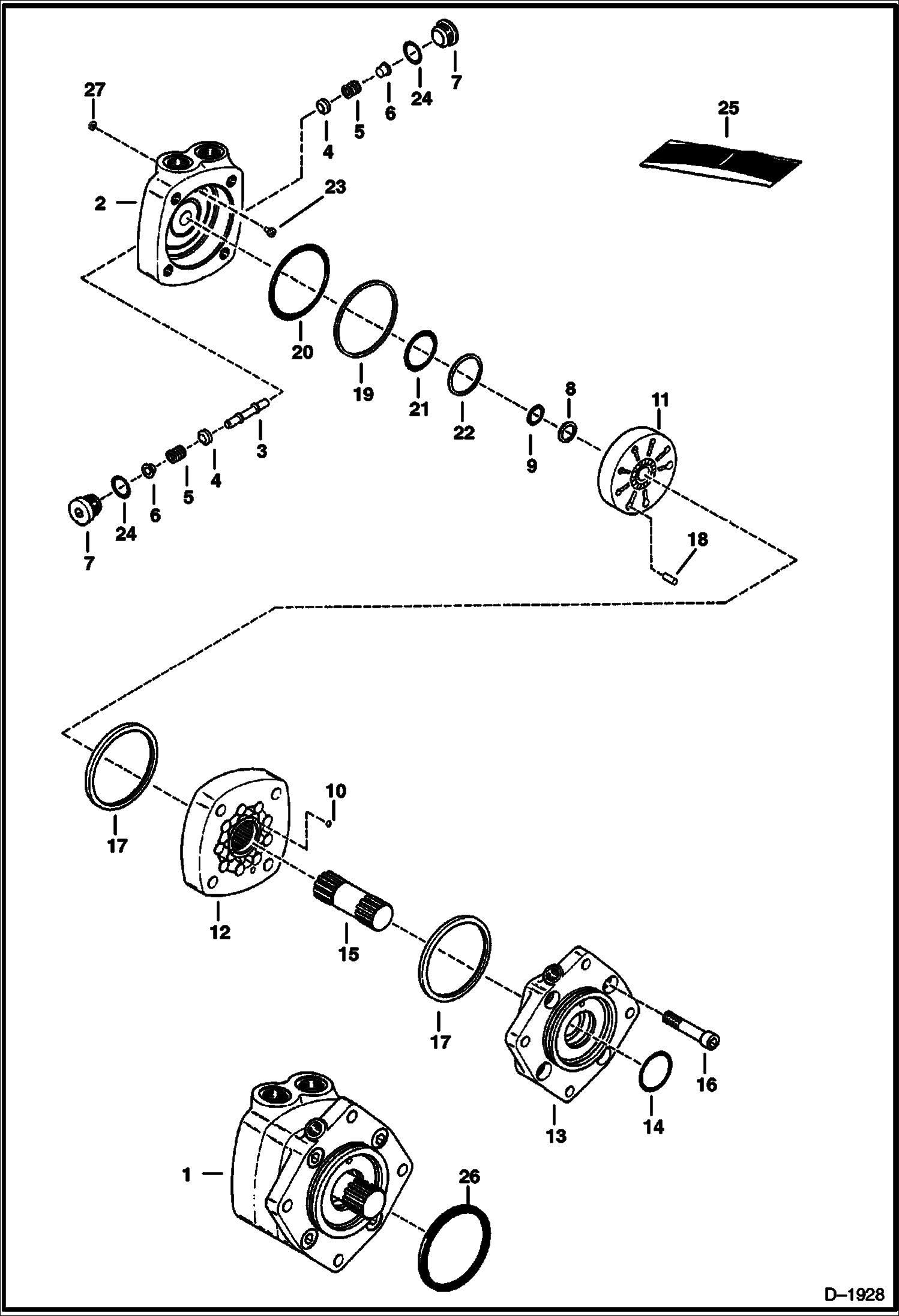
1 Артикул: MOTOR, MOTOR See BTI340 NLA - Ref. 2 - 24 - Was 6657024 - A
2 Артикул: 6659475, END CAP W/Ref. 27
3 Артикул: 6513510, PISTON
4 Артикул: 6513532, POPPET
5 Артикул: 6513533, SPRING
6 Артикул: 6561218, SHUTTLE
7 Артикул: 6632271, PLUG W/Ref. 24
8 Артикул: 6659476, BACK-UP RING
9 Артикул: 6659477, O-RING
10 Артикул: 6651542, BALL, STEEL
11 Артикул: PLATE, PLATE NLA - valve - Was 6659479 - A
12 Артикул: 6651544, GEROLER
13 Артикул: FLANGE, FLANGE NLA - Was 6659480 - A
14 Артикул: 25K30202, O RING 10
15 Артикул: SHAFT, SHAFT NLA - Was 6659481 - A
16 Артикул: BOLT, BOLT NLA - Was 6651548 - A
17 Артикул: 6651549, SEAL
18 Артикул: 6659482, DOWEL PIN
19 Артикул: 6659483, BACK-UP RING
20 Артикул: 6651552, O-RING
21 Артикул: 6659484, O-RING
22 Артикул: 6659485, BACK-UP RING
23 Артикул: 6659478, DISC pressure
24 Артикул: 79K6, O RING 10
25 Артикул: 6659601, KIT, SEAL Ref. 8, 9, 14, 17, 19-22 & 24 - Was 6658760 - D
26 Артикул: 58K243, O RING 10 See Illustration DRIVE TRAIN/ B17477
27 Артикул: PLUG, PLUG NLA - requires special tool to install - Was 6667880 - D

ГИДРОСТАТИЧЕСКИЙ ДВИГАТЕЛЬ (МОДЕЛЬ 137-1001-002): Техника, которая работает на результат

ГИДРОСТАТИЧЕСКИЙ ДВИГАТЕЛЬ (МОДЕЛЬ 137-1001-002) на Bobcat 700s Bobcat 753 508611001 - 508629999

Габаритные размеры

Габаритные размеры и схема ГИДРОСТАТИЧЕСКИЙ ДВИГАТЕЛЬ (МОДЕЛЬ 137-1001-002)

Нажмите на схему для увеличения

Документация

Документация временно недоступна.

Похожая техника в категории: ГИДРОСТАТИЧЕСКАЯ СИСТЕМА (Bobcat)

Спецтехника ФИЛЬТР ГИДРОСТАТИЧЕСКОГО МАСЛА (В СОСТАВЕ ЛИНИИ)

ФИЛЬТР ГИДРОСТАТИЧЕСКОГО МАСЛА (В СОСТАВЕ ЛИНИИ)

1Артикул: 666102...
2Артикул: HOUSIN...
3Артикул: SPRING...
Подробнее >
Спецтехника ФИЛЬТР ГИДРОСТАТИЧЕСКОГО МАСЛА

ФИЛЬТР ГИДРОСТАТИЧЕСКОГО МАСЛА

1Артикул: 666124...
2Артикул: 666026...
3Артикул: 659936...
Подробнее >
Спецтехника СХЕМА ГИДРОСТАТИЧЕСКОЙ СИСТЕМЫ (СЕРИЙНЫЙ НОМЕР 5086 19226 И НИЖЕ)

СХЕМА ГИДРОСТАТИЧЕСКОЙ СИСТЕМЫ (СЕРИЙНЫЙ НОМЕР 5086 19226 И НИЖЕ)

1Артикул: 665422...
2Артикул: 670091...
3Артикул: VALVE,...
Подробнее >
Спецтехника ГИДРОСТАТИЧЕСКИЙ ДВИГАТЕЛЬ (МОДЕЛЬ 137-1001-001)

ГИДРОСТАТИЧЕСКИЙ ДВИГАТЕЛЬ (МОДЕЛЬ 137-1001-001)

1Артикул: MOTOR,...
2Артикул: END, E...
3Артикул: 651351...
Подробнее >
Спецтехника ШЕСТЕРЕННЫЙ НАСОС (МОДЕЛИ B5501-30574, B5501-34727 И B5501-36006) (ДЛЯ ГИДРОНАСОСА МОДЕЛИ M91-35916, 4355047, 4355065, 4355049 ИЛИ 4355066)

ШЕСТЕРЕННЫЙ НАСОС (МОДЕЛИ B5501-30574, B5501-34727 И B5501-36006) (ДЛЯ ГИДРОНАСОСА МОДЕЛИ M91-35916, 4355047, 4355065, 4355049 ИЛИ 4355066)

1Артикул: PUMP, ...
2Артикул: PUMP, ...
3Артикул: 666938...
Подробнее >
Спецтехника ГИДРОСТАТИЧЕСКИЙ НАСОС (4355049, 4355066, 4355047 И 4355065)

ГИДРОСТАТИЧЕСКИЙ НАСОС (4355049, 4355066, 4355047 И 4355065)

1Артикул: PUMP, ...
2Артикул: PUMP,,...
3Артикул: PUMP, ...
Подробнее >
Спецтехника ОРГАНЫ РУЧНОГО УПРАВЛЕНИЯ

ОРГАНЫ РУЧНОГО УПРАВЛЕНИЯ

1Артикул: 657699...
2Артикул: 670254...
3Артикул: BELLCR...
Подробнее >
Спецтехника СХЕМА ГИДРОСТАТИЧЕСКОЙ СИСТЕМЫ (СЕРИЙНЫЙ НОМЕР 5086 19227 И ВЫШЕ)

СХЕМА ГИДРОСТАТИЧЕСКОЙ СИСТЕМЫ (СЕРИЙНЫЙ НОМЕР 5086 19227 И ВЫШЕ)

1Артикул: 666123...
2Артикул: 670301...
3Артикул: VALVE,...
Подробнее >
Спецтехника ГИДРОСТАТИЧЕСКИЙ ДВИГАТЕЛЬ

ГИДРОСТАТИЧЕСКИЙ ДВИГАТЕЛЬ

1Артикул: 668160...
2Артикул: 668969...
3Артикул: 666807...
Подробнее >
Спецтехника ГИДРОСТАТИЧЕСКИЙ НАСОС (МОДЕЛИ M91-35906, 35908, 35910, 35911 И 35916)

ГИДРОСТАТИЧЕСКИЙ НАСОС (МОДЕЛИ M91-35906, 35908, 35910, 35911 И 35916)

1Артикул: PUMP, ...
2Артикул: PUMP, ...
3Артикул: PUMP, ...
Подробнее >
Спецтехника ГИДРОСТАТИЧЕСКИЙ НАСОС

ГИДРОСТАТИЧЕСКИЙ НАСОС

1Артикул: PUMP, ...
2Артикул: PUMP,,...
3Артикул: PUMP, ...
Подробнее >