+7 (701) 588 50 05 Телефон для связи
RU

WhatsApp

Позвонить

ГИДРОУСТАНОВКА МОНОБЛОК ОГРАНИЧЕНИЯ СТРЕЛЫ ПО ВЫСОТЕ - СТРЕЛА - ПРЕДЫДУЩАЯ ВЕРСИЯ — Продажа в Казахстане Цены от официального дилера с доставкой в Алматы, Астану и регионы

Техника доступна в:
Полный спектр услуг:
Для Вашего удобства:
Характеристики и описание
Габариты, схема
Техническая документация
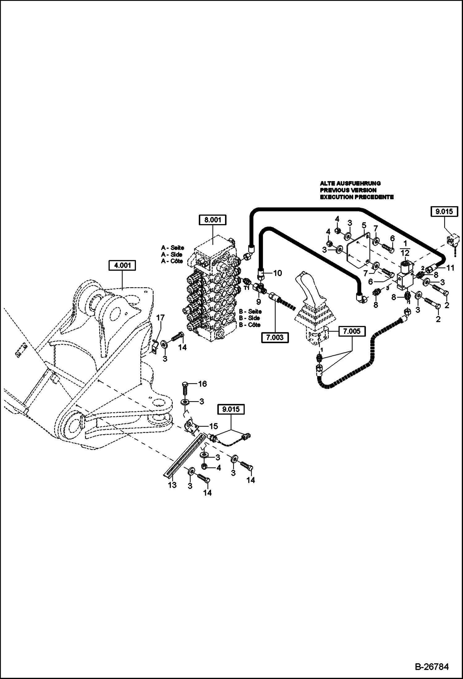
1 Артикул: 5320001001, CONTROL VALVE W/Ref. 12
2 Артикул: 1007707514, BOLT
3 Артикул: 1343707055, WASHER
4 Артикул: 1212251009, NUT
5 Артикул: 6190241017, MOUNTING PLATE
6 Артикул: 1008707018, BOLT
7 Артикул: 1343707057, WASHER
8 Артикул: 1915060255, FITTING
9 Артикул: 1919060351, FITTING
10 Артикул: 4256033371, HOSE, HYD Was 4506033351 - A
11 Артикул: 4506115351, HOSE ASSEMBLY CPL.
12 Артикул: 5320001002, SOLENOID CARTRIDGE
13 Артикул: 6190241015, BRACKET
14 Артикул: 1008707612, BOLT
15 Артикул: 6190241016, ANGLE
16 Артикул: 1008707213, BOLT
17 Артикул: 1901003709, PIPE CLIP

ГИДРОУСТАНОВКА МОНОБЛОК ОГРАНИЧЕНИЯ СТРЕЛЫ ПО ВЫСОТЕ - СТРЕЛА - ПРЕДЫДУЩАЯ ВЕРСИЯ: Техника, которая работает на результат

ГИДРОУСТАНОВКА МОНОБЛОК ОГРАНИЧЕНИЯ СТРЕЛЫ ПО ВЫСОТЕ - СТРЕЛА - ПРЕДЫДУЩАЯ ВЕРСИЯ на мини-экскаватор Bobcat 442 528611001 - 528611476, 528911001 - 528911484

Габаритные размеры

Габаритные размеры и схема ГИДРОУСТАНОВКА МОНОБЛОК ОГРАНИЧЕНИЯ СТРЕЛЫ ПО ВЫСОТЕ - СТРЕЛА - ПРЕДЫДУЩАЯ ВЕРСИЯ

Нажмите на схему для увеличения

Документация

Документация временно недоступна.

Похожая техника в категории: ГИДРАВЛИЧЕСКАЯ СИСТЕМА (Bobcat)

Спецтехника ГИДРОУСТАНОВКА ОБОРУДОВАНИЕ ДЛЯ ПОВОРОТА

ГИДРОУСТАНОВКА ОБОРУДОВАНИЕ ДЛЯ ПОВОРОТА

1Артикул: 191506...
2Артикул: 412004...
3Артикул: 191506...
Подробнее >
Спецтехника ГИДРОУСТАНОВКА КЛАПАН УДЕРЖАНИЯ НАГРУЗКИ РУКОЯТИ ЧЕРПАКА - ОДИНОЧНЫЙ

ГИДРОУСТАНОВКА КЛАПАН УДЕРЖАНИЯ НАГРУЗКИ РУКОЯТИ ЧЕРПАКА - ОДИНОЧНЫЙ

1Артикул: 565309...
2Артикул: 566009...
3Артикул: 011001...
Подробнее >
Спецтехника КЛАПАНЫ

КЛАПАНЫ

1Артикул: 536465...
2Артикул: 536466...
3Артикул: 536466...
Подробнее >
Спецтехника ГИДРОЦИЛИНДР ШАРНИРНОЕ СОЕДИНЕНИЕ

ГИДРОЦИЛИНДР ШАРНИРНОЕ СОЕДИНЕНИЕ

1Артикул: 650108...
2Артикул: 650108...
3Артикул: 195000...
Подробнее >
Спецтехника ПОВОРОТНЫЙ МЕХАНИЗМ

ПОВОРОТНЫЙ МЕХАНИЗМ

1Артикул: 590467...
2Артикул: 590465...
3Артикул: 590465...
Подробнее >
Спецтехника ХОДОВОЙ ПРИВОД

ХОДОВОЙ ПРИВОД

1Артикул: 545966...
2Артикул: 545966...
3Артикул: 545966...
Подробнее >
Спецтехника ГИДРОЦИЛИНДР КРОНШТЕЙН ОТВАЛА ESA

ГИДРОЦИЛИНДР КРОНШТЕЙН ОТВАЛА ESA

1Артикул: 650092...
2Артикул: 650092...
3Артикул: 195000...
Подробнее >
Спецтехника КЛАПАН С СЕРВОПРИВОДОМ ДЖОЙСТИК

КЛАПАН С СЕРВОПРИВОДОМ ДЖОЙСТИК

1Артикул: 560665...
2Артикул: 560665...
3Артикул: 560666...
Подробнее >
Спецтехника ГИДРОУСТАНОВКА СЕРВОУПРАВЛЕНИЕ - ХОД - ДОПОЛНИТЕЛЬНЫЙ ВЫХОДНОЙ ПАТРУБОК 5289 11380 И ВЫШЕ

ГИДРОУСТАНОВКА СЕРВОУПРАВЛЕНИЕ - ХОД - ДОПОЛНИТЕЛЬНЫЙ ВЫХОДНОЙ ПАТРУБОК 5289 11380 И ВЫШЕ

1Артикул: 560665...
2Артикул: 100870...
3Артикул: 129070...
Подробнее >
Спецтехника ГИДРОУСТАНОВКА РУКОЯТЬ ЧЕРПАКА, ОДИНОЧНЫЙ 2000 ММ

ГИДРОУСТАНОВКА РУКОЯТЬ ЧЕРПАКА, ОДИНОЧНЫЙ 2000 ММ

1Артикул: 426612...
2Артикул: 446612...
3Артикул: 500120...
Подробнее >
Спецтехника ГИДРОУСТАНОВКА МОНОБЛОК ОГРАНИЧЕНИЯ СТРЕЛЫ ПО ВЫСОТЕ - СТРЕЛА - НОВАЯ ВЕРСИЯ

ГИДРОУСТАНОВКА МОНОБЛОК ОГРАНИЧЕНИЯ СТРЕЛЫ ПО ВЫСОТЕ - СТРЕЛА - НОВАЯ ВЕРСИЯ

1Артикул: 532000...
2Артикул: 100770...
3Артикул: 134370...
Подробнее >
Спецтехника ГИДРОУСТАНОВКА 2 ЧАСТЬ СТРЕЛЫ С КРУГОВОЙ СХЕМОЙ

ГИДРОУСТАНОВКА 2 ЧАСТЬ СТРЕЛЫ С КРУГОВОЙ СХЕМОЙ

1Артикул: 446208...
2Артикул: 191506...
3Артикул: 192106...
Подробнее >