+7 (701) 588 50 05 Телефон для связи
RU

WhatsApp

Позвонить

ГЛУШИТЕЛЬ И МЕХАНИЗМ ОТБОРА МОЩНОСТИ — Продажа в Казахстане Цены от официального дилера с доставкой в Алматы, Астану и регионы

Техника доступна в:
Полный спектр услуг:
Для Вашего удобства:
Характеристики и описание
Габариты, схема
Техническая документация
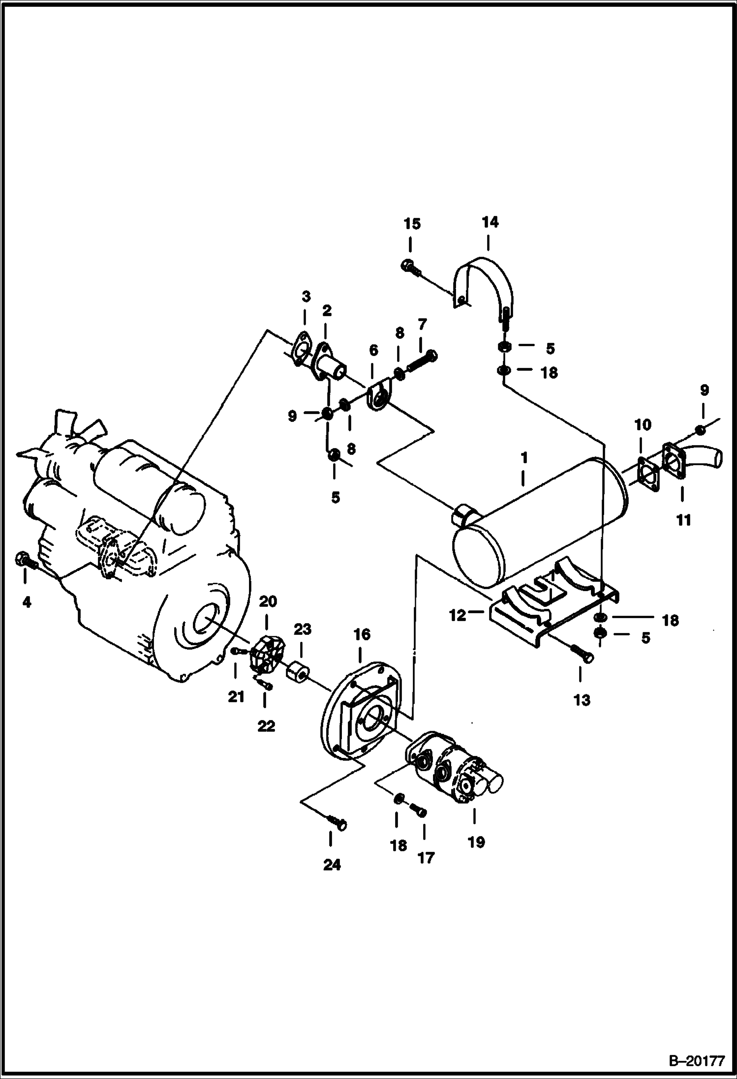
1 Артикул: 6653955, MUFFLER Non Spark Arrestor
2 Артикул: 6664005, PURIFIER Exhaust
3 Артикул: 6655405, PIPE Flange
4 Артикул: 3974507, GASKET See Illustration UPPER GASKET KIT/ C3221 - Included W/upper gasket kit
5 Артикул: 1CM1030, BOLT
6 Артикул: 1DM10, NUT
7 Артикул: 6651933, CLAMP
8 Артикул: 6651934, BOLT
9 Артикул: 15EM80, WASHER
10 Артикул: 1DM8, NUT
11 Артикул: 6727753, GASKET See Illustration LOWER GASKET KIT/ C3220 Included W/upper gasket kit - Was 6653956 - A
12 Артикул: 6588635, PIPE Exhaust
13 Артикул: 6535658, BRACKET Muffler
14 Артикул: 5CM1030, BOLT
15 Артикул: 6537535, CLAMP
16 Артикул: 1CM1020, BOLT
17 Артикул: 6535661, MOUNT Pump
18 Артикул: 3GM1025, BOLT
19 Артикул: 17EM100, WASHER
20 Артикул: PUMP, PUMP See Illustration TRIPLE GEAR PUMP/ B20174 See Illustration GEAR PUMP/ B18150
21 Артикул: 6660771, COUPLING Pump - W/Ref. 21 & 22
22 Артикул: 6537441, BOLT
23 Артикул: BOLT, BOLT NLA - Was 6537500 - A
24 Артикул: 6537440, COUPLING
25 Артикул: 5CM1020, SCREW

ГЛУШИТЕЛЬ И МЕХАНИЗМ ОТБОРА МОЩНОСТИ: Техника, которая работает на результат

ГЛУШИТЕЛЬ И МЕХАНИЗМ ОТБОРА МОЩНОСТИ на мини-экскаватор Bobcat 325 511820001 И ВЫШЕ

Габаритные размеры

Габаритные размеры и схема ГЛУШИТЕЛЬ И МЕХАНИЗМ ОТБОРА МОЩНОСТИ

Нажмите на схему для увеличения

Документация

Документация временно недоступна.

Похожая техника в категории: ЗАПЧАСТИ ДВИГАТЕЛЯ (Bobcat)

Спецтехника ГОЛОВКА БЛОКА ЦИЛИНДРОВ

ГОЛОВКА БЛОКА ЦИЛИНДРОВ

1Артикул: HEAD, ...
2Артикул: 666096...
3Артикул: 666096...
Подробнее >
Спецтехника ВЕНТИЛЯТОР И ГЕНЕРАТОР ПЕРЕМЕННОГО ТОКА

ВЕНТИЛЯТОР И ГЕНЕРАТОР ПЕРЕМЕННОГО ТОКА

1Артикул: See, S...
2Артикул: 665727...
3Артикул: 665394...
Подробнее >
Спецтехника КОЛЛЕКТОР

КОЛЛЕКТОР

1Артикул: 665382...
2Артикул: 666678...
3Артикул: 4CM822...
Подробнее >
Спецтехника ВОДЯНОЙ ФЛАНЕЦ И ТЕРМОСТАТ

ВОДЯНОЙ ФЛАНЕЦ И ТЕРМОСТАТ

1Артикул: 665393...
2Артикул: 665588...
3Артикул: 666680...
Подробнее >
Спецтехника ДЕРЖАТЕЛЬ ФОРСУНКИ

ДЕРЖАТЕЛЬ ФОРСУНКИ

1Артикул: 397425...
2Артикул: 397432...
3Артикул: 397432...
Подробнее >
Спецтехника ДВИГАТЕЛЬ И КРЕПЕЖНЫЕ ДЕТАЛИ

ДВИГАТЕЛЬ И КРЕПЕЖНЫЕ ДЕТАЛИ

1Артикул: 651367...
2Артикул: 658925...
3Артикул: HOSE, ...
Подробнее >
Спецтехника КАРТЕР ДВИГАТЕЛЯ

КАРТЕР ДВИГАТЕЛЯ

1Артикул: 665378...
2Артикул: 665257...
3Артикул: 665257...
Подробнее >
Спецтехника ТОПЛИВНЫЙ НАСОС

ТОПЛИВНЫЙ НАСОС

1Артикул: 665389...
2Артикул: 665471...
3Артикул: 665389...
Подробнее >
Спецтехника МОНТАЖ ДВИГАТЕЛЯ И КРЕПЕЖНЫЕ ДЕТАЛИ

МОНТАЖ ДВИГАТЕЛЯ И КРЕПЕЖНЫЕ ДЕТАЛИ

1Артикул: 658862...
2Артикул: 658863...
3Артикул: 653566...
Подробнее >
Спецтехника КОМПЛЕКТ НИЖНИХ ПРОКЛАДОК

КОМПЛЕКТ НИЖНИХ ПРОКЛАДОК

1Артикул: 665739...
2Артикул: 666678...
3Артикул: 396651...
Подробнее >
Спецтехника КОРОМЫСЛО КЛАПАНА И КЛАПАНЫ

КОРОМЫСЛО КЛАПАНА И КЛАПАНЫ

1Артикул: 665382...
2Артикул: 665382...
3Артикул: 397451...
Подробнее >
Спецтехника ТАБЛИЧКА РЕГУЛЯТОРА СКОРОСТИ

ТАБЛИЧКА РЕГУЛЯТОРА СКОРОСТИ

1Артикул: 665390...
2Артикул: 397497...
3Артикул: 397497...
Подробнее >