+7 (701) 588 50 05 Телефон для связи
RU

WhatsApp

Позвонить

ГОЛОВКА ЦИЛИНДРА (KUBOTA - V2203 2EB - TIER II REPLACEMENT) — Продажа в Казахстане Цены от официального дилера с доставкой в Алматы, Астану и регионы

Техника доступна в:
Полный спектр услуг:
Для Вашего удобства:
Характеристики и описание
Габариты, схема
Техническая документация
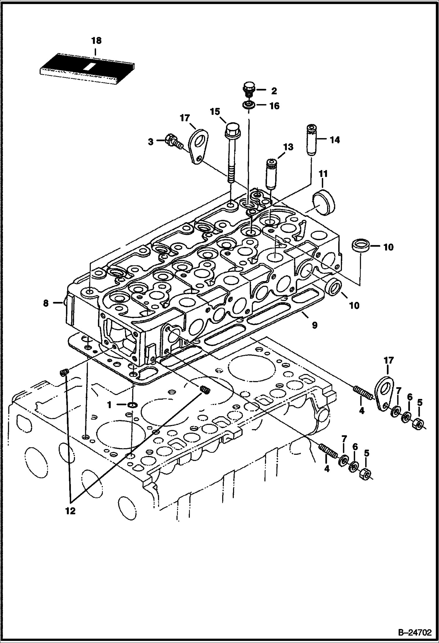
1 Артикул: 3974038, RING,O
2 Артикул: 6655160, PLUG
3 Артикул: 6667421, BOLT
4 Артикул: 6652670, STUD
5 Артикул: 6652792, NUT
6 Артикул: 6667422, WASHER spring
7 Артикул: 1EM80, WASHER Was 2EM8 - A
8 Артикул: 6686996, HEAD cylinder - W/Ref. 10 - 13
9 Артикул: 6686996REM, HEAD, KUBOTA V2203
10 Артикул: 6655159, GASKET cylinder head
11 Артикул: 3974432, PLUG sealing - Was 6680665 - A
12 Артикул: 6680666, PLUG sealing
13 Артикул: 6598116, PLUG
14 Артикул: 6969990, GUIDE exhaust valve - Was 6653803 - A
15 Артикул: 6655154, GUIDE intake valve
16 Артикул: 6655158, BOLT
17 Артикул: 6655161, WASHER W/rubber
18 Артикул: 3974882, HOOK
19 Артикул: GASKET, GASKET KIT upper

ГОЛОВКА ЦИЛИНДРА (KUBOTA - V2203 2EB - TIER II REPLACEMENT): Техника, которая работает на результат

ГОЛОВКА ЦИЛИНДРА (KUBOTA - V2203 2EB - TIER II REPLACEMENT) на Bobcat 700s Bobcat 753 512211001 - 512211999

Габаритные размеры

Габаритные размеры и схема ГОЛОВКА ЦИЛИНДРА (KUBOTA - V2203 2EB - TIER II REPLACEMENT)

Нажмите на схему для увеличения

Документация

Документация временно недоступна.

Похожая техника в категории: СМЕННЫЙ ДВИГАТЕЛЬ (Bobcat)

Спецтехника КАРТЕР КОРОБКИ ПЕРЕДАЧ (KUBOTA - V2203 2EB - TIER II REPLACEMENT)

КАРТЕР КОРОБКИ ПЕРЕДАЧ (KUBOTA - V2203 2EB - TIER II REPLACEMENT)

1Артикул: CASE, ...
2Артикул: 668864...
3Артикул: 667551...
Подробнее >
Спецтехника КОЛЛЕКТОРЫ (KUBOTA - V2203 2EB - TIER II REPLACEMENT)

КОЛЛЕКТОРЫ (KUBOTA - V2203 2EB - TIER II REPLACEMENT)

1Артикул: 665148...
2Артикул: 666678...
3Артикул: 665267...
Подробнее >
Спецтехника ПЛЕЧО КОРОМЫСЛА КЛАПАНА (KUBOTA - V2203 2EB - TIER II REPLACEMENT)

ПЛЕЧО КОРОМЫСЛА КЛАПАНА (KUBOTA - V2203 2EB - TIER II REPLACEMENT)

1Артикул: 665517...
2Артикул: 702094...
3Артикул: 665517...
Подробнее >
Спецтехника ТОПЛИВНЫЙ РАСПРЕДЕЛИТЕЛЬНЫЙ ВАЛ (KUBOTA - V2203 2EB - TIER II REPLACEMENT)

ТОПЛИВНЫЙ РАСПРЕДЕЛИТЕЛЬНЫЙ ВАЛ (KUBOTA - V2203 2EB - TIER II REPLACEMENT)

1Артикул: 665521...
2Артикул: CAMSHA...
3Артикул: 851242...
Подробнее >
Спецтехника ТОПЛИВНАЯ СИСТЕМА И НАСОСЫ ВПРЫСКА (KUBOTA - V2203 2EB - TIER II REPLACEMENT)

ТОПЛИВНАЯ СИСТЕМА И НАСОСЫ ВПРЫСКА (KUBOTA - V2203 2EB - TIER II REPLACEMENT)

1Артикул: PUMP, ...
2Артикул: 397462...
3Артикул: 668251...
Подробнее >
Спецтехника ПОРШЕНЬ И КОЛЕНЧАТЫЙ ВАЛ (KUBOTA - V2203 2EB - TIER II REPLACEMENT)

ПОРШЕНЬ И КОЛЕНЧАТЫЙ ВАЛ (KUBOTA - V2203 2EB - TIER II REPLACEMENT)

1Артикул: PISTON...
2Артикул: PISTON...
3Артикул: 667807...
Подробнее >
Спецтехника ДВИГАТЕЛЬ И КОМПЛЕКТ ПРОКЛАДОК (KUBOTA - V2203 2EB - TIER II REPLACEMENT)

ДВИГАТЕЛЬ И КОМПЛЕКТ ПРОКЛАДОК (KUBOTA - V2203 2EB - TIER II REPLACEMENT)

1Артикул: 668598...
2Артикул: SHORT,...
3Артикул: 668598...
Подробнее >
Спецтехника РЫЧАГ ОСТАНОВА ДВИГАТЕЛЯ (KUBOTA - V2203 2EB - TIER II REPLACEMENT)

РЫЧАГ ОСТАНОВА ДВИГАТЕЛЯ (KUBOTA - V2203 2EB - TIER II REPLACEMENT)

1Артикул: 397497...
2Артикул: 665390...
3Артикул: 397442...
Подробнее >
Спецтехника ВОДЯНАЯ ПОМПА (KUBOTA - V2203 2EB - TIER II REPLACEMENT)

ВОДЯНАЯ ПОМПА (KUBOTA - V2203 2EB - TIER II REPLACEMENT)

1Артикул: 668698...
2Артикул: BODY, ...
3Артикул: 668547...
Подробнее >
Спецтехника КРЫШКА КОРОМЫСЛА КЛАПАНА (KUBOTA - V2203 2EB - TIER II REPLACEMENT)

КРЫШКА КОРОМЫСЛА КЛАПАНА (KUBOTA - V2203 2EB - TIER II REPLACEMENT)

1Артикул: SHIELD...
2Артикул: 665588...
3Артикул: 696980...
Подробнее >
Спецтехника ВОДЯНОЙ ФЛАНЕЦ И ТЕРМОСТАТ (KUBOTA - V2203 2EB - TIER II REPLACEMENT)

ВОДЯНОЙ ФЛАНЕЦ И ТЕРМОСТАТ (KUBOTA - V2203 2EB - TIER II REPLACEMENT)

1Артикул: 665588...
2Артикул: 668698...
3Артикул: 397467...
Подробнее >
Спецтехника РЕГУЛЯТОРА ОБОРОТОВ (KUBOTA - V2203 2EB - TIER II REPLACEMENT)

РЕГУЛЯТОРА ОБОРОТОВ (KUBOTA - V2203 2EB - TIER II REPLACEMENT)

1Артикул: 659817...
2Артикул: 665522...
3Артикул: 665522...
Подробнее >