+7 (701) 588 50 05 Телефон для связи
RU

WhatsApp

Позвонить

ГОЛОВКА ЦИЛИНДРА В СБОРЕ — Продажа в Казахстане Цены от официального дилера с доставкой в Алматы, Астану и регионы

Техника доступна в:
Полный спектр услуг:
Для Вашего удобства:
Характеристики и описание
Габариты, схема
Техническая документация
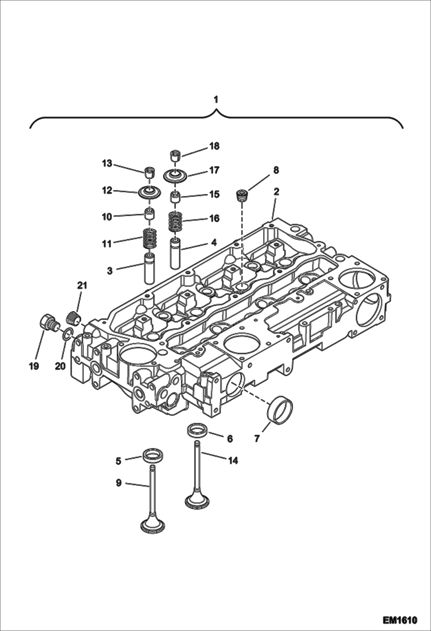
1 Артикул: 7010583, CYLINDER HEAD ASSY W/Ref. 2-21
2 Артикул: CYLINDER, CYLINDER HEAD NAP - Order Ref. 1
3 Артикул: 6924947, VALVE GUIDE
4 Артикул: 6924947, VALVE GUIDE
5 Артикул: VALVE, VALVE SEAT INSERT NAP - Order Ref. 1
6 Артикул: VALVE, VALVE SEAT INSERT NAP - Order Ref. 1
7 Артикул: 7022439, PLUG Was 40968-0 - A
8 Артикул: 7017219, PLUG Was 6911858 - A
9 Артикул: 6924908, INTAKE VALVE
10 Артикул: 6924939, SEAL - VALVE STEM green
11 Артикул: 6924948, VALVE SPRING
12 Артикул: 6924337, CAP
13 Артикул: 6924946, VALVE COLLET
14 Артикул: 6924346, EXHAUST VALVE
15 Артикул: 6924938, SEAL - VALVE STEM brown
16 Артикул: 6924948, VALVE SPRING
17 Артикул: 6924337, CAP
18 Артикул: 6924946, VALVE COLLET
19 Артикул: 6911939, PLUG Was 7017237 - A
20 Артикул: 6911881, O RING Was 7017238 - A
21 Артикул: 33219-7, PLUG

ГОЛОВКА ЦИЛИНДРА В СБОРЕ: Техника, которая работает на результат

ГОЛОВКА ЦИЛИНДРА В СБОРЕ на телескопический погрузчик Bobcat V518 A8G811001 И ВЫШЕ, A8G911001 И ВЫШЕ

Габаритные размеры

Габаритные размеры и схема ГОЛОВКА ЦИЛИНДРА В СБОРЕ

Нажмите на схему для увеличения

Документация

Документация временно недоступна.

Похожая техника в категории: ЗАПЧАСТИ ДВИГАТЕЛЯ (Bobcat)

Спецтехника МАХОВИК И ПРИВОДНОЙ ШКИВ

МАХОВИК И ПРИВОДНОЙ ШКИВ

1Артикул: 702245...
2Артикул: FLYWHE...
3Артикул: 651577...
Подробнее >
Спецтехника УСТАНОВКА ДВИГАТЕЛЯ

УСТАНОВКА ДВИГАТЕЛЯ

1Артикул: 000345...
2Артикул: 000350...
3Артикул: 000350...
Подробнее >
Спецтехника СИСТЕМА ВЫПУСКА

СИСТЕМА ВЫПУСКА

1Артикул: 1CM102...
2Артикул: 1EM100...
3Артикул: 716762...
Подробнее >
Спецтехника МАСЛЯНЫЙ ПОДДОН - МАСЛЯНЫЙ НАСОС

МАСЛЯНЫЙ ПОДДОН - МАСЛЯНЫЙ НАСОС

1Артикул: 691201...
2Артикул: 691205...
3Артикул: 691195...
Подробнее >
Спецтехника УСТАНОВКА СИСТЕМЫ ОХЛАЖДЕНИЯ (СЕРИЙНЫЙ НОМЕР A8G811001 - A8G812049, A8G911001 - A8G912001)

УСТАНОВКА СИСТЕМЫ ОХЛАЖДЕНИЯ (СЕРИЙНЫЙ НОМЕР A8G811001 - A8G812049, A8G911001 - A8G912001)

1Артикул: 000350...
2Артикул: 662428...
3Артикул: 01590-...
Подробнее >
Спецтехника ШЕСТЕРНЯ РАСПРЕДЕЛИТЕЛЬНОГО ВАЛА

ШЕСТЕРНЯ РАСПРЕДЕЛИТЕЛЬНОГО ВАЛА

1Артикул: 692494...
2Артикул: 692490...
3Артикул: 692434...
Подробнее >
Спецтехника ТУРБОКОМПРЕССОР

ТУРБОКОМПРЕССОР

1Артикул: 702247...
2Артикул: 691197...
3Артикул: 702246...
Подробнее >
Спецтехника ОСЬ КЛАПАННОГО КОРОМЫСЛА

ОСЬ КЛАПАННОГО КОРОМЫСЛА

1Артикул: 692493...
2Артикул: 691200...
3Артикул: SPINDL...
Подробнее >
Спецтехника ПОДАЧА ТОПЛИВА

ПОДАЧА ТОПЛИВА

1Артикул: 691215...
2Артикул: PUMP,,...
3Артикул: 691190...
Подробнее >
Спецтехника БЛОК ЦИЛИНДРОВ

БЛОК ЦИЛИНДРОВ

1Артикул: 692494...
2Артикул: CYLIND...
3Артикул: CAP,, ...
Подробнее >
Спецтехника УСТАНОВКА ГОЛОВКИ ЦИЛИНДРА

УСТАНОВКА ГОЛОВКИ ЦИЛИНДРА

1Артикул: 701058...
2Артикул: 692490...
3Артикул: 691193...
Подробнее >
Спецтехника ВОДЯНАЯ ПОМПА И ТЕРМОСТАТ

ВОДЯНАЯ ПОМПА И ТЕРМОСТАТ

1Артикул: 701233...
2Артикул: PUMP,,...
3Артикул: COVER,...
Подробнее >