+7 (701) 588 50 05 Телефон для связи
RU

WhatsApp

Позвонить

ХОМУТ ДЛЯ ТРУБОПРОВОДА — Продажа в Казахстане Цены от официального дилера с доставкой в Алматы, Астану и регионы

Техника доступна в:
Полный спектр услуг:
Для Вашего удобства:
Характеристики и описание
Габариты, схема
Техническая документация
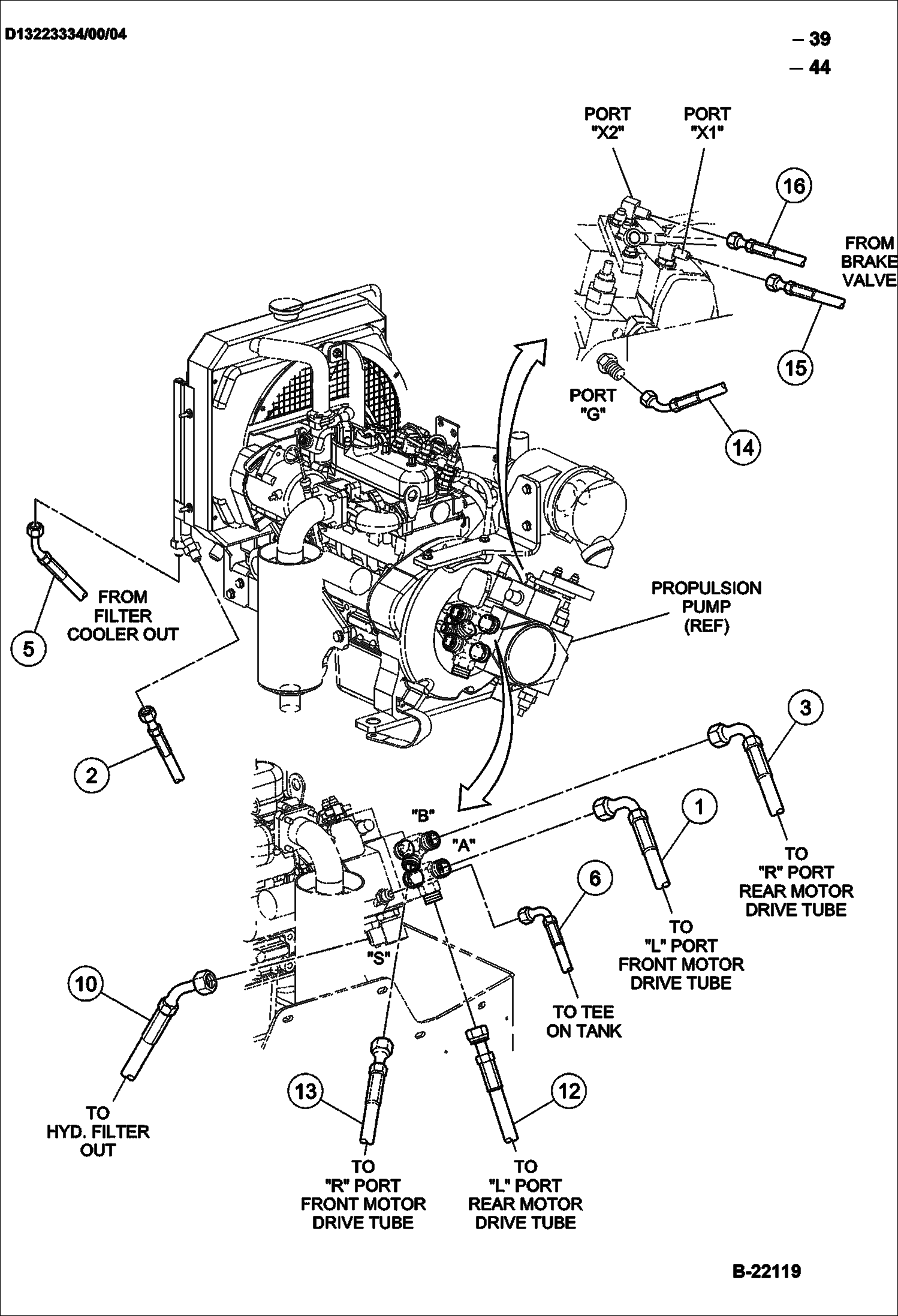
1 Артикул: IR59280933, HOSE 48--
2 Артикул: IR54462726, HOSE 25--
3 Артикул: IR59219352, HOSE 77.5--
4 Артикул: IR59174748, HOSE offset frame option - 81--
5 Артикул: IR54462395, HOSE 26--
6 Артикул: IR54463344, HOSE 37--
7 Артикул: IR54462106, HOSE 29--
8 Артикул: IR59151175, HOSE 77.5--
9 Артикул: IR58992165, HOSE offset frame option - 81--
10 Артикул: IR59197350, HOSE 49--
11 Артикул: IR59219667, HOSE 17.5--
12 Артикул: IR59219675, HOSE 19.5--
13 Артикул: IR59219683, HOSE 22--
14 Артикул: IR59219436, Hose not shown - 15--
15 Артикул: IR59219493, Hose not shown - 18--

ХОМУТ ДЛЯ ТРУБОПРОВОДА: Техника, которая работает на результат

ГИДРАВЛИЧЕСКИЙ ШЛАНГ/ХОМУТ ДЛЯ ТРУБОПРОВОДА на тандемный каток Bobcat BCA14 491711050 И ВЫШЕ

Габаритные размеры

Габаритные размеры и схема ХОМУТ ДЛЯ ТРУБОПРОВОДА

Нажмите на схему для увеличения

Документация

Документация временно недоступна.