+7 (701) 588 50 05 Телефон для связи
RU

WhatsApp

Позвонить

ХОМУТ ДЛЯ ТРУБОПРОВОДА — Продажа в Казахстане Цены от официального дилера с доставкой в Алматы, Астану и регионы

Техника доступна в:
Полный спектр услуг:
Для Вашего удобства:
Характеристики и описание
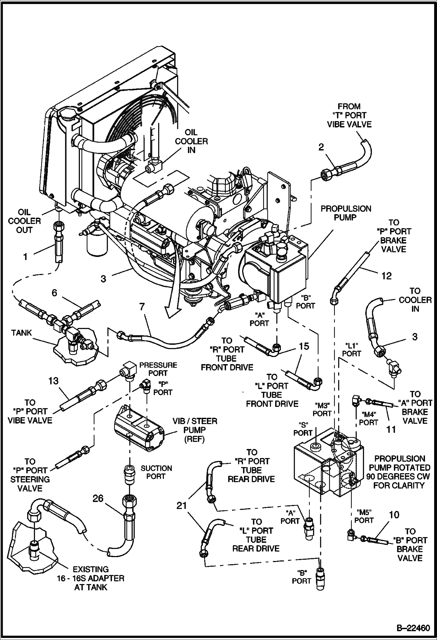
Габариты, схема
Техническая документация
1 Артикул: IR54469267, HOSE 19.0--
2 Артикул: IR13165048, HOSE 24.0--
3 Артикул: IR54496641, HOSE 72.5--
4 Артикул: IR54484407, HOSE 40.5--
5 Артикул: IR54497458, HOSE 19.5--
6 Артикул: IR59219840, HOSE 30.5--
7 Артикул: IR59219857, HOSE 38.0--
8 Артикул: IR59219865, HOSE 35.5--
9 Артикул: IR59219881, HOSE 64.0--
10 Артикул: IR59219907, HOSE 56.0--
11 Артикул: IR54537105, HOSE 89.5--
12 Артикул: IR59587725, HOSE 24.0--

ХОМУТ ДЛЯ ТРУБОПРОВОДА: Техника, которая работает на результат

ГИДРАВЛИЧЕСКИЙ ШЛАНГ/ХОМУТ ДЛЯ ТРУБОПРОВОДА на тандемный каток Bobcat BCA24 491911050 - 491911098

Габаритные размеры

Габаритные размеры и схема ХОМУТ ДЛЯ ТРУБОПРОВОДА

Нажмите на схему для увеличения

Документация

Документация временно недоступна.