+7 (701) 588 50 05 Телефон для связи
RU

WhatsApp

Позвонить

ИНСТРУКЦИЯ ПО УСТАНОВКЕ СТЕКЛООЧИСТИТЕЛЯ — Продажа в Казахстане Цены от официального дилера с доставкой в Алматы, Астану и регионы

Техника доступна в:
Полный спектр услуг:
Для Вашего удобства:
Характеристики и описание
Габариты, схема
Техническая документация
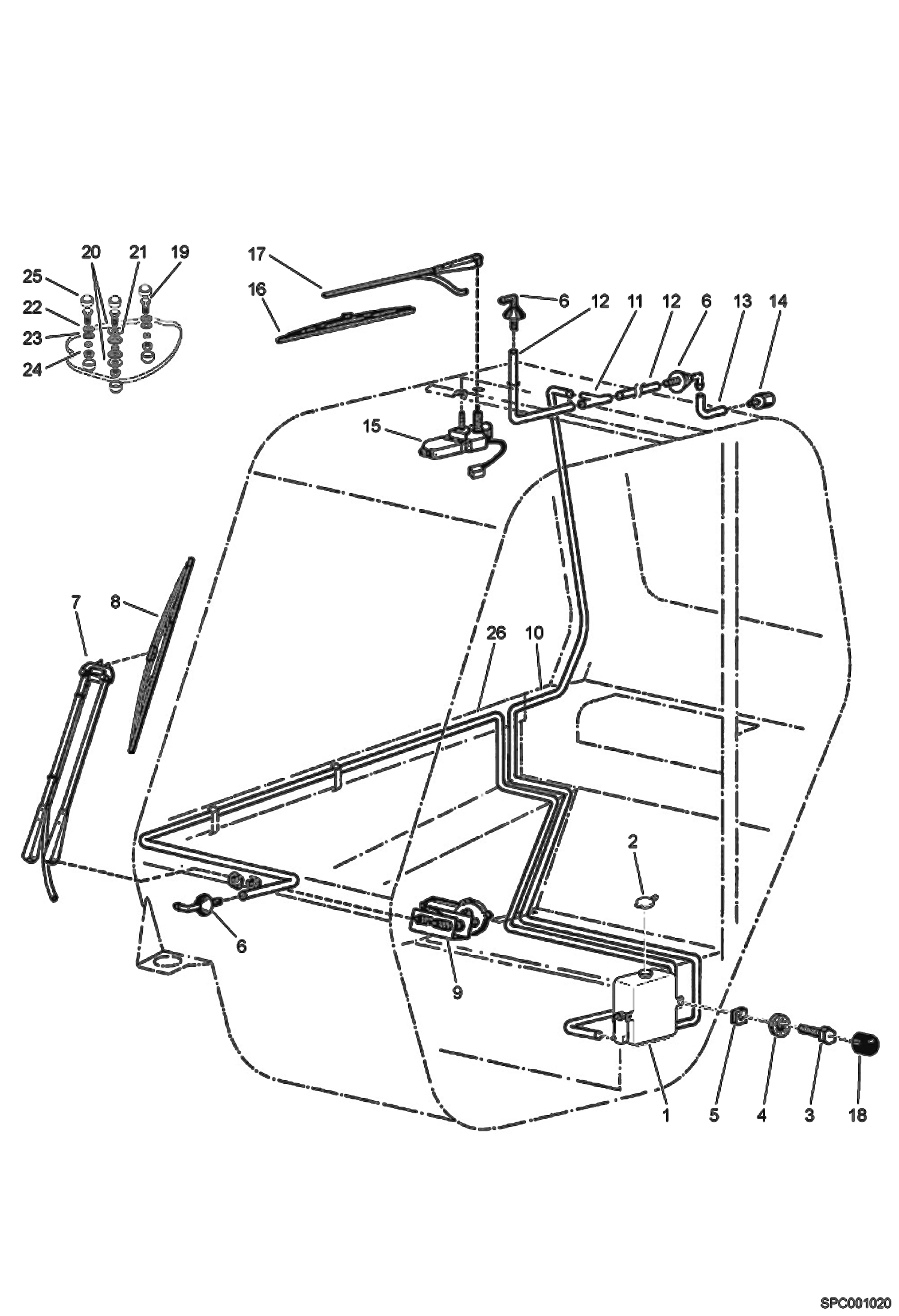
1 Артикул: 97196.0, Windshield spray reservoir W/Ref. 2
2 Артикул: 6925355, CAP
3 Артикул: 6910505, SCREW
4 Артикул: 01717.8, Washer
5 Артикул: 6909903, CLIPS
6 Артикул: 75926.6, Adapter
7 Артикул: 75898.7, Windshield wiper arm
8 Артикул: 75895.3, Front Wiper Blade
9 Артикул: 6916061, MOTOR WIPER Was 75920.9
10 Артикул: 97212.5, Hose
11 Артикул: 63848.6, T- union
12 Артикул: 6910982, HOSE,WINDSHIELD SPRAYER
13 Артикул: 6910983, HOSE,WINDSHIELD SPRAYER
14 Артикул: 97217.4, Jet
15 Артикул: 6915535, WIPER MOTOR option - Was 63856.9
16 Артикул: 75896.1, Roof wiper blade option - Was 6911713
17 Артикул: 6911006, WINDSCREEN ARM option - Was 6911712
18 Артикул: 63332.1, Cap
19 Артикул: 1CM820, BOLT W/O roof windscreen wiper - Was 01596.6 - B
20 Артикул: 7235069, WASHER W/O roof windscreen wiper - Was 6910976 - A
21 Артикул: 6909964, WASHER , FIBER 9X30X2 W/O roof windscreen wiper
22 Артикул: 000350-20Q, WASHER W/O roof windscreen wiper
23 Артикул: 6909963, WASHER, FIBER 13X22X2 W/O roof windscreen wiper
24 Артикул: 4DM8, NUT W/O roof windscreen wiper - Was 01668.3 - B
25 Артикул: 63333.9, Nut cap W/O roof windscreen wiper
26 Артикул: 6910981, HOSE,WINDSHIELD SPRAYER

ИНСТРУКЦИЯ ПО УСТАНОВКЕ СТЕКЛООЧИСТИТЕЛЯ: Техника, которая работает на результат

ИНСТРУКЦИЯ ПО УСТАНОВКЕ СТЕКЛООЧИСТИТЕЛЯ на телескопический погрузчик Bobcat T2556 363011001 - 363011999, 363111001 - 363111999

Габаритные размеры

Габаритные размеры и схема ИНСТРУКЦИЯ ПО УСТАНОВКЕ СТЕКЛООЧИСТИТЕЛЯ

Нажмите на схему для увеличения

Документация

Документация временно недоступна.

Похожая техника в категории: РАМА (Bobcat)

Спецтехника ЗВУКОВАЯ ИЗОЛЯЦИЯ ДВИГАТЕЛЯ

ЗВУКОВАЯ ИЗОЛЯЦИЯ ДВИГАТЕЛЯ

1Артикул: 691175...
2Артикул: 691176...
3Артикул: 691176...
Подробнее >
Спецтехника ОГОЛОВОК СТРЕЛЫ В СБОРЕ (СЕРИЙНЫЙ НОМЕР 363111001 - 363112000)

ОГОЛОВОК СТРЕЛЫ В СБОРЕ (СЕРИЙНЫЙ НОМЕР 363111001 - 363112000)

1Артикул: 89420....
2Артикул: 80399....
3Артикул: 7CM101...
Подробнее >
Спецтехника НЕПОДВИЖНАЯ СТРЕЛА В СБОРЕ (СЕРИЙНЫЙ НОМЕР 363011001 - 363012000)

НЕПОДВИЖНАЯ СТРЕЛА В СБОРЕ (СЕРИЙНЫЙ НОМЕР 363011001 - 363012000)

1Артикул: 01616....
2Артикул: 29264....
3Артикул: 44001....
Подробнее >
Спецтехника РУКОВОДСТВО ПО ЭКСПЛУАТАЦИИ БЫСТРОСЪЕМНОГО ЗАМКА

РУКОВОДСТВО ПО ЭКСПЛУАТАЦИИ БЫСТРОСЪЕМНОГО ЗАМКА

1Артикул: 722691...
2Артикул: 6GM816...
3Артикул: 721465...
Подробнее >
Спецтехника ДВЕРЦА В СБОРЕ

ДВЕРЦА В СБОРЕ

1Артикул: 691073...
2Артикул: 691073...
3Артикул: 691073...
Подробнее >
Спецтехника ОГОЛОВОК СТРЕЛЫ В СБОРЕ (СЕРИЙНЫЙ НОМЕР 363011001 - 363012000)

ОГОЛОВОК СТРЕЛЫ В СБОРЕ (СЕРИЙНЫЙ НОМЕР 363011001 - 363012000)

1Артикул: 88514....
2Артикул: 80399....
3Артикул: 7CM101...
Подробнее >
Спецтехника РЫЧАГ СТОЯНОЧНОГО ТОРМОЗА (СЕРИЙНЫЙ НОМЕР 363011171 - 363012000, 363111047 - 363112000)

РЫЧАГ СТОЯНОЧНОГО ТОРМОЗА (СЕРИЙНЫЙ НОМЕР 363011171 - 363012000, 363111047 - 363112000)

1Артикул: 691552...
2Артикул: 691210...
3Артикул: 691210...
Подробнее >
Спецтехника РЫЧАГ СТОЯНОЧНОГО ТОРМОЗА (СЕРИЙНЫЙ НОМЕР 363011001 - 363011070, 363111001 - 363111046)

РЫЧАГ СТОЯНОЧНОГО ТОРМОЗА (СЕРИЙНЫЙ НОМЕР 363011001 - 363011070, 363111001 - 363111046)

1Артикул: LEVER,...
2Артикул: 93233....
3Артикул: LEVER,...
Подробнее >
Спецтехника КАБИНА ОПЕРАТОРА

КАБИНА ОПЕРАТОРА

1Артикул: 696309...
2Артикул: 690878...
3Артикул: 690878...
Подробнее >
Спецтехника КРЫШКА ДВИГАТЕЛЯ

КРЫШКА ДВИГАТЕЛЯ

1Артикул: 98765....
2Артикул: 690960...
3Артикул: 13416....
Подробнее >
Спецтехника НЕПОДВИЖНАЯ СТРЕЛА В СБОРЕ (СЕРИЙНЫЙ НОМЕР 363111001 - 363112000)

НЕПОДВИЖНАЯ СТРЕЛА В СБОРЕ (СЕРИЙНЫЙ НОМЕР 363111001 - 363112000)

1Артикул: 89422....
2Артикул: 89409....
3Артикул: 721335...
Подробнее >
Спецтехника КОМПЛЕКТ ДЛЯ УСТАНОВКИ ЗАДНЕГО СТЕКЛА

КОМПЛЕКТ ДЛЯ УСТАНОВКИ ЗАДНЕГО СТЕКЛА

1Артикул: 690878...
2Артикул: 57796....
3Артикул: 691553...
Подробнее >