+7 (701) 588 50 05 Телефон для связи
RU

WhatsApp

Позвонить

ИЗ ГИДРОМОТОРА ПОВОРОТА ПЛАТФОРМЫ) — Продажа в Казахстане Цены от официального дилера с доставкой в Алматы, Астану и регионы

Техника доступна в:
Полный спектр услуг:
Для Вашего удобства:
Характеристики и описание
Габариты, схема
Техническая документация
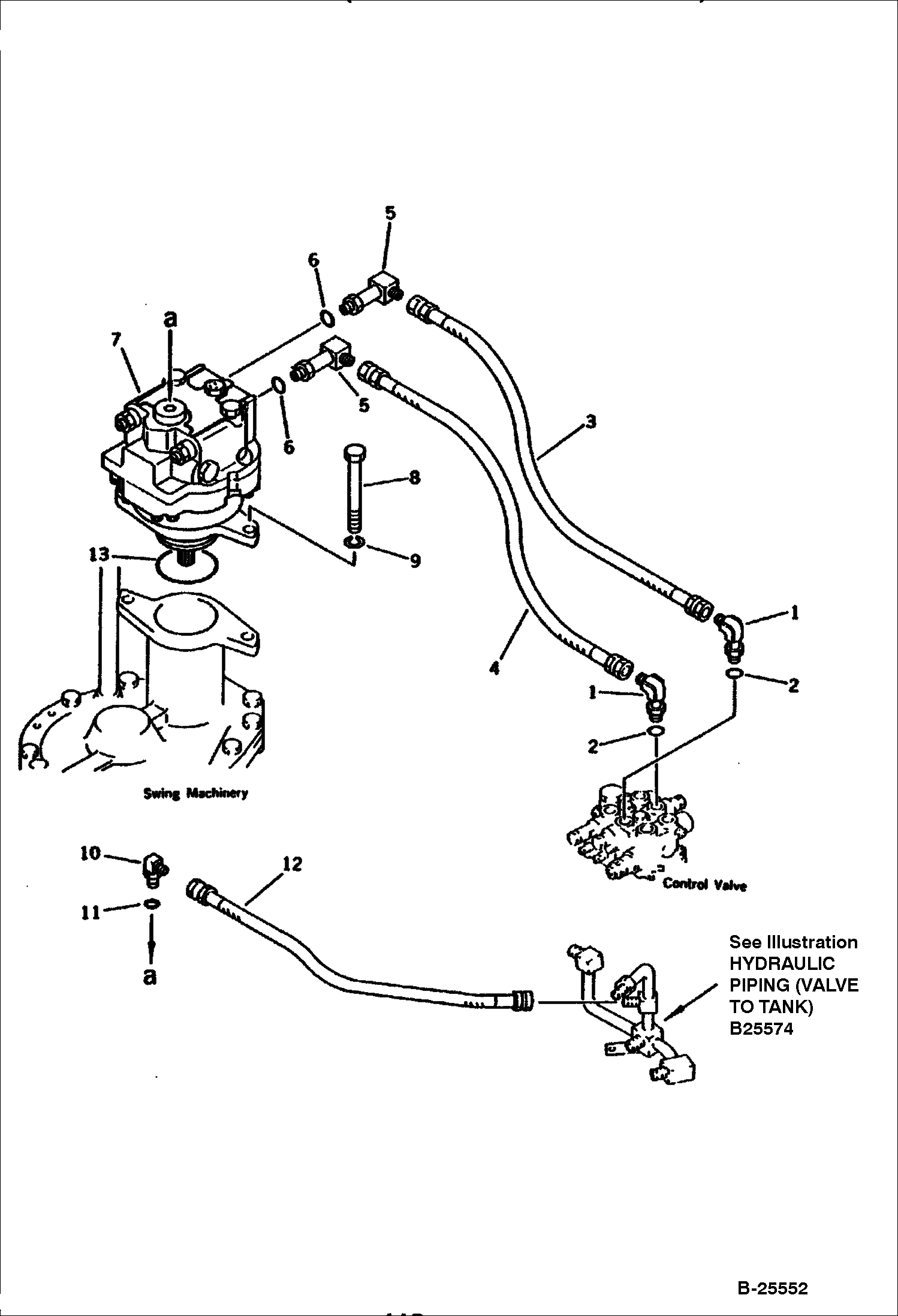
1 Артикул: 6638581, ELBOW
2 Артикул: 6637415, O-RING
3 Артикул: 6637507, HOSE
4 Артикул: 6637508, HOSE
5 Артикул: 6639398, ELBOW
6 Артикул: 6637418, O-RING
7 Артикул: 6640335, MOTOR ASSY swing
8 Артикул: BOLT, BOLT Was 01011-51445
9 Артикул: 6637137, WASHER
10 Артикул: 6638842, ELBOW
11 Артикул: 6637413, O-RING
12 Артикул: 6637499, HOSE
13 Артикул: 6637348, O-RING

ИЗ ГИДРОМОТОРА ПОВОРОТА ПЛАТФОРМЫ): Техника, которая работает на результат

ТРУБОПРОВОД ГИДРАВЛИЧЕСКОЙ СИСТЕМЫ (КЛАПАН В/ИЗ ГИДРОМОТОРА ПОВОРОТА ПЛАТФОРМЫ) на мини-экскаватор Bobcat 100 504911001 - 504911999

Габаритные размеры

Габаритные размеры и схема ИЗ ГИДРОМОТОРА ПОВОРОТА ПЛАТФОРМЫ)

Нажмите на схему для увеличения

Документация

Документация временно недоступна.