+7 (701) 588 50 05 Телефон для связи
RU

WhatsApp

Позвонить

КАБИНА ВОДИТЕЛЯ (ВНУТРЕННЕЕ ОБОРУДОВАНИЕ КАБИНЫ) (DELUXE) — Продажа в Казахстане Цены от официального дилера с доставкой в Алматы, Астану и регионы

Техника доступна в:
Полный спектр услуг:
Для Вашего удобства:
Характеристики и описание
Габариты, схема
Техническая документация
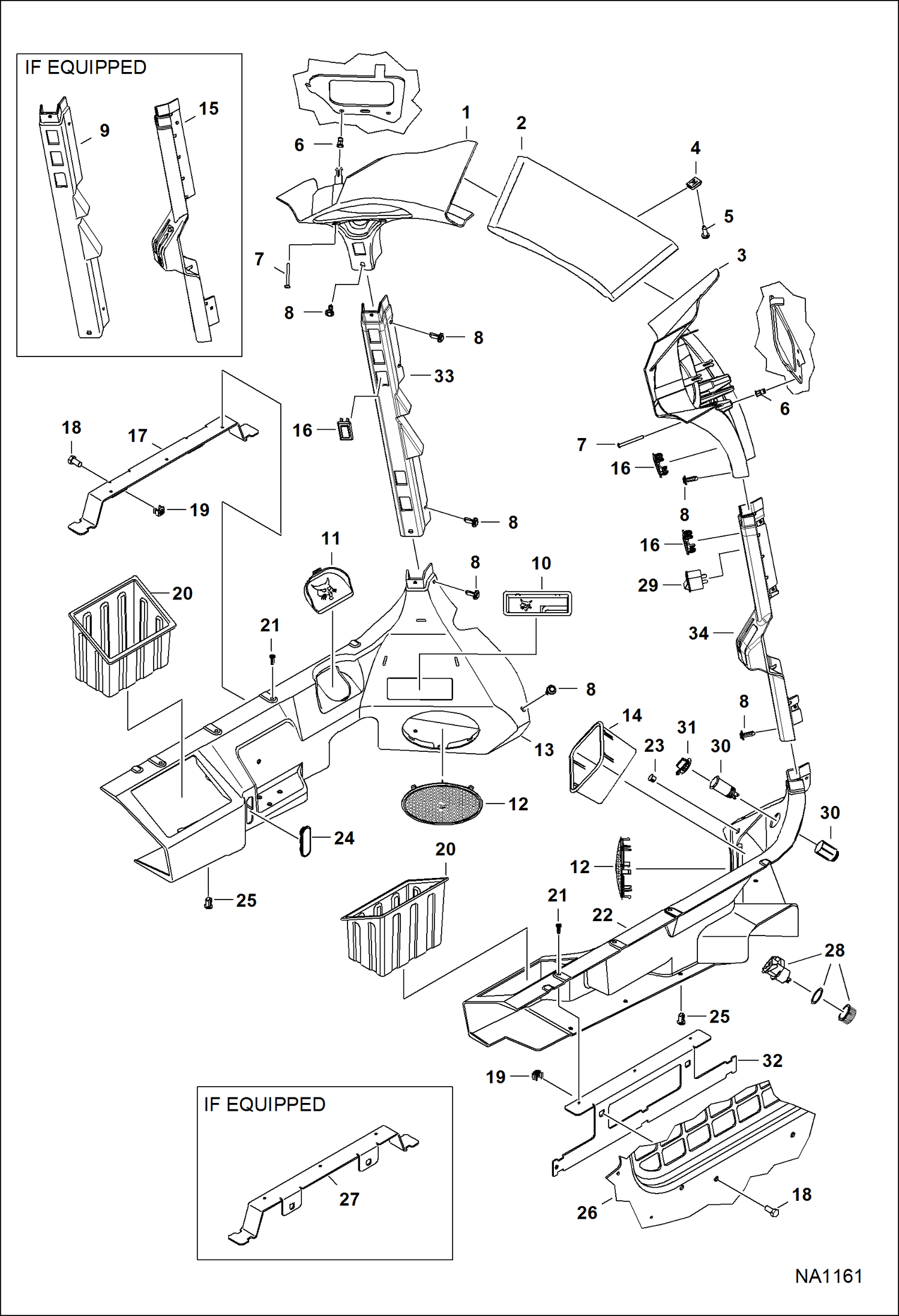
1 Артикул: 7155792, PANEL, LH
2 Артикул: 7223412, PANEL, DASH Was 7155788 - A
3 Артикул: 7155791, PANEL, RH
4 Артикул: 7142762, CLIP
5 Артикул: 6669224, BOLT
6 Артикул: 6675033, INSERT
7 Артикул: 7165799, SCREW
8 Артикул: 7160382, RIVET, BIRD CAGE
9 Артикул: COLUMN,, COLUMN, FRONT LEFT NLA - Order Ref 33 - Was 7164348 - A
10 Артикул: 7165344, STORAGE
11 Артикул: 7165345, DOOR, COVER
12 Артикул: 7161939, GRILL
13 Артикул: 7155643, FENDER, PANEL L.H.
14 Артикул: 7154285, BOX,RADIO DELETE
15 Артикул: COLUMN,, COLUMN, FRONT RIGHT NLA - Order Ref 34 - Was 7164347 - A
16 Артикул: 6665314, PLUG Use W/Ref 9, 15
17 Артикул: 6665314, PLUG Use W/Ref 33, 34
18 Артикул: 7116118, BRACKET
19 Артикул: 17C612, BOLT 5
20 Артикул: 7149204, NUT
21 Артикул: 7145268, CONTAINER, STORAGE
22 Артикул: 7160381, RIVET, BIRD CAGE
23 Артикул: 7155642, FENDER, PANEL RH
24 Артикул: 7182942, PLUG
25 Артикул: 7165346, DOOR, COVER
26 Артикул: 7160383, RIVET, BIRD CAGE
27 Артикул: CAB, CAB ASSY See Illustration OPERATOR CAB/ NA8625
28 Артикул: BRACKET, BRACKET NLA - Order Ref. 32 - Was 7127976 - A
29 Артикул: 7001664, PLUG, POWER W/hinged cover
30 Артикул: WASHER, WASHER NSS
31 Артикул: NUT, NUT NSS - plastic
32 Артикул: 6668742, SWITCH EMEA
33 Артикул: 6664223, OUTLET
34 Артикул: 6664224, CAP
35 Артикул: 7193021, BRACKET
36 Артикул: 7265545, COLUMN, FRONT LEFT
37 Артикул: 7282966, COLUMN, FRONT RIGHT

КАБИНА ВОДИТЕЛЯ (ВНУТРЕННЕЕ ОБОРУДОВАНИЕ КАБИНЫ) (DELUXE): Техника, которая работает на результат

КАБИНА ВОДИТЕЛЯ (ВНУТРЕННЕЕ ОБОРУДОВАНИЕ КАБИНЫ) (DELUXE) на мини-погрузчик Bobcat T770 A3P811001 И ВЫШЕ, A3P911001 И ВЫШЕ

Габаритные размеры

Габаритные размеры и схема КАБИНА ВОДИТЕЛЯ (ВНУТРЕННЕЕ ОБОРУДОВАНИЕ КАБИНЫ) (DELUXE)

Нажмите на схему для увеличения

Документация

Документация временно недоступна.

Похожая техника в категории: РАМА (Bobcat)

Спецтехника КАБИНА ОПЕРАТОРА (ВНУТРЕННЕЕ ОБОРУДОВАНИЕ КАБИНЫ) (СТАНДАРТНАЯ)

КАБИНА ОПЕРАТОРА (ВНУТРЕННЕЕ ОБОРУДОВАНИЕ КАБИНЫ) (СТАНДАРТНАЯ)

1Артикул: 715579...
2Артикул: 715579...
3Артикул: 722341...
Подробнее >
Спецтехника СИДЕНЬЕ И РЕМЕНЬ БЕЗОПАСНОСТИ

СИДЕНЬЕ И РЕМЕНЬ БЕЗОПАСНОСТИ

1Артикул: SEAT, ...
2Артикул: 619021...
3Артикул: SEAT, ...
Подробнее >
Спецтехника РАМА ШАССИ (СЕРИЙНЫЙ НОМЕР A3P813486 - A3P814204, A3P912192 - A3P912726)

РАМА ШАССИ (СЕРИЙНЫЙ НОМЕР A3P813486 - A3P814204, A3P912192 - A3P912726)

1Артикул: 721186...
2Артикул: 720009...
3Артикул: 667426...
Подробнее >
Спецтехника ОПОРА СИДЕНЬЯ (РУКОВОДСТВО ПОЛЬЗОВАНИЯ УСТРОЙСТВОМ УПРАВЛЕНИЯ)

ОПОРА СИДЕНЬЯ (РУКОВОДСТВО ПОЛЬЗОВАНИЯ УСТРОЙСТВОМ УПРАВЛЕНИЯ)

1Артикул: 714397...
2Артикул: 668044...
3Артикул: 669171...
Подробнее >
Спецтехника РАМА ШАССИ (СЕРИЙНЫЙ НОМЕР A3P811001 - A3P812129, A3P911001 - A3P911320)

РАМА ШАССИ (СЕРИЙНЫЙ НОМЕР A3P811001 - A3P812129, A3P911001 - A3P911320)

1Артикул: 714629...
2Артикул: 720009...
3Артикул: CROSSM...
Подробнее >
Спецтехника ОПОРА СИДЕНЬЯ (МНОГОРЕЖИМНЫЙ ДЖОЙСТИК УПРАВЛЕНИЯ)

ОПОРА СИДЕНЬЯ (МНОГОРЕЖИМНЫЙ ДЖОЙСТИК УПРАВЛЕНИЯ)

1Артикул: 720338...
2Артикул: 668044...
3Артикул: 671586...
Подробнее >
Спецтехника РАМА ШАССИ (СЕРИЙНЫЙ НОМЕР A3P816001 И ВЫШЕ, A3P913001 И ВЫШЕ)

РАМА ШАССИ (СЕРИЙНЫЙ НОМЕР A3P816001 И ВЫШЕ, A3P913001 И ВЫШЕ)

1Артикул: 722573...
2Артикул: 730610...
3Артикул: 725135...
Подробнее >
Спецтехника КАБИНА ОПЕРАТОРА (ВНУТРЕННЕЕ ОБОРУДОВАНИЕ КАБИНЫ) (DELUXE) (ОСНОВНОЕ ОБОРУДОВАНИЕ)

КАБИНА ОПЕРАТОРА (ВНУТРЕННЕЕ ОБОРУДОВАНИЕ КАБИНЫ) (DELUXE) (ОСНОВНОЕ ОБОРУДОВАНИЕ)

1Артикул: 715579...
2Артикул: 667489...
3Артикул: 714276...
Подробнее >
Спецтехника КАБИНА ВОДИТЕЛЯ (ГАЗОВАЯ ПРУЖИНА)

КАБИНА ВОДИТЕЛЯ (ГАЗОВАЯ ПРУЖИНА)

1Артикул: CAB,, ...
2Артикул: ASSY, ...
3Артикул: 716398...
Подробнее >
Спецтехника РАМА ШАССИ (СЕРИЙНЫЙ НОМЕР A3P812130 - A3P813485, A3P911321 - A3P912191)

РАМА ШАССИ (СЕРИЙНЫЙ НОМЕР A3P812130 - A3P813485, A3P911321 - A3P912191)

1Артикул: 719337...
2Артикул: 720009...
3Артикул: CROSSM...
Подробнее >
Спецтехника ЗАДНЯЯ ДВЕРЬ

ЗАДНЯЯ ДВЕРЬ

1Артикул: 673357...
2Артикул: 656445...
3Артикул: 671976...
Подробнее >
Спецтехника РАМА ШАССИ (СЕРИЙНЫЙ НОМЕР A3P814205, A3P815999, A3P912727 - A3P912999)

РАМА ШАССИ (СЕРИЙНЫЙ НОМЕР A3P814205, A3P815999, A3P912727 - A3P912999)

1Артикул: 722573...
2Артикул: 730610...
3Артикул: 725135...
Подробнее >