+7 (701) 588 50 05 Телефон для связи
RU

WhatsApp

Позвонить

КАБИНА ВОДИТЕЛЯ (ВНУТРЕННЕЕ ОБОРУДОВАНИЕ КАБИНЫ) (DELUXE) — Продажа в Казахстане Цены от официального дилера с доставкой в Алматы, Астану и регионы

Техника доступна в:
Полный спектр услуг:
Для Вашего удобства:
Характеристики и описание
Габариты, схема
Техническая документация
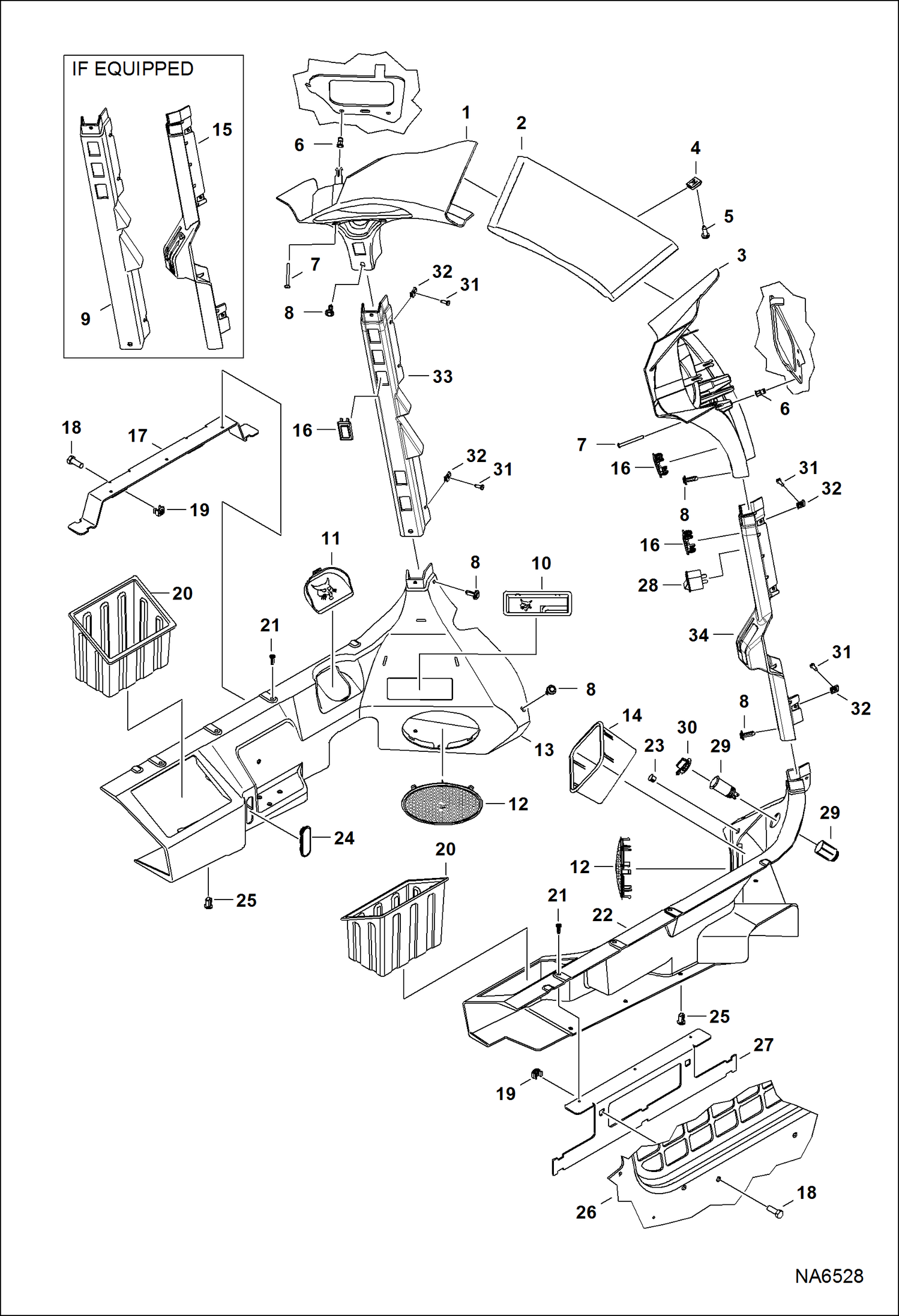
1 Артикул: 7155792, PANEL, LH
2 Артикул: 7223412, PANEL, DASH
3 Артикул: 7155791, PANEL, RH
4 Артикул: 7142762, CLIP
5 Артикул: 6669224, BOLT
6 Артикул: 6675033, INSERT
7 Артикул: 7165799, SCREW
8 Артикул: 7160382, RIVET, BIRD CAGE
9 Артикул: COLUMN,, COLUMN, FRONT LEFT NLA - Order Ref 33 - Was 7164348 - A
10 Артикул: 7165344, STORAGE
11 Артикул: 7165345, DOOR, COVER
12 Артикул: 7161939, GRILL
13 Артикул: 7155643, FENDER, PANEL L.H.
14 Артикул: 7154285, BOX,RADIO DELETE
15 Артикул: COLUMN,, COLUMN, FRONT RIGHT NLA - Order Ref 34 - Was 7164347 - A
16 Артикул: 6665314, PLUG Use W/Ref 9, 15
17 Артикул: 6665314, PLUG Use W/Ref 33, 34
18 Артикул: 7116118, BRACKET
19 Артикул: 17C616, BOLT 5
20 Артикул: 7149204, NUT
21 Артикул: 7145268, CONTAINER, STORAGE
22 Артикул: 7160381, RIVET, BIRD CAGE
23 Артикул: 7155642, FENDER, PANEL RH
24 Артикул: 7182942, PLUG
25 Артикул: 7165346, DOOR, COVER
26 Артикул: 7160383, RIVET, BIRD CAGE
27 Артикул: CAB, CAB ASSY See Illustration OPERATOR CAB/ NA6526
28 Артикул: 7193021, BRACKET
29 Артикул: 6668742, SWITCH EMEA
30 Артикул: 6664223, OUTLET
31 Артикул: 6664224, CAP
32 Артикул: 6669224, BOLT
33 Артикул: 7142762, CLIP
34 Артикул: 7265545, COLUMN, FRONT LEFT
35 Артикул: 7282966, COLUMN, FRONT RIGHT

КАБИНА ВОДИТЕЛЯ (ВНУТРЕННЕЕ ОБОРУДОВАНИЕ КАБИНЫ) (DELUXE): Техника, которая работает на результат

КАБИНА ВОДИТЕЛЯ (ВНУТРЕННЕЕ ОБОРУДОВАНИЕ КАБИНЫ) (DELUXE) на мини-погрузчик Bobcat T550 A7UJ11001 И ВЫШЕ

Габаритные размеры

Габаритные размеры и схема КАБИНА ВОДИТЕЛЯ (ВНУТРЕННЕЕ ОБОРУДОВАНИЕ КАБИНЫ) (DELUXE)

Нажмите на схему для увеличения

Документация

Документация временно недоступна.

Похожая техника в категории: РАМА (Bobcat)

Спецтехника BOB-TACH

BOB-TACH

1Артикул: BOB-TA...
2Артикул: 727637...
3Артикул: 619021...
Подробнее >
Спецтехника КАБИНА ОПЕРАТОРА (ВНУТРЕННЕЕ ОБОРУДОВАНИЕ КАБИНЫ) (DELUXE) (ОСНОВНОЕ ОБОРУДОВАНИЕ)

КАБИНА ОПЕРАТОРА (ВНУТРЕННЕЕ ОБОРУДОВАНИЕ КАБИНЫ) (DELUXE) (ОСНОВНОЕ ОБОРУДОВАНИЕ)

1Артикул: 715579...
2Артикул: 667489...
3Артикул: 714276...
Подробнее >
Спецтехника КАБИНА ОПЕРАТОРА (ЗАМЕНА КАБИНЫ)

КАБИНА ОПЕРАТОРА (ЗАМЕНА КАБИНЫ)

1Артикул: 730459...
2-
3-
Подробнее >
Спецтехника ПАНЕЛЬ (МЕТАЛЛИЧЕСКИЙ ПОЛ КУЗОВА) (МНОГОРЕЖИМНЫЙ ДЖОЙСТИК УПРАВЛЕНИЯ)

ПАНЕЛЬ (МЕТАЛЛИЧЕСКИЙ ПОЛ КУЗОВА) (МНОГОРЕЖИМНЫЙ ДЖОЙСТИК УПРАВЛЕНИЯ)

1Артикул: 721166...
2Артикул: 716619...
3Артикул: 716619...
Подробнее >
Спецтехника ПОДЪЕМНАЯ РУКОЯТЬ И BOB-TACH

ПОДЪЕМНАЯ РУКОЯТЬ И BOB-TACH

1Артикул: 651917...
2Артикул: 657795...
3Артикул: 670074...
Подробнее >
Спецтехника ОПОРА СИДЕНЬЯ (РУКОВОДСТВО ПОЛЬЗОВАНИЯ УСТРОЙСТВОМ УПРАВЛЕНИЯ)

ОПОРА СИДЕНЬЯ (РУКОВОДСТВО ПОЛЬЗОВАНИЯ УСТРОЙСТВОМ УПРАВЛЕНИЯ)

1Артикул: 714397...
2Артикул: 668044...
3Артикул: 669171...
Подробнее >
Спецтехника СИДЕНЬЕ И РЕМЕНЬ БЕЗОПАСНОСТИ

СИДЕНЬЕ И РЕМЕНЬ БЕЗОПАСНОСТИ

1Артикул: SEAT,,...
2Артикул: SEAT,,...
3Артикул: BELT,,...
Подробнее >
Спецтехника ЗАДНЯЯ ДВЕРЬ

ЗАДНЯЯ ДВЕРЬ

1Артикул: 673357...
2Артикул: 722941...
3Артикул: 671976...
Подробнее >
Спецтехника КАБИНА ВОДИТЕЛЯ (ГАЗОВАЯ ПРУЖИНА)

КАБИНА ВОДИТЕЛЯ (ГАЗОВАЯ ПРУЖИНА)

1Артикул: CAB,, ...
2Артикул: CAB,, ...
3Артикул: 716398...
Подробнее >
Спецтехника ОПОРА СИДЕНЬЯ (МНОГОРЕЖИМНЫЙ ДЖОЙСТИК УПРАВЛЕНИЯ)

ОПОРА СИДЕНЬЯ (МНОГОРЕЖИМНЫЙ ДЖОЙСТИК УПРАВЛЕНИЯ)

1Артикул: 720338...
2Артикул: 668044...
3Артикул: 671586...
Подробнее >
Спецтехника КАБИНА ОПЕРАТОРА (ВНУТРЕННЕЕ ОБОРУДОВАНИЕ КАБИНЫ) (СТАНДАРТНАЯ)

КАБИНА ОПЕРАТОРА (ВНУТРЕННЕЕ ОБОРУДОВАНИЕ КАБИНЫ) (СТАНДАРТНАЯ)

1Артикул: 715579...
2Артикул: 715579...
3Артикул: 722341...
Подробнее >