+7 (701) 588 50 05 Телефон для связи
RU

WhatsApp

Позвонить

КАРТЕР ДВИГАТЕЛЯ — Продажа в Казахстане Цены от официального дилера с доставкой в Алматы, Астану и регионы

Техника доступна в:
Полный спектр услуг:
Для Вашего удобства:
Характеристики и описание
Габариты, схема
Техническая документация
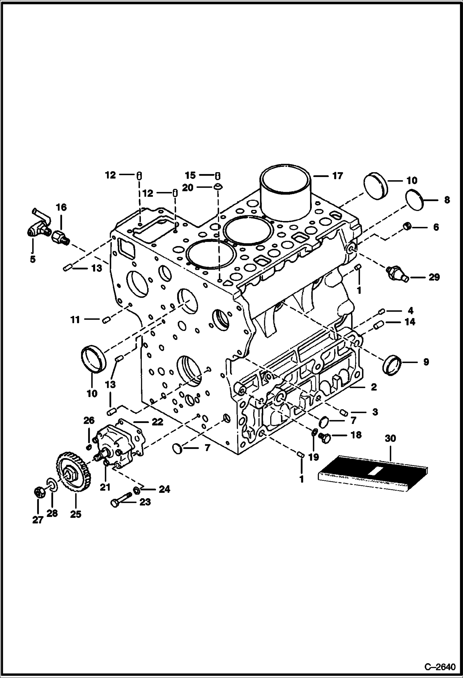
1 Артикул: 6598187, PLUG
2 Артикул: 6598717, CRANKCASE
3 Артикул: 6652574, PLUG Was 6598169 - A
4 Артикул: 3974399, PLUG
5 Артикул: 6672190, DRAINCOCK Was 6630177 - A
6 Артикул: 6598170, PLUG Was 6598190 - D
7 Артикул: 4FM18, PLUG
8 Артикул: 4FM45, PLUG
9 Артикул: 3974389, CAP, SEALING
10 Артикул: 3974390, PLUG
11 Артикул: 3974393, PIN straight
12 Артикул: 3974394, PIN
13 Артикул: 3974395, PIN
14 Артикул: 3974868, PIN
15 Артикул: 3974037, PIN
16 Артикул: 3974871, CONNECTOR Was 6598704 - A
17 Артикул: 6653792, LINER
18 Артикул: 6655884, PLUG Was 3974840B - A
19 Артикул: 3974095, GASKET, METAL
20 Артикул: 3974038, RING,O In 6630552 Gasket Kit
21 Артикул: 3974455, OIL PUMP oil
22 Артикул: 6666782, GASKET In 6630553 Gasket Kit - Was 3974456 - A
23 Артикул: 1CM648, BOLT
24 Артикул: 6EM60, WASHER, SPRING spring
25 Артикул: 3975441, GEAR, CAMSHAFT
26 Артикул: 6969805, KEY,FEATHER Was 15JM00410B - A
27 Артикул: 6653888, NUT
28 Артикул: 3974870, WASHER
29 Артикул: 6969775, SWITCH, OIL PRESSURE oil pressure - Was 6652576 - A
30 Артикул: GASKET, GASKET KIT See Illustration ENGINE/ B18477

КАРТЕР ДВИГАТЕЛЯ: Техника, которая работает на результат

КАРТЕР ДВИГАТЕЛЯ на Bobcat 600s Bobcat 643 501511001 И ВЫШЕ

Габаритные размеры

Габаритные размеры и схема КАРТЕР ДВИГАТЕЛЯ

Нажмите на схему для увеличения

Документация

Документация временно недоступна.

Похожая техника в категории: ЗАПЧАСТИ ДВИГАТЕЛЯ (Bobcat)

Спецтехника КОРОМЫСЛО КЛАПАНА И КЛАПАНЫ

КОРОМЫСЛО КЛАПАНА И КЛАПАНЫ

1Артикул: 665382...
2Артикул: 665382...
3Артикул: 397451...
Подробнее >
Спецтехника ОСНОВНОЙ КОРПУС ПОДШИПНИКА

ОСНОВНОЙ КОРПУС ПОДШИПНИКА

1Артикул: BEARIN...
2Артикул: 665381...
3Артикул: 665381...
Подробнее >
Спецтехника КАРДАННЫЙ ШАРНИР

КАРДАННЫЙ ШАРНИР

1Артикул: 659834...
2Артикул: 659830...
3Артикул: 520212...
Подробнее >
Спецтехника ДРОССЕЛЬНАЯ ЗАСЛОНКА И ВОЗДУШНАЯ ЗАСЛОНКА(СЕРИЙНЫЙ НОМЕР 11431 И НИЖЕ)

ДРОССЕЛЬНАЯ ЗАСЛОНКА И ВОЗДУШНАЯ ЗАСЛОНКА(СЕРИЙНЫЙ НОМЕР 11431 И НИЖЕ)

1Артикул: 655485...
2Артикул: 62D4, ...
3Артикул: 656249...
Подробнее >
Спецтехника ДВИГАТЕЛЬ И КРЕПЕЖНЫЕ ДЕТАЛИ

ДВИГАТЕЛЬ И КРЕПЕЖНЫЕ ДЕТАЛИ

1Артикул: 57D6, ...
2Артикул: 84G371...
3Артикул: 656786...
Подробнее >
Спецтехника СТОПОРНАЯ РУКОЯТКА

СТОПОРНАЯ РУКОЯТКА

1Артикул: 397497...
2Артикул: BOLT, ...
3Артикул: BOLT, ...
Подробнее >
Спецтехника ДЕРЖАТЕЛЬ ФОРСУНКИ

ДЕРЖАТЕЛЬ ФОРСУНКИ

1Артикул: 397425...
2Артикул: 397432...
3Артикул: 397432...
Подробнее >
Спецтехника ВОЗДУХООЧИСТИТЕЛЬ (СЕРИЙНЫЙ НОМЕР И ВЫШЕ)

ВОЗДУХООЧИСТИТЕЛЬ (СЕРИЙНЫЙ НОМЕР И ВЫШЕ)

1Артикул: 665601...
2Артикул: TANK, ...
3Артикул: 659849...
Подробнее >
Спецтехника ВОЗДУХООЧИСТИТЕЛЬ (СЕРИЙНЫЙ НОМЕР И НИЖЕ)

ВОЗДУХООЧИСТИТЕЛЬ (СЕРИЙНЫЙ НОМЕР И НИЖЕ)

1Артикул: 656340...
2Артикул: TANK, ...
3Артикул: 659849...
Подробнее >
Спецтехника ТОПЛИВНЫЙ НАСОС

ТОПЛИВНЫЙ НАСОС

1Артикул: 665520...
2Артикул: 397436...
3Артикул: 397436...
Подробнее >
Спецтехника ТОПЛИВНАЯ СИСТЕМА И НАСОС ВПРЫСКА

ТОПЛИВНАЯ СИСТЕМА И НАСОС ВПРЫСКА

1Артикул: 659812...
2Артикул: 397450...
3Артикул: 397450...
Подробнее >
Спецтехника ВОДЯНОЙ ФЛАНЕЦ И ТЕРМОСТАТ

ВОДЯНОЙ ФЛАНЕЦ И ТЕРМОСТАТ

1Артикул: FLANGE...
2Артикул: 664674...
3Артикул: 666680...
Подробнее >