+7 (701) 588 50 05 Телефон для связи
RU

WhatsApp

Позвонить

КАРТЕР ФРИКЦИОНА В СБОРЕ 2 — Продажа в Казахстане Цены от официального дилера с доставкой в Алматы, Астану и регионы

Техника доступна в:
Полный спектр услуг:
Для Вашего удобства:
Характеристики и описание
Габариты, схема
Техническая документация
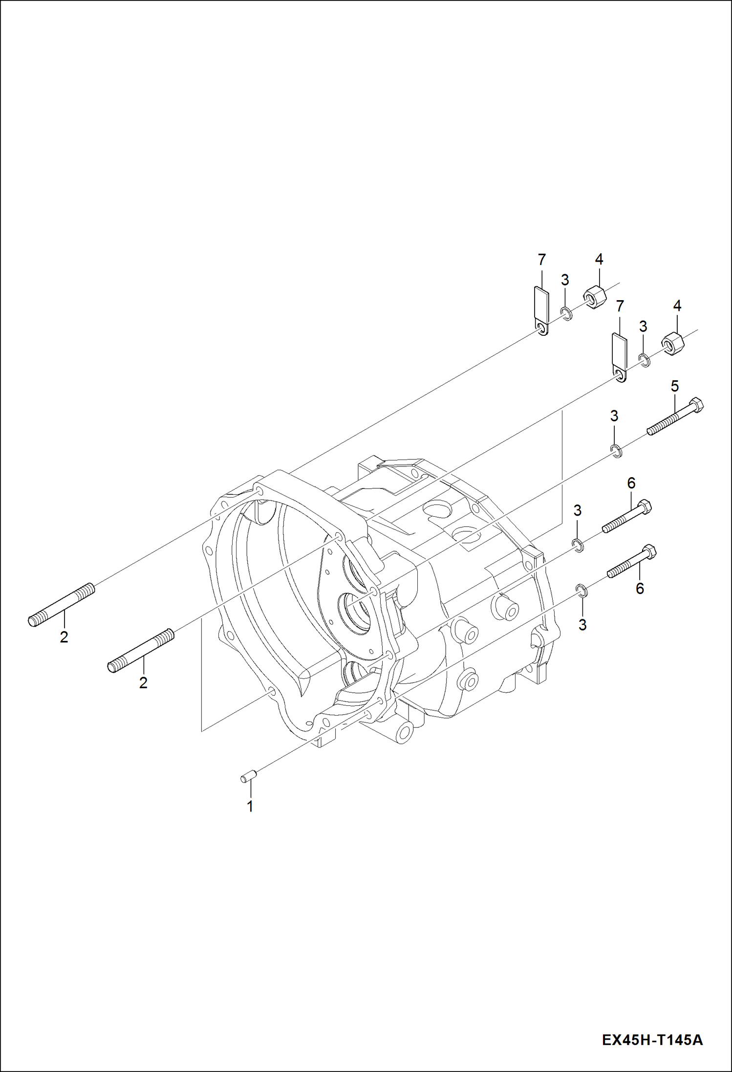
1 Артикул: 6694172, PIN STRAIGHT
2 Артикул: 6696784, STUD
3 Артикул: 6697776, WASHER SPRING
4 Артикул: 6694060, NUT
5 Артикул: 7012816, BOLT Was 6693999 - B
6 Артикул: 7002802, BOLT Was 7002495 - B
7 Артикул: 7002522, CLAMP

КАРТЕР ФРИКЦИОНА В СБОРЕ 2: Техника, которая работает на результат

КАРТЕР ФРИКЦИОНА В СБОРЕ 2 на Bobcat CT445 Bobcat ABHL11001 И ВЫШЕ W КАБИНА

Габаритные размеры

Габаритные размеры и схема КАРТЕР ФРИКЦИОНА В СБОРЕ 2

Нажмите на схему для увеличения

Документация

Документация временно недоступна.

Похожая техника в категории: ТРАНСМИССИЯ (Bobcat)

Спецтехника ДЕТАЛИ ГИДРОСТАТИЧЕСКОЙ ТРАНСМИССИИ

ДЕТАЛИ ГИДРОСТАТИЧЕСКОЙ ТРАНСМИССИИ

1Артикул: 700210...
2Артикул: 700209...
3Артикул: HOUSIN...
Подробнее >
Спецтехника КАРТЕР ПЕРЕДНЕГО МОСТА (ОДИН РУЛЕВОЙ ЦИЛИНДР)

КАРТЕР ПЕРЕДНЕГО МОСТА (ОДИН РУЛЕВОЙ ЦИЛИНДР)

1Артикул: 701299...
2Артикул: 701299...
3Артикул: 669753...
Подробнее >
Спецтехника КРОНШТЕЙН ПЕРЕДНЕГО МОСТА

КРОНШТЕЙН ПЕРЕДНЕГО МОСТА

1Артикул: 701330...
2Артикул: BRACKE...
3Артикул: 669565...
Подробнее >
Спецтехника КОРПУС ТОРМОЗА В СБОРЕ

КОРПУС ТОРМОЗА В СБОРЕ

1Артикул: 700294...
2Артикул: 700294...
3Артикул: 669641...
Подробнее >
Спецтехника ВАЛ КОНИЧЕСКОЙ ПЕРЕДАЧИ В СБОРЕ

ВАЛ КОНИЧЕСКОЙ ПЕРЕДАЧИ В СБОРЕ

1Артикул: 700196...
2Артикул: 700200...
3Артикул: 702104...
Подробнее >
Спецтехника ВИЛКА ПЕРЕКЛЮЧАТЕЛЯ В СБОРЕ

ВИЛКА ПЕРЕКЛЮЧАТЕЛЯ В СБОРЕ

1Артикул: 701079...
2Артикул: 701198...
3Артикул: 669675...
Подробнее >
Спецтехника УСТРОЙСТВО УПРАВЛЕНИЯ ГИДРОСТАТИЧЕСКОЙ ТРАНСМИССИИ

УСТРОЙСТВО УПРАВЛЕНИЯ ГИДРОСТАТИЧЕСКОЙ ТРАНСМИССИИ

1Артикул: 700257...
2Артикул: 669559...
3Артикул: 700251...
Подробнее >
Спецтехника КАРТЕР ФРИКЦИОНА В СБОРЕ 2

КАРТЕР ФРИКЦИОНА В СБОРЕ 2

1Артикул: 669417...
2Артикул: 669678...
3Артикул: 669777...
Подробнее >
Спецтехника КРЫШКА ЦИЛИНДРА В СБОРЕ (ОДИН РУЛЕВОЙ ЦИЛИНДР)

КРЫШКА ЦИЛИНДРА В СБОРЕ (ОДИН РУЛЕВОЙ ЦИЛИНДР)

1Артикул: 701299...
2Артикул: 701299...
3Артикул: 701281...
Подробнее >
Спецтехника ПЕДАЛЬ МЕХАНИЗМА БЛОКИРОВКИ ДИФФЕРЕНЦИАЛА В СБОРЕ

ПЕДАЛЬ МЕХАНИЗМА БЛОКИРОВКИ ДИФФЕРЕНЦИАЛА В СБОРЕ

1Артикул: 700332...
2Артикул: 669690...
3Артикул: 701032...
Подробнее >
Спецтехника ОПОРА ПЕРЕДНЕГО МОСТА И ДИФФЕРЕНЦИАЛ В СБОРЕ (ОДИН РУЛЕВОЙ ЦИЛИНДР)

ОПОРА ПЕРЕДНЕГО МОСТА И ДИФФЕРЕНЦИАЛ В СБОРЕ (ОДИН РУЛЕВОЙ ЦИЛИНДР)

1Артикул: 700218...
2Артикул: 669570...
3Артикул: 700213...
Подробнее >
Спецтехника ВИЛКА БЛОКИРОВКИ ДИФФЕРЕНЦИАЛА В СБОРЕ

ВИЛКА БЛОКИРОВКИ ДИФФЕРЕНЦИАЛА В СБОРЕ

1Артикул: 700255...
2Артикул: 700195...
3Артикул: 669632...
Подробнее >