+7 (701) 588 50 05 Телефон для связи
RU

WhatsApp

Позвонить

КАРТЕР РАСПРЕДЕЛИТЕЛЬНЫХ ШЕСТЕРЕН — Продажа в Казахстане Цены от официального дилера с доставкой в Алматы, Астану и регионы

Техника доступна в:
Полный спектр услуг:
Для Вашего удобства:
Характеристики и описание
Габариты, схема
Техническая документация
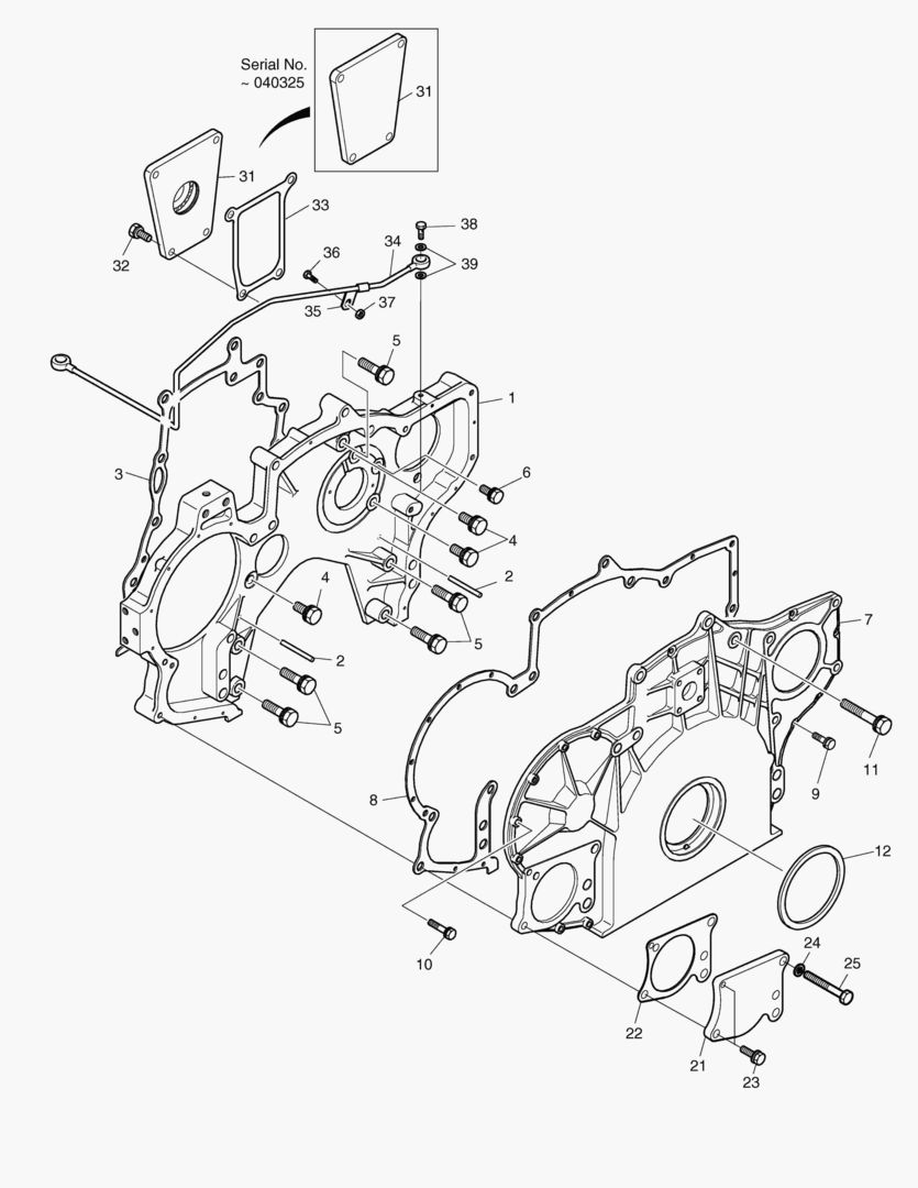
1 Артикул: 65.01304-0023C, CASE;TIMING GEAR
2 Артикул: 130405-00105, TIMING GEAR CASE;CYL,BODY TO BRG,CAP
3 Артикул: 65.91010-0017, PIN;DOWEL Г?8m6X60
4 Артикул: 65.01903-0048B, GASKET
5 Артикул: 06.01943-3317, BOLT ASS`Y M12X1.5X30
6 Артикул: 06.01943-3320, BOLT ASS`Y M12X1.5X45
7 Артикул: 06.01913-3215, BOLT ASS`Y M10X25
8 Артикул: 65.01305-5049G, T.G.C. COVER ASS`Y
9 Артикул: 65.01903-0050, GASKET;T.G.C COVER
10 Артикул: 400628-00028, GASKET,TIMING GEAR CASE COVER
11 Артикул: 06.01923-2914, BOLT ASS`Y M6X22
12 Артикул: 06.01923-2917, BOLT ASS`Y M6X30
13 Артикул: 06.01953-3326, BOLT ASS`Y M12X1.5X75
14 Артикул: 65.01510-0157, SEAL;OIL(FRONT)
15 Артикул: 60.91601-0010, COVER
16 Артикул: 65.47901-0010, GASKET;P/S PUMP
17 Артикул: 06.01013-9221, BOLT;HEX. M10X80
18 Артикул: 06.16731-2108, WASHER;SPRING
19 Артикул: 65.91601-0003, COVER;BLIND
20 Артикул: 65.91601-6003, COVER;BLIND
21 Артикул: 06.01924-3217, BOLT ASS`Y M10X30
22 Артикул: 65.54901-0025A, GASKET;AIR COMPRESSOR
23 Артикул: 65.05701-5361, OIL PIPE ASS`Y
24 Артикул: 65.97401-0152, CLIP;PIPE
25 Артикул: 06.01913-2910, BOLT;HEX M6X12
26 Артикул: 06.11063-8212, NUT
27 Артикул: 65.98150-0056, SCREW;HOLLOW
28 Артикул: 06.56180-0712, RING;SEAL

КАРТЕР РАСПРЕДЕЛИТЕЛЬНЫХ ШЕСТЕРЕН: Техника, которая работает на результат

КАРТЕР РАСПРЕДЕЛИТЕЛЬНЫХ ШЕСТЕРЕН на Doosan Колесные погрузчики MEGA 300-V (S/N 1001~)

Габаритные размеры

Габаритные размеры и схема КАРТЕР РАСПРЕДЕЛИТЕЛЬНЫХ ШЕСТЕРЕН

Нажмите на схему для увеличения

Документация

Документация временно недоступна.

Похожая техника в категории: ДЕТАЛИ ДВИГАТЕЛЯ - Tier-2 (Develon)

Спецтехника 270 NOZZLE & HOLDER

270 NOZZLE & HOLDER

1Артикул: 65.101...
2Артикул: 105030...
3Артикул: 65.101...
Подробнее >
Спецтехника 240 EXHAUST MANIFOLD

240 EXHAUST MANIFOLD

1Артикул: 65.081...
2Артикул: 65.081...
3Артикул: 65.081...
Подробнее >
Спецтехника МАСЛЯНЫЙ ФИЛЬТР

МАСЛЯНЫЙ ФИЛЬТР

1Артикул: 65.055...
2Артикул: 65.055...
3Артикул: 65.055...
Подробнее >
Спецтехника УСТАНОВКА ГЕНЕРАТОРА ПЕРЕМЕННОГО ТОКА

УСТАНОВКА ГЕНЕРАТОРА ПЕРЕМЕННОГО ТОКА

1Артикул: 65.191...
2Артикул: 110403...
3Артикул: 06.019...
Подробнее >
Спецтехника ПРИВОДНАЯ СИСТЕМА

ПРИВОДНАЯ СИСТЕМА

1Артикул: 65.021...
2Артикул: 65.021...
3Артикул: 65.021...
Подробнее >
Спецтехника КРЫШКА ГОЛОВКИ ЦИЛИНДРА

КРЫШКА ГОЛОВКИ ЦИЛИНДРА

1Артикул: 65.034...
2Артикул: 65.034...
3Артикул: 65.039...
Подробнее >
Спецтехника 230 WATER PUMP

230 WATER PUMP

1Артикул: 65.065...
2Артикул: 65.065...
3Артикул: 65.065...
Подробнее >
Спецтехника КАРТЕР МАХОВИКА

КАРТЕР МАХОВИКА

1Артикул: 65.014...
2Артикул: 65.019...
3Артикул: 06.020...
Подробнее >
Спецтехника ТОПЛИВНЫЙ ФИЛЬТР

ТОПЛИВНЫЙ ФИЛЬТР

1Артикул: 65.125...
2Артикул: 65.125...
3Артикул: 65.125...
Подробнее >
Спецтехника КОМПЛЕКТ ПРОКЛАДОК ДЛЯ КАПИТАЛЬНОГО РЕМОНТА-ВСЕ

КОМПЛЕКТ ПРОКЛАДОК ДЛЯ КАПИТАЛЬНОГО РЕМОНТА-ВСЕ

1Артикул: 65.996...
2Артикул: 65.019...
3Артикул: 65.019...
Подробнее >
Спецтехника ТУРБОНАГНЕТАТЕЛЬ

ТУРБОНАГНЕТАТЕЛЬ

1Артикул: 65.091...
2Артикул: 65.099...
3Артикул: 65.099...
Подробнее >
Спецтехника 150 CYLINDER HEAD

150 CYLINDER HEAD

1Артикул: 65.031...
2Артикул: 65.031...
3Артикул: 65.031...
Подробнее >