+7 (701) 588 50 05 Телефон для связи
RU

WhatsApp

Позвонить

КЛАПАН КОЛЛЕКТОРА ДВИГАТЕЛЯ (ДЛЯ 21-3501AN-JSBJ) — Продажа в Казахстане Цены от официального дилера с доставкой в Алматы, Астану и регионы

Техника доступна в:
Полный спектр услуг:
Для Вашего удобства:
Характеристики и описание
Габариты, схема
Техническая документация
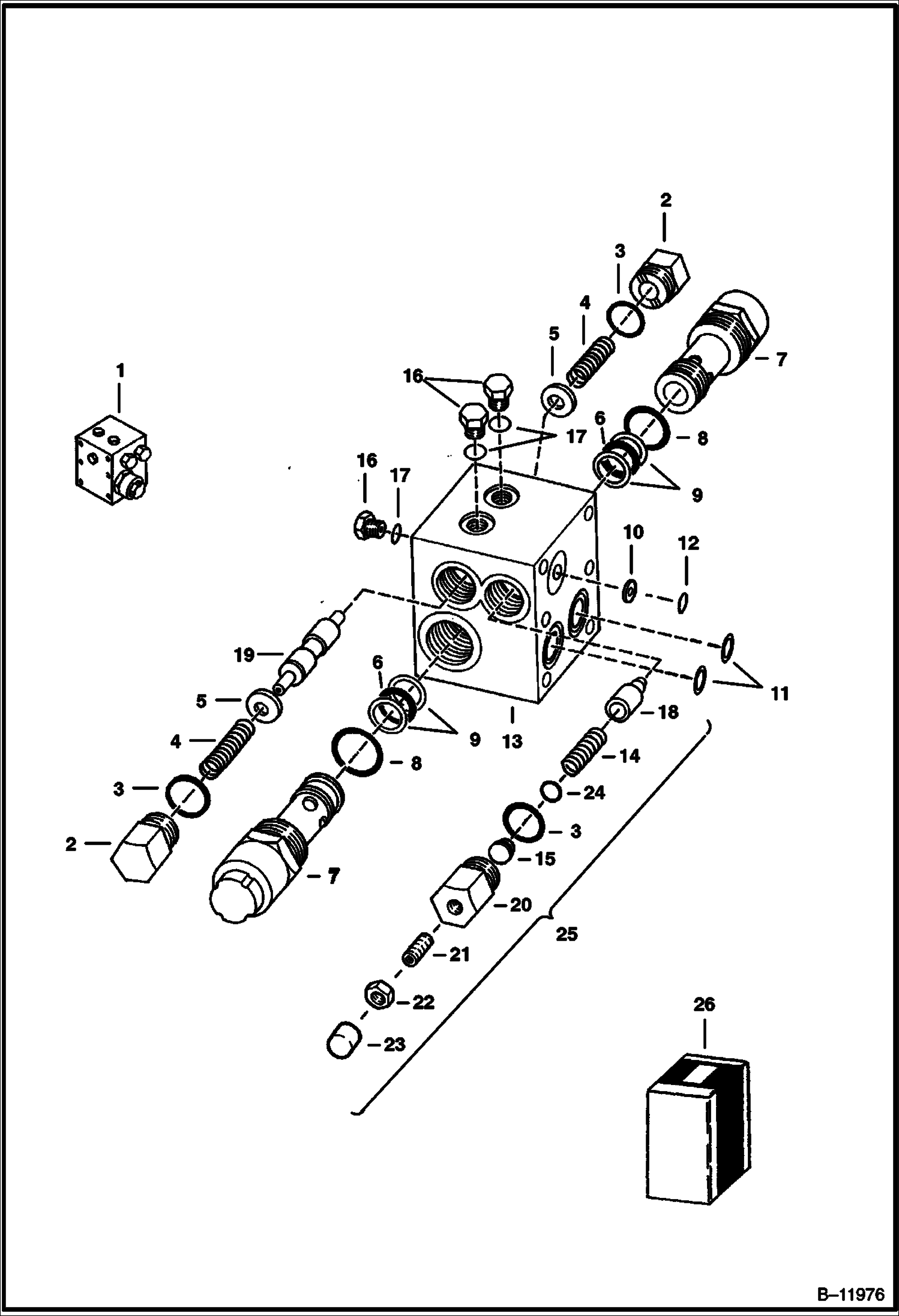
1 Артикул: 6649936, VALVE
2 Артикул: 6648276, PLUG
3 Артикул: 79K10, O RING 10
4 Артикул: 6518650, SPRING
5 Артикул: 6518727, WASHER
6 Артикул: O-RING, O-RING NSS
7 Артикул: 6518416, RELIEF VALVE
8 Артикул: O-RING, O-RING NSS
9 Артикул: BACKUP, BACKUP RING NSS
10 Артикул: 6649933, ORIFICE
11 Артикул: O-RING, O-RING NSS
12 Артикул: O-RING, O-RING NSS
13 Артикул: HOUSING, HOUSING NSS
14 Артикул: 6648280, SPRING
15 Артикул: 6648253, PLUNGER
16 Артикул: 6645085, PLUG
17 Артикул: 79K4, O RING 10
18 Артикул: 961441, CHARGE charge relief
19 Артикул: SPOOL, SPOOL NSS
20 Артикул: 6648283, PLUG
21 Артикул: 6648255, SCREW
22 Артикул: 6648256, NUT
23 Артикул: 6648257, COVER
24 Артикул: 6645079, O-RING
25 Артикул: 6649937, CHARGE RELIEF assy.
26 Артикул: 6518664, SEAL KIT Ref. 6, 8 & 9
27 Артикул: 6518500, SEAL KIT Ref. 11 & 12

КЛАПАН КОЛЛЕКТОРА ДВИГАТЕЛЯ (ДЛЯ 21-3501AN-JSBJ): Техника, которая работает на результат

КЛАПАН КОЛЛЕКТОРА ДВИГАТЕЛЯ (ДЛЯ 21-3501AN-JSBJ) на Bobcat 900s Bobcat 980 5053M11001 И ВЫШЕ

Габаритные размеры

Габаритные размеры и схема КЛАПАН КОЛЛЕКТОРА ДВИГАТЕЛЯ (ДЛЯ 21-3501AN-JSBJ)

Нажмите на схему для увеличения

Документация

Документация временно недоступна.

Похожая техника в категории: ГИДРОСТАТИЧЕСКАЯ СИСТЕМА (Bobcat)

Спецтехника РАСПРЕДЕЛИТЕЛЬ РЕГУЛИРОВАНИЯ РАБОЧЕГО ОБЪЕМА

РАСПРЕДЕЛИТЕЛЬ РЕГУЛИРОВАНИЯ РАБОЧЕГО ОБЪЕМА

1Артикул: 651853...
2Артикул: 651267...
3Артикул: 651865...
Подробнее >
Спецтехника ГИДРОСТАТИЧЕСКИЙ НАСОС И КРЕПЕЖНЫЕ ДЕТАЛИ

ГИДРОСТАТИЧЕСКИЙ НАСОС И КРЕПЕЖНЫЕ ДЕТАЛИ

1Артикул: PUMP, ...
2Артикул: 659949...
3Артикул: 17C448...
Подробнее >
Спецтехника ГИДРОСТАТИЧЕСКИЙ НАСОС (МОДЕЛЬ 22-2073)

ГИДРОСТАТИЧЕСКИЙ НАСОС (МОДЕЛЬ 22-2073)

1Артикул: PUMP, ...
2Артикул: 659949...
3Артикул: 17C632...
Подробнее >
Спецтехника ГИДРОСТАТИЧЕСКИЙ ДВИГАТЕЛЬ (21-3501AN-JSBJ - СЕРИЙНЫЙ НОМЕР 11036 И ВЫШЕ)

ГИДРОСТАТИЧЕСКИЙ ДВИГАТЕЛЬ (21-3501AN-JSBJ - СЕРИЙНЫЙ НОМЕР 11036 И ВЫШЕ)

1Артикул: MOTOR,...
2Артикул: 665582...
3Артикул: 666908...
Подробнее >
Спецтехника КЛАПАН КОЛЛЕКТОРА ДВИГАТЕЛЯ (22-3505ANGSBG)

КЛАПАН КОЛЛЕКТОРА ДВИГАТЕЛЯ (22-3505ANGSBG)

1Артикул: VALVE,...
2Артикул: 24K7, ...
3Артикул: 79K10,...
Подробнее >
Спецтехника ГИДРОСТАТИЧЕСКИЙ НАСОС (МОДЕЛЬ 22-2501AA-REDX)

ГИДРОСТАТИЧЕСКИЙ НАСОС (МОДЕЛЬ 22-2501AA-REDX)

1Артикул: PUMP, ...
2Артикул: 698800...
3Артикул: 17C632...
Подробнее >
Спецтехника ОРГАНЫ РУЧНОГО УПРАВЛЕНИЯ

ОРГАНЫ РУЧНОГО УПРАВЛЕНИЯ

1Артикул: 25E18,...
2Артикул: 1F316,...
3Артикул: 650175...
Подробнее >
Спецтехника ГИДРОСТАТИЧЕСКИЙ НАГНЕТАТЕЛЬНЫЙ НАСОС (МОДЕЛЬ 22-2073)

ГИДРОСТАТИЧЕСКИЙ НАГНЕТАТЕЛЬНЫЙ НАСОС (МОДЕЛЬ 22-2073)

1Артикул: PUMP, ...
2Артикул: BOLT, ...
3Артикул: WASHER...
Подробнее >
Спецтехника ГИДРОСТАТИЧЕСКИЙ НАГНЕТАТЕЛЬНЫЙ НАСОС (МОДЕЛЬ 25-2501AA-REDX)

ГИДРОСТАТИЧЕСКИЙ НАГНЕТАТЕЛЬНЫЙ НАСОС (МОДЕЛЬ 25-2501AA-REDX)

1Артикул: 664824...
2Артикул: 17C448...
3Артикул: 651847...
Подробнее >
Спецтехника СХЕМА ГИДРОСТАТИЧЕСКОЙ СИСТЕМЫ

СХЕМА ГИДРОСТАТИЧЕСКОЙ СИСТЕМЫ

1Артикул: 650173...
2Артикул: HOSE, ...
3Артикул: 42H12,...
Подробнее >
Спецтехника ГИДРОСТАТИЧЕСКИЙ ДВИГАТЕЛЬ (22-3505AN-GSBG - СЕРИЙНЫЙ НОМЕР 11035 И НИЖЕ)

ГИДРОСТАТИЧЕСКИЙ ДВИГАТЕЛЬ (22-3505AN-GSBG - СЕРИЙНЫЙ НОМЕР 11035 И НИЖЕ)

1Артикул: MOTOR,...
2Артикул: 663171...
3Артикул: 414982...
Подробнее >