+7 (701) 588 50 05 Телефон для связи
RU

WhatsApp

Позвонить

КЛАПАН С ДИСТАНЦИОННЫМ УПРАВЛЕНИЕМ - РЫЧАГ ПЕРЕДАЧИ — Продажа в Казахстане Цены от официального дилера с доставкой в Алматы, Астану и регионы

Техника доступна в:
Полный спектр услуг:
Для Вашего удобства:
Характеристики и описание
Габариты, схема
Техническая документация
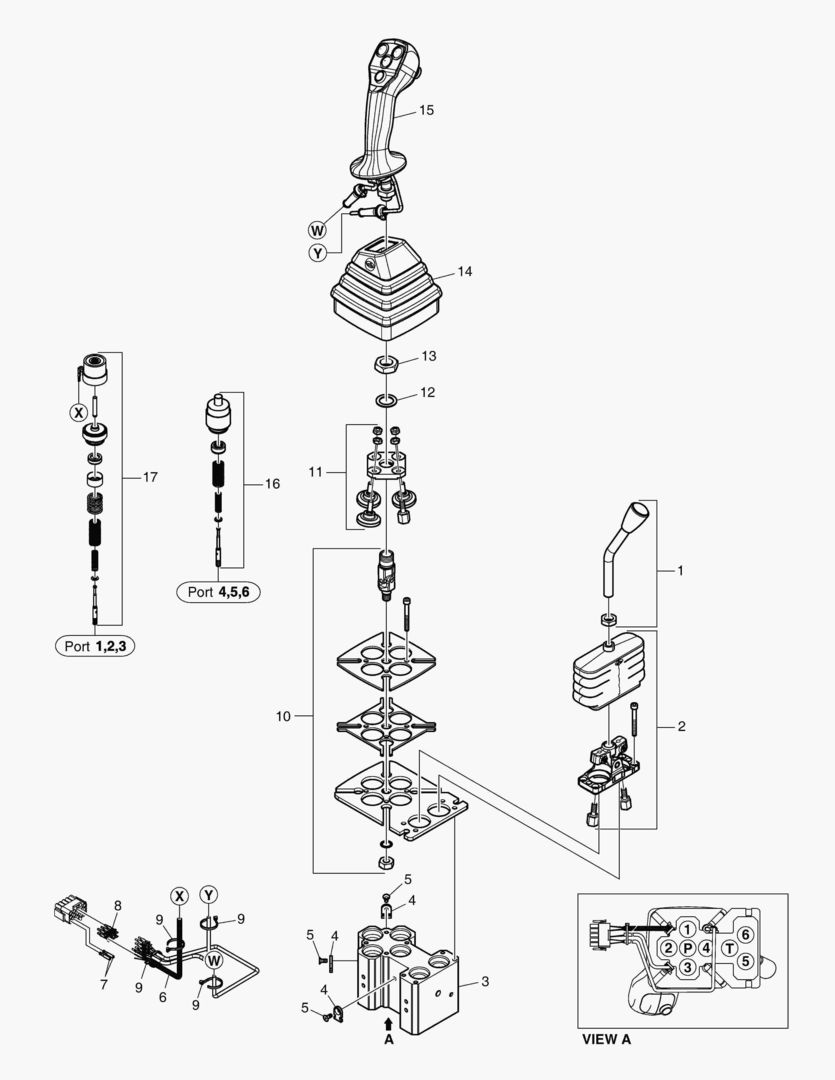
1 Артикул: 410113-00156A, VALVE ASSY,JOYSTICK
2 Артикул: 101101-00233, LEVER KIT;2ND
3 Артикул: 410207-00402, SPOOL KIT
4 Артикул: 160601-00771, BODY
5 Артикул: 110958-01843, SUPPORT;CLIP
6 Артикул: 120112-01047, BOLT
7 Артикул: 310401-00987, CABLE KIT
8 Артикул: 2.550-00001, PIN;KEYING
9 Артикул: 2.550-00002, TERMINAL
10 Артикул: 120402-00335, CLIP,BAND
11 Артикул: 250201-02226, PLATE KIT
12 Артикул: 430215-01884, FLANGE KIT;HANDLE UPPER
13 Артикул: 120808-00605, WASHER
14 Артикул: S4013051, NUT-HEXAGON
15 Артикул: 430205-00072, BELLOWS
16 Артикул: 110925-00228, HANDLE
17 Артикул: 410207-00403, SPOOL KIT(UT4,5,6)
18 Артикул: 410207-01008, SPOOL KIT(UT1,2,3)

КЛАПАН С ДИСТАНЦИОННЫМ УПРАВЛЕНИЕМ - РЫЧАГ ПЕРЕДАЧИ: Техника, которая работает на результат

КЛАПАН С ДИСТАНЦИОННЫМ УПРАВЛЕНИЕМ - РЫЧАГ ПЕРЕДАЧИ на Doosan Колесные погрузчики DL420-5 CVT(S/N:10021~)

Габаритные размеры

Габаритные размеры и схема КЛАПАН С ДИСТАНЦИОННЫМ УПРАВЛЕНИЕМ - РЫЧАГ ПЕРЕДАЧИ

Нажмите на схему для увеличения

Документация

Документация временно недоступна.

Похожая техника в категории: ГИДРАВЛИЧЕСКИЕ ЗАПЧАСТИ (Develon)

Спецтехника ОСНОВНОЙ НАСОС

ОСНОВНОЙ НАСОС

1Артикул: 400911...
2Артикул: 130602...
3Артикул: 400323...
Подробнее >
Спецтехника ТОРМОЗ - ЗАДНЯЯ ОСЬ

ТОРМОЗ - ЗАДНЯЯ ОСЬ

1Артикул: 130602...
2Артикул: K90002...
3Артикул: K90002...
Подробнее >
Спецтехника АВАРИЙНЫЙ НАСОС РУЛЕВОГО УПРАВЛЕНИЯ

АВАРИЙНЫЙ НАСОС РУЛЕВОГО УПРАВЛЕНИЯ

1Артикул: 400917...
2Артикул: 300506...
3Артикул: 400910...
Подробнее >
Спецтехника РУЛЕВОЙ ЦИЛИНДР

РУЛЕВОЙ ЦИЛИНДР

1Артикул: 400331...
2Артикул: 420402...
3Артикул: 400337...
Подробнее >
Спецтехника 3440 CONTROL VALVE

3440 CONTROL VALVE

1Артикул: 410105...
2Артикул: 401107...
3Артикул: K90027...
Подробнее >
Спецтехника ДИФФЕРЕНЦИАЛ ВОДИЛА - ЗАДНЯЯ ОСЬ(СТАНДАРТНЫЙ)

ДИФФЕРЕНЦИАЛ ВОДИЛА - ЗАДНЯЯ ОСЬ(СТАНДАРТНЫЙ)

1Артикул: 110931...
2Артикул: 140107...
3Артикул: K90002...
Подробнее >
Спецтехника УСИЛИТЕЛЬ ПОДАЧИ

УСИЛИТЕЛЬ ПОДАЧИ

1Артикул: 300402...
2Артикул: 410104...
3Артикул: -, VAL...
Подробнее >
Спецтехника КЛАПАН ЗАРЯДКИ АККУМУЛЯТОРА

КЛАПАН ЗАРЯДКИ АККУМУЛЯТОРА

1Артикул: 410116...
2Артикул: -, BOD...
3Артикул: K90022...
Подробнее >
Спецтехника ВТОРИЧНЫЙ ВАЛ - ПЕРЕДНЯЯ ОСЬ

ВТОРИЧНЫЙ ВАЛ - ПЕРЕДНЯЯ ОСЬ

1Артикул: 110931...
2Артикул: 1.420-...
3Артикул: K90002...
Подробнее >
Спецтехника ДИФФЕРЕНЦИАЛ ВОДИЛА - ЗАДНЯЯ ОСЬ (ОТКРЫТЫЙ)

ДИФФЕРЕНЦИАЛ ВОДИЛА - ЗАДНЯЯ ОСЬ (ОТКРЫТЫЙ)

1Артикул: 110931...
2Артикул: 140107...
3Артикул: K90002...
Подробнее >
Спецтехника РЕМОНТНЫЙ КЛАПАН-2 SP+ 2 РЫЧАГА

РЕМОНТНЫЙ КЛАПАН-2 SP+ 2 РЫЧАГА

1Артикул: K10031...
2Артикул: K90027...
3Артикул: K90027...
Подробнее >
Спецтехника ВТОРИЧНЫЙ ВАЛ

ВТОРИЧНЫЙ ВАЛ

1Артикул: K90001...
2Артикул: 2.461-...
3Артикул: 1.180-...
Подробнее >