+7 (701) 588 50 05 Телефон для связи
RU

WhatsApp

Позвонить

КОМПЛЕКТ ДЕТАЛЕЙ ВЕРХНЕГО УПЛОТНИТЕЛЬНОГО КОЛЬЦА (KUBOTA D722) — Продажа в Казахстане Цены от официального дилера с доставкой в Алматы, Астану и регионы

Техника доступна в:
Полный спектр услуг:
Для Вашего удобства:
Характеристики и описание
Габариты, схема
Техническая документация
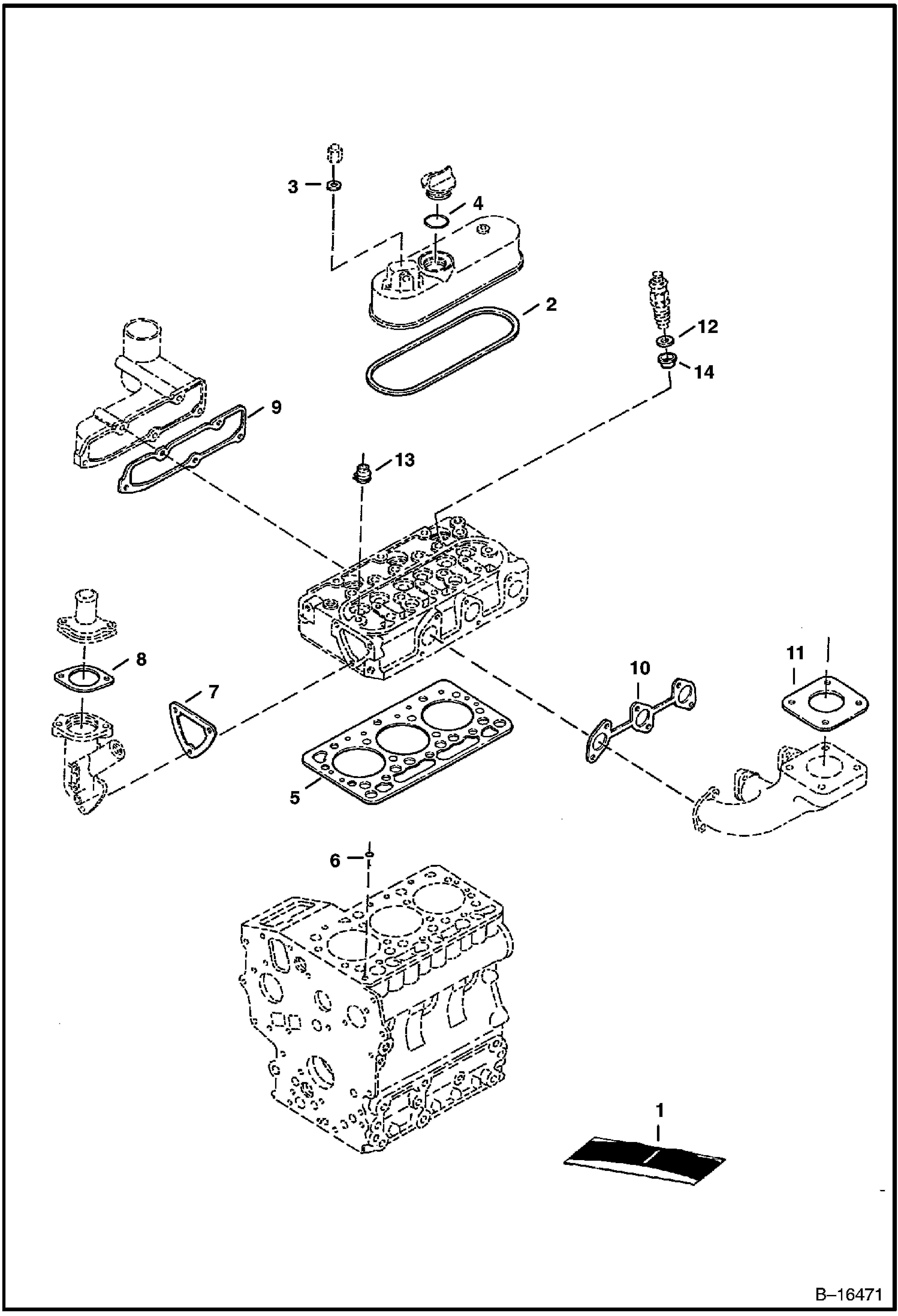
1 Артикул: 6672739, UPPER GASKET KIT Upper - W/Ref. 2 - 14
2 Артикул: 6670372, GASKET valve cover
3 Артикул: 3974972, GASKET valve cover nut
4 Артикул: 6684782, O-RING oil fill plug - Was 3966602 - A
5 Артикул: 6670354, GASKET head
6 Артикул: 3974038, RING,O block to head
7 Артикул: 6670500, GASKET thermostat housing
8 Артикул: 6681757, GASKET THERMOSTAT Was 6666813 - A
9 Артикул: 6670535, GASKET intake manifold
10 Артикул: 6670530, GASKET exhaust manifold
11 Артикул: 6575580, GASKET muffler
12 Артикул: 6655218, GASKET injector
13 Артикул: 6670517, SEAL valve stem
14 Артикул: 6655872, HEAT SEAL injector

КОМПЛЕКТ ДЕТАЛЕЙ ВЕРХНЕГО УПЛОТНИТЕЛЬНОГО КОЛЬЦА (KUBOTA D722): Техника, которая работает на результат

КОМПЛЕКТ ДЕТАЛЕЙ ВЕРХНЕГО УПЛОТНИТЕЛЬНОГО КОЛЬЦА (KUBOTA D722) на Bobcat 400s Bobcat 463 519911001 И ВЫШЕ, 520011001 И ВЫШЕ

Габаритные размеры

Габаритные размеры и схема КОМПЛЕКТ ДЕТАЛЕЙ ВЕРХНЕГО УПЛОТНИТЕЛЬНОГО КОЛЬЦА (KUBOTA D722)

Нажмите на схему для увеличения

Документация

Документация временно недоступна.

Похожая техника в категории: ЗАПЧАСТИ ДВИГАТЕЛЯ (Bobcat)

Спецтехника ДВИГАТЕЛЬ И КРЕПЕЖНЫЕ ДЕТАЛИ (РЕМЕНЬ ПРИВОДА, ГИДРАВЛИКА) (СЕРИЙНЫЙ НОМЕР 5200 11680 И НИЖЕ, 5199 11409 И НИЖЕ)

ДВИГАТЕЛЬ И КРЕПЕЖНЫЕ ДЕТАЛИ (РЕМЕНЬ ПРИВОДА, ГИДРАВЛИКА) (СЕРИЙНЫЙ НОМЕР 5200 11680 И НИЖЕ, 5199 11409 И НИЖЕ)

1Артикул: 671387...
2Артикул: 83D6, ...
3Артикул: 667878...
Подробнее >
Спецтехника ВОЗДУШНЫЙ ФИЛЬТР

ВОЗДУШНЫЙ ФИЛЬТР

1Артикул: 667331...
2Артикул: TANK, ...
3Артикул: 667470...
Подробнее >
Спецтехника РЕГУЛЯТОР ОБОРОТОВ (KUBOTA D722)

РЕГУЛЯТОР ОБОРОТОВ (KUBOTA D722)

1Артикул: 667045...
2Артикул: 701696...
3Артикул: PLUG, ...
Подробнее >
Спецтехника КРЫШКА КОРОМЫСЛА КЛАПАНА (KUBOTA D722)

КРЫШКА КОРОМЫСЛА КЛАПАНА (KUBOTA D722)

1Артикул: 668300...
2Артикул: 667037...
3Артикул: 665522...
Подробнее >
Спецтехника ОСНОВНОЙ КОРПУС ПОДШИПНИКА (KUBOTA D722)

ОСНОВНОЙ КОРПУС ПОДШИПНИКА (KUBOTA D722)

1Артикул: CASE, ...
2Артикул: 700037...
3Артикул: 667037...
Подробнее >
Спецтехника ВОДЯНАЯ ПОМПА (KUBOTA D722)

ВОДЯНАЯ ПОМПА (KUBOTA D722)

1Артикул: 667050...
2Артикул: BODY, ...
3Артикул: BEARIN...
Подробнее >
Спецтехника КОМПЛЕКТ НИЖНИХ ПРОКЛАДОК (KUBOTA D722)

КОМПЛЕКТ НИЖНИХ ПРОКЛАДОК (KUBOTA D722)

1Артикул: 667274...
2Артикул: 396651...
3Артикул: 667035...
Подробнее >
Спецтехника КОРОМЫСЛО КЛАПАНА И КЛАПАНЫ (KUBOTA D722)

КОРОМЫСЛО КЛАПАНА И КЛАПАНЫ (KUBOTA D722)

1Артикул: 667051...
2Артикул: 667051...
3Артикул: 667051...
Подробнее >
Спецтехника ДВИГАТЕЛЬ И КРЕПЕЖНЫЕ ДЕТАЛИ (ВХОДНОЕ ОТВЕРСТИК И ВЫХЛОПНОЙ КОЛЛЕКТОР)

ДВИГАТЕЛЬ И КРЕПЕЖНЫЕ ДЕТАЛИ (ВХОДНОЕ ОТВЕРСТИК И ВЫХЛОПНОЙ КОЛЛЕКТОР)

1Артикул: 671844...
2Артикул: 42HC25...
3Артикул: 651500...
Подробнее >
Спецтехника ТОПЛИВНАЯ СИСТЕМА И НАСОС ВПРЫСКА (KUBOTA D722)

ТОПЛИВНАЯ СИСТЕМА И НАСОС ВПРЫСКА (KUBOTA D722)

1Артикул: 667049...
2Артикул: 1CM616...
3Артикул: 667078...
Подробнее >
Спецтехника ДВИГАТЕЛЬ И КРЕПЕЖНЫЕ ДЕТАЛИ (РЕМЕНЬ ПРИВОДА, ГИДРАВЛИКА) (СЕРИЙНЫЙ НОМЕР 5200 11681 И ВЫШЕ, 5199 11410 И ВЫШЕ)

ДВИГАТЕЛЬ И КРЕПЕЖНЫЕ ДЕТАЛИ (РЕМЕНЬ ПРИВОДА, ГИДРАВЛИКА) (СЕРИЙНЫЙ НОМЕР 5200 11681 И ВЫШЕ, 5199 11410 И ВЫШЕ)

1Артикул: 671387...
2Артикул: 83D6, ...
3Артикул: 667878...
Подробнее >
Спецтехника НАСОС ВПРЫСКА (KUBOTA D722)

НАСОС ВПРЫСКА (KUBOTA D722)

1Артикул: 667044...
2Артикул: 665746...
3Артикул: 665743...
Подробнее >