+7 (701) 588 50 05 Телефон для связи
RU

WhatsApp

Позвонить

КОМПЛЕКТ НИЖНИХ ПРОКЛАДОК (KUBOTA D722-E2B-BC-1) — Продажа в Казахстане Цены от официального дилера с доставкой в Алматы, Астану и регионы

Техника доступна в:
Полный спектр услуг:
Для Вашего удобства:
Характеристики и описание
Габариты, схема
Техническая документация
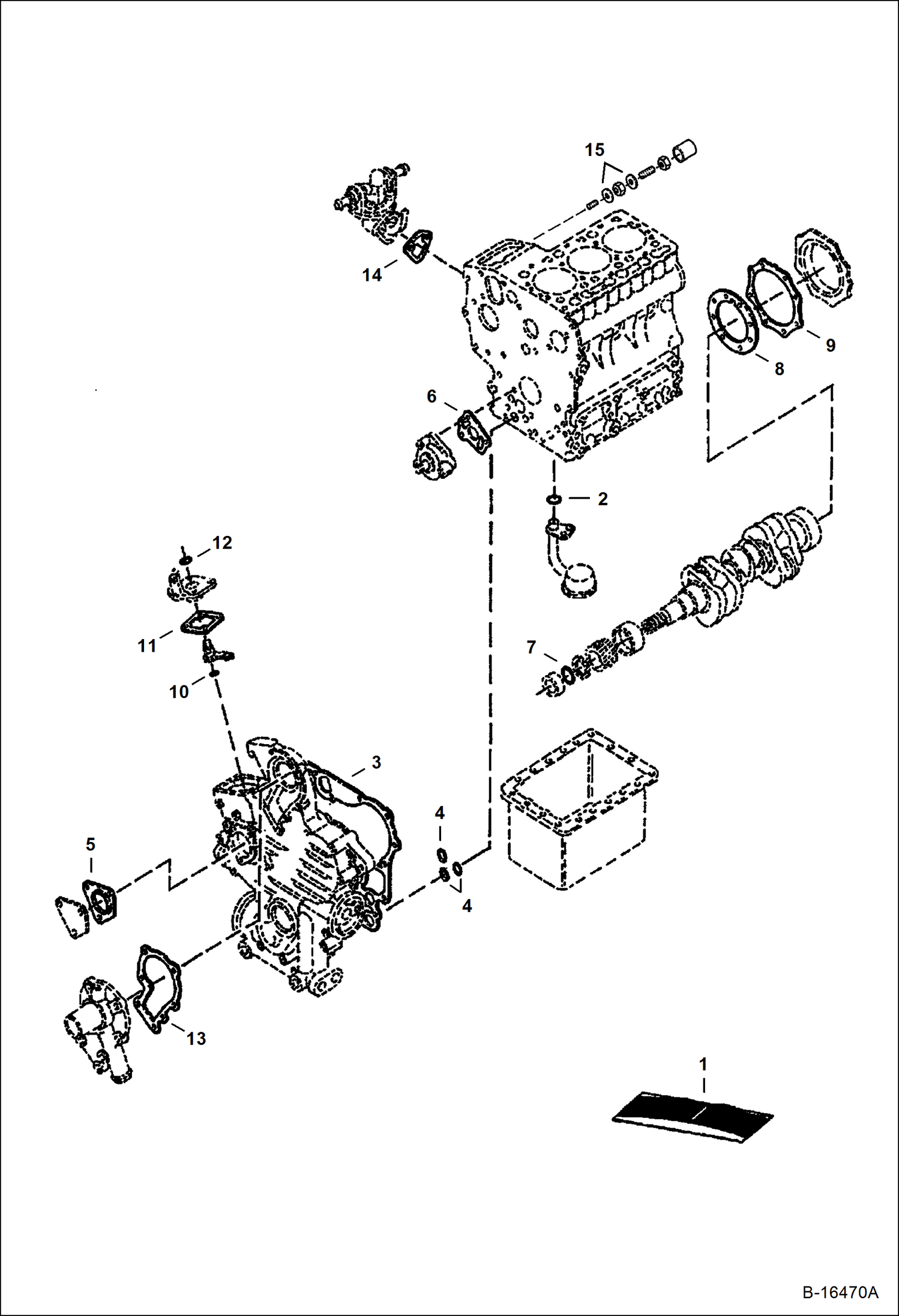
1 Артикул: 6689015, GASKET KIT lower - W/Ref. 2-14
2 Артикул: 3966516, RING,O oil pick-up tube
3 Артикул: 6670356, GASKET gearcase
4 Артикул: 6599081, O-RING gearcase
5 Артикул: 6670363, GASKET front cover
6 Артикул: 6670341, GASKET oil pump
7 Артикул: 6670415, O-RING crankshaft
8 Артикул: 6670377, GASKET rearcover
9 Артикул: 7000494, GASKET rear cover - Was 6670379 - A
10 Артикул: 3974280, O RING speed control lever
11 Артикул: 6670457, GASKET speed control plate
12 Артикул: 6670459, O-RING speed control lever
13 Артикул: 7000377, GASKET, PUMP WATER water pump - Was 6670509 - A
14 Артикул: 6670782, GASKET fuel pump
15 Артикул: 3974095, GASKET, METAL adjusting bolt

КОМПЛЕКТ НИЖНИХ ПРОКЛАДОК (KUBOTA D722-E2B-BC-1): Техника, которая работает на результат

КОМПЛЕКТ НИЖНИХ ПРОКЛАДОК (KUBOTA D722-E2B-BC-1) на Bobcat 400s Bobcat 463 519911001 И ВЫШЕ, 520011001 И ВЫШЕ

Габаритные размеры

Габаритные размеры и схема КОМПЛЕКТ НИЖНИХ ПРОКЛАДОК (KUBOTA D722-E2B-BC-1)

Нажмите на схему для увеличения

Документация

Документация временно недоступна.

Похожая техника в категории: СМЕННЫЙ ДВИГАТЕЛЬ (Bobcat)

Спецтехника ПОРШЕНЬ И КОЛЕНЧАТЫЙ ВАЛ (KUBOTA D722-E2B-BC-1)

ПОРШЕНЬ И КОЛЕНЧАТЫЙ ВАЛ (KUBOTA D722-E2B-BC-1)

1Артикул: 700037...
2Артикул: 667039...
3Артикул: 667039...
Подробнее >
Спецтехника КОМПЛЕКТ ДЕТАЛЕЙ ВЕРХНЕГО УПЛОТНИТЕЛЬНОГО КОЛЬЦА (KUBOTA D722-E2B-BC-1)

КОМПЛЕКТ ДЕТАЛЕЙ ВЕРХНЕГО УПЛОТНИТЕЛЬНОГО КОЛЬЦА (KUBOTA D722-E2B-BC-1)

1Артикул: UPPER,...
2Артикул: 668806...
3Артикул: 397497...
Подробнее >
Спецтехника ГОЛОВКА ЦИЛИНДРА (KUBOTA D722-E2B-BC-1)

ГОЛОВКА ЦИЛИНДРА (KUBOTA D722-E2B-BC-1)

1Артикул: 668805...
2Артикул: 668805...
3Артикул: 701696...
Подробнее >
Спецтехника РАСПРЕДЕЛИТЕЛЬНЫЙ ВАЛ (KUBOTA D722-E2B-BC-1)

РАСПРЕДЕЛИТЕЛЬНЫЙ ВАЛ (KUBOTA D722-E2B-BC-1)

1Артикул: 667038...
2Артикул: 667038...
3Артикул: 667038...
Подробнее >
Спецтехника ТОПЛИВНАЯ СИСТЕМА И НАСОС ВПРЫСКА (KUBOTA D722-E2B-BC-1)

ТОПЛИВНАЯ СИСТЕМА И НАСОС ВПРЫСКА (KUBOTA D722-E2B-BC-1)

1Артикул: 667043...
2Артикул: 730247...
3Артикул: 668027...
Подробнее >
Спецтехника КОЛЛЕКТОРЫ (KUBOTA D722-E2B-BC-1)

КОЛЛЕКТОРЫ (KUBOTA D722-E2B-BC-1)

1Артикул: 668806...
2Артикул: 667053...
3Артикул: 397428...
Подробнее >
Спецтехника КРЫШКА КОРОМЫСЛА КЛАПАНА (KUBOTA D722-E2B-BC-1)

КРЫШКА КОРОМЫСЛА КЛАПАНА (KUBOTA D722-E2B-BC-1)

1Артикул: 668806...
2Артикул: 668766...
3Артикул: 668806...
Подробнее >
Спецтехника РЕГУЛЯТОР СКОРОСТИ И СТОПОРНАЯ РУКОЯТКА (KUBOTA D722-E2B-BC-1)

РЕГУЛЯТОР СКОРОСТИ И СТОПОРНАЯ РУКОЯТКА (KUBOTA D722-E2B-BC-1)

1Артикул: 667042...
2Артикул: 667042...
3Артикул: BOLT, ...
Подробнее >
Спецтехника ТОПЛИВНЫЙ РАСПРЕДЕЛИТЕЛЬНЫЙ ВАЛ (KUBOTA D722-E2B-BC-1)

ТОПЛИВНЫЙ РАСПРЕДЕЛИТЕЛЬНЫЙ ВАЛ (KUBOTA D722-E2B-BC-1)

1Артикул: 667041...
2Артикул: 667041...
3Артикул: 667042...
Подробнее >
Спецтехника ВОДЯНОЙ ФЛАНЕЦ И ТЕРМОСТАТ (KUBOTA D722-E2B-BC-1)

ВОДЯНОЙ ФЛАНЕЦ И ТЕРМОСТАТ (KUBOTA D722-E2B-BC-1)

1Артикул: 667049...
2Артикул: 667078...
3Артикул: 667050...
Подробнее >
Спецтехника ПОДДОН КАРТЕРА (KUBOTA D722-E2B-BC-1)

ПОДДОН КАРТЕРА (KUBOTA D722-E2B-BC-1)

1Артикул: 668573...
2Артикул: GASKET...
3Артикул: 663282...
Подробнее >
Спецтехника ДВИГАТЕЛЬ И КОМПЛЕКТ ПРОКЛАДОК (KUBOTA D722-E2B-BC-1) (TIER II REPLACEMENT)

ДВИГАТЕЛЬ И КОМПЛЕКТ ПРОКЛАДОК (KUBOTA D722-E2B-BC-1) (TIER II REPLACEMENT)

1Артикул: 668673...
2Артикул: 668673...
3Артикул: 726604...
Подробнее >