+7 (701) 588 50 05 Телефон для связи
RU

WhatsApp

Позвонить

КОМПЛЕКТ НИЖНИХ ПРОКЛАДОК TIER IV — Продажа в Казахстане Цены от официального дилера с доставкой в Алматы, Астану и регионы

Техника доступна в:
Полный спектр услуг:
Для Вашего удобства:
Характеристики и описание
Габариты, схема
Техническая документация
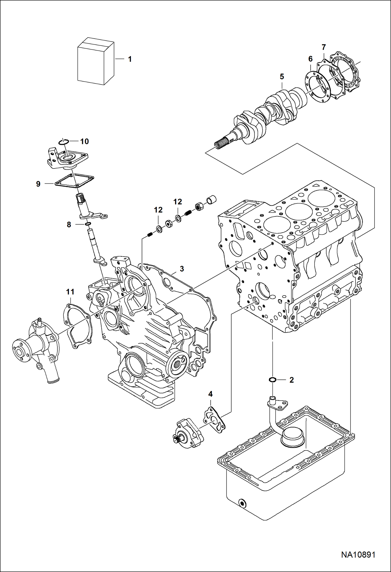
1 Артикул: 6672740, LOWER GASKET KIT
2 Артикул: 6680284, O-RING See Illustration OIL PAN/ NA6171A oil pick-up tube
3 Артикул: 6698146, GASKET, GEAR CASE See Illustration GEARCASE/ NA10884
4 Артикул: 6670341, GASKET See Illustration CRANKCASE/ NA10885 oil pump
5 Артикул: 6683014, SEAL See Illustration PISTON & CRANKSHAFT/ NA10886 crankshaft
6 Артикул: 6670377, GASKET See Illustration PISTON & CRANKSHAFT/ NA10886 rearcover
7 Артикул: 7000494, GASKET See Illustration PISTON & CRANKSHAFT/ NA10886 - rear cover
8 Артикул: 6683023, O-RING See Illustration SPEED CONTROL & STOP LEVER/ NA6174A speed control lever
9 Артикул: 6670457, GASKET See Illustration SPEED CONTROL & STOP LEVER/ NA6174A speed control plate
10 Артикул: 6683021, SEAL See Illustration SPEED CONTROL & STOP LEVER/ NA6174A speed control lever
11 Артикул: 7000377, GASKET, PUMP WATER See Illustration WATER PUMP/ NA6166A water pump
12 Артикул: 3974095, GASKET, METAL See Illustration SPEED CONTROL & STOP LEVER/ NA6174A adjusting bolt

КОМПЛЕКТ НИЖНИХ ПРОКЛАДОК TIER IV: Техника, которая работает на результат

КОМПЛЕКТ НИЖНИХ ПРОКЛАДОК TIER IV на дизельные автомобили Bobcat 2300 A59W11001 И ВЫШЕ

Габаритные размеры

Габаритные размеры и схема КОМПЛЕКТ НИЖНИХ ПРОКЛАДОК TIER IV

Нажмите на схему для увеличения

Документация

Документация временно недоступна.

Похожая техника в категории: СМЕННЫЙ ДВИГАТЕЛЬ (Bobcat)

Спецтехника ДВИГАТЕЛЬ И КОМПЛЕКТ ПРОКЛАДОК TIER IV

ДВИГАТЕЛЬ И КОМПЛЕКТ ПРОКЛАДОК TIER IV

1Артикул: 727702...
2Артикул: KIT,, ...
3Артикул: KIT,, ...
Подробнее >
Спецтехника РЕГУЛЯТОРА ОБОРОТОВ TIER IV

РЕГУЛЯТОРА ОБОРОТОВ TIER IV

1Артикул: 669815...
2Артикул: 702274...
3Артикул: PLUG, ...
Подробнее >
Спецтехника РЕГУЛЯТОР СКОРОСТИ И СТОПОРНАЯ РУКОЯТКА

РЕГУЛЯТОР СКОРОСТИ И СТОПОРНАЯ РУКОЯТКА

1Артикул: 667042...
2Артикул: 667042...
3Артикул: SPRING...
Подробнее >
Спецтехника РЕГУЛЯТОР СКОРОСТИ И СТОПОРНАЯ РУКОЯТКА TIER IV

РЕГУЛЯТОР СКОРОСТИ И СТОПОРНАЯ РУКОЯТКА TIER IV

1Артикул: 667042...
2Артикул: 667042...
3Артикул: SPRING...
Подробнее >
Спецтехника КОМПЛЕКТЫ ПРОКЛАДОК ДВИГАТЕЛЯ

КОМПЛЕКТЫ ПРОКЛАДОК ДВИГАТЕЛЯ

1Артикул: 103883...
2Артикул: KIT,, ...
3Артикул: KIT,, ...
Подробнее >
Спецтехника ДЕРЖАТЕЛЬ ФОРСУНКИ

ДЕРЖАТЕЛЬ ФОРСУНКИ

1Артикул: 701200...
2Артикул: 665745...
3Артикул: 665746...
Подробнее >
Спецтехника КРЫШКА КОРОМЫСЛА КЛАПАНА

КРЫШКА КОРОМЫСЛА КЛАПАНА

1Артикул: 668806...
2Артикул: 668766...
3Артикул: 668806...
Подробнее >
Спецтехника КОМПЛЕКТ ПРОКЛАДОК ВЕРХНЕЙ ЧАСТИ

КОМПЛЕКТ ПРОКЛАДОК ВЕРХНЕЙ ЧАСТИ

1Артикул: KIT,, ...
2Артикул: 668806...
3Артикул: 668300...
Подробнее >
Спецтехника РАСПРЕДВАЛ

РАСПРЕДВАЛ

1Артикул: 667038...
2Артикул: 667038...
3Артикул: 667038...
Подробнее >
Спецтехника КАРТЕР ДВИГАТЕЛЯ

КАРТЕР ДВИГАТЕЛЯ

1Артикул: 700037...
2Артикул: 667033...
3Артикул: 665257...
Подробнее >
Спецтехника КРЫШКА ГОЛОВКИ TIER IV

КРЫШКА ГОЛОВКИ TIER IV

1Артикул: 702099...
2Артикул: 102644...
3Артикул: 102798...
Подробнее >
Спецтехника ГОЛОВКА БЛОКА ЦИЛИНДРОВ

ГОЛОВКА БЛОКА ЦИЛИНДРОВ

1Артикул: 668805...
2Артикул: 667035...
3Артикул: 667035...
Подробнее >