+7 (701) 588 50 05 Телефон для связи
RU

WhatsApp

Позвонить

КОМПЛЕКТ ОБОГРЕВАТЕЛЕЙ (СВЕЖИЙ ВОЗДУХ) — Продажа в Казахстане Цены от официального дилера с доставкой в Алматы, Астану и регионы

Техника доступна в:
Полный спектр услуг:
Для Вашего удобства:
Характеристики и описание
Габариты, схема
Техническая документация
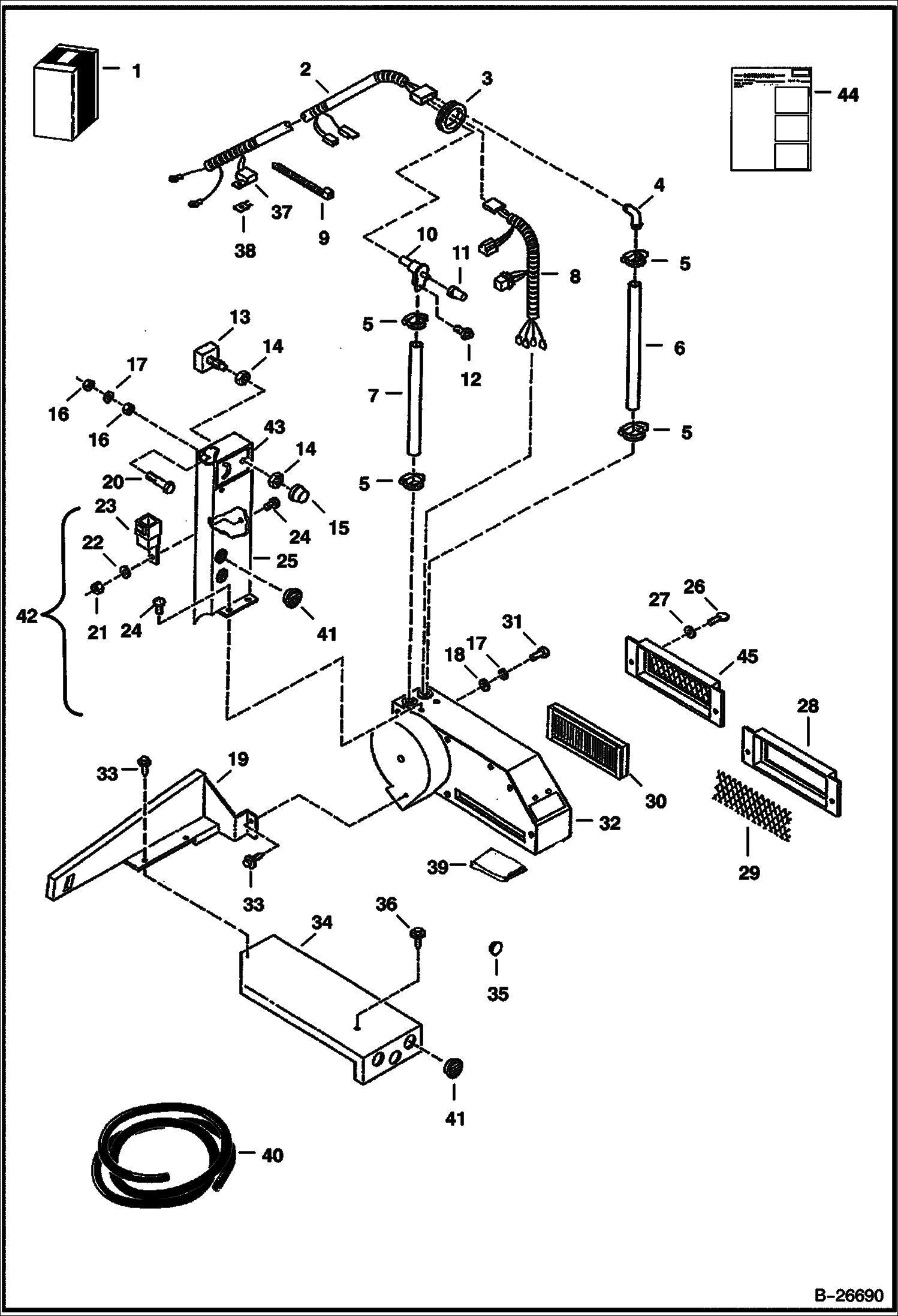
1 Артикул: 6713379, KIT See Illustration HEATER PLUMBING KIT/ B17435 Ref. 2-44 - for heating plumbing kit see Ill. B-17435
2 Артикул: 6660894, HARNESS W/Ref. 37 & 38
3 Артикул: 6512067, GROMMET
4 Артикул: 6660879, ELBOW
5 Артикул: 42H10, HOSECLAM5 worm gear
6 Артикул: 5HM24, CLAMP constant tension
7 Артикул: HOSE, HOSE NLA - 17-- (431,8 mm) long - Order Ref. 40
8 Артикул: HOSE, HOSE NLA - 19-- (482,6 mm) long - Order Ref. 40
9 Артикул: 6660892, HARNESS
10 Артикул: 6660883, TIE
11 Артикул: 6654191, VALVE
12 Артикул: 6660881, KNOB water valve
13 Артикул: 6660884, SCREW
14 Артикул: 6660659, SWITCH fan
15 Артикул: 6624435, NUT
16 Артикул: 6660822, KNOB
17 Артикул: 6670142, NUT
18 Артикул: 4E4, WASHER
19 Артикул: 25E14, WSHR
20 Артикул: 6669650, VENT side
21 Артикул: 6670144, BOLT
22 Артикул: 6641065, NUT
23 Артикул: 6641072, WASHER
24 Артикул: 6651975, SWITCH relay - Was 6670141 - A
25 Артикул: 6641066, SCREW
26 Артикул: 6850026, COVER Also Order (2) Ref. 41
27 Артикул: 6660930, THUMBSCREW
28 Артикул: 25E10, WASHER
29 Артикул: COVER, COVER NLA - Order Ref. 45 - Was 6660886 - A
30 Артикул: SCREEN, SCREEN NLA - Order Ref. 45 - Was 6660891 - A
31 Артикул: 6660880, FILTER, AIR HEATER CAB
32 Артикул: 17C412, BOLT 5
33 Артикул: HEATER, HEATER See Illustration HEATER/ D2181
34 Артикул: 6705792, SCREW
35 Артикул: 6669652, DUCT under seat - Also Order (3) Ref. 41
36 Артикул: 6657719, PLUG 0.75-- dia hole
37 Артикул: 84G3120, SCREW
38 Артикул: 6657306, CAP, FUSE
39 Артикул: 6702444, FUSE 25A 5
40 Артикул: MOULDING, MOULDING NLA
41 Артикул: 889269, HOSE BULK/FT bulk - sold per foot
42 Артикул: 6660885, LOUVER
43 Артикул: 6660890, COVER ASSY. Ref. 21-23, 25 & 43
44 Артикул: 6660865, DECAL fan & valve
45 Артикул: 6724384, INSTRUCTIONS
46 Артикул: 6674151, COVER

КОМПЛЕКТ ОБОГРЕВАТЕЛЕЙ (СВЕЖИЙ ВОЗДУХ): Техника, которая работает на результат

КОМПЛЕКТ ОБОГРЕВАТЕЛЕЙ (СВЕЖИЙ ВОЗДУХ) на Bobcat 500s Bobcat 553 516311001 И ВЫШЕ, 516411001 И ВЫШЕ

Габаритные размеры

Габаритные размеры и схема КОМПЛЕКТ ОБОГРЕВАТЕЛЕЙ (СВЕЖИЙ ВОЗДУХ)

Нажмите на схему для увеличения

Документация

Документация временно недоступна.

Похожая техника в категории: АКСЕСCУАРЫ И ОПЦИИ (Bobcat)

Спецтехника ОКНА КАБИНЫ

ОКНА КАБИНЫ

1Артикул: 663226...
2Артикул: 651315...
3Артикул: 666168...
Подробнее >
Спецтехника ЕВРОПЕЙСКОЕ ДОПОЛНИТЕЛЬНОЕ ОБОРУДОВАНИЕ (ТОРМОЗ)

ЕВРОПЕЙСКОЕ ДОПОЛНИТЕЛЬНОЕ ОБОРУДОВАНИЕ (ТОРМОЗ)

1Артикул: 666693...
2Артикул: 666915...
3Артикул: 666915...
Подробнее >
Спецтехника ОБОГРЕВАТЕЛЬ (СВЕЖИЙ ВОЗДУХ)

ОБОГРЕВАТЕЛЬ (СВЕЖИЙ ВОЗДУХ)

1Артикул: 666968...
2Артикул: 664105...
3Артикул: 666087...
Подробнее >
Спецтехника СТРОБОСКОПЫ (ЯНТАРНЫЙ - 3414 ALW)

СТРОБОСКОПЫ (ЯНТАРНЫЙ - 3414 ALW)

1Артикул: KIT, K...
2Артикул: 669779...
3Артикул: AMBER,...
Подробнее >
Спецтехника ФУНКЦИЯ ШУМОПОГЛОЩЕНИЯ

ФУНКЦИЯ ШУМОПОГЛОЩЕНИЯ

1Артикул: 663154...
2Артикул: 663154...
3Артикул: 670273...
Подробнее >
Спецтехника ЕВРОПЕЙСКОЕ ДОПОЛНИТЕЛЬНОЕ ОБОРУДОВАНИЕ

ЕВРОПЕЙСКОЕ ДОПОЛНИТЕЛЬНОЕ ОБОРУДОВАНИЕ

1Артикул: 666029...
2Артикул: 670850...
3Артикул: 651348...
Подробнее >
Спецтехника УСТРОЙСТВО ЗАЖИГАНИЯ БЕЗ КЛЮЧА

УСТРОЙСТВО ЗАЖИГАНИЯ БЕЗ КЛЮЧА

1Артикул: 671297...
2Артикул: MODULE...
3Артикул: 35C410...
Подробнее >
Спецтехника КОМПЛЕКТ ВСПОМОГАТЕЛЬНОЙ ГИДРАВЛИКИ

КОМПЛЕКТ ВСПОМОГАТЕЛЬНОЙ ГИДРАВЛИКИ

1Артикул: 671532...
2Артикул: 671317...
3Артикул: 671317...
Подробнее >
Спецтехника КОМПЛЕКТ УСТРОЙСТВ ДЛЯ ИЗВЛЕЧЕНИЯ ВНЕШНЕГО ОКНА

КОМПЛЕКТ УСТРОЙСТВ ДЛЯ ИЗВЛЕЧЕНИЯ ВНЕШНЕГО ОКНА

1Артикул: 672639...
2Артикул: 672639...
3Артикул: 672639...
Подробнее >
Спецтехника ЕВРОПЕЙСКОЕ ДОПОЛНИТЕЛЬНОЕ ОБОРУДОВАНИЕ ( ПРОБЛЕСКОВЫЕ ФАРЫ - 4 СТОРОНЫ )

ЕВРОПЕЙСКОЕ ДОПОЛНИТЕЛЬНОЕ ОБОРУДОВАНИЕ ( ПРОБЛЕСКОВЫЕ ФАРЫ - 4 СТОРОНЫ )

1Артикул: KIT, K...
2Артикул: 655790...
3Артикул: 666531...
Подробнее >
Спецтехника КОМПЛЕКТ ТРУБОПРОВОДОВ ОБОГРЕВАТЕЛЯ (СВЕЖИЙ ВОЗДУХ)

КОМПЛЕКТ ТРУБОПРОВОДОВ ОБОГРЕВАТЕЛЯ (СВЕЖИЙ ВОЗДУХ)

1Артикул: 671567...
2Артикул: HOSE, ...
3Артикул: 673219...
Подробнее >
Спецтехника ПРОБЛЕСКОВЫЕ ФАРЫ

ПРОБЛЕСКОВЫЕ ФАРЫ

1Артикул: 655807...
2Артикул: 614142...
3Артикул: 651513...
Подробнее >