+7 (701) 588 50 05 Телефон для связи
RU

WhatsApp

Позвонить

КОМПЛЕКТ ТОРЦЕВЫХ ЗАГЛУШЕК (ВСПОМОГАТЕЛЬНАЯ КАТУШКА) — Продажа в Казахстане Цены от официального дилера с доставкой в Алматы, Астану и регионы

Техника доступна в:
Полный спектр услуг:
Для Вашего удобства:
Характеристики и описание
Габариты, схема
Техническая документация
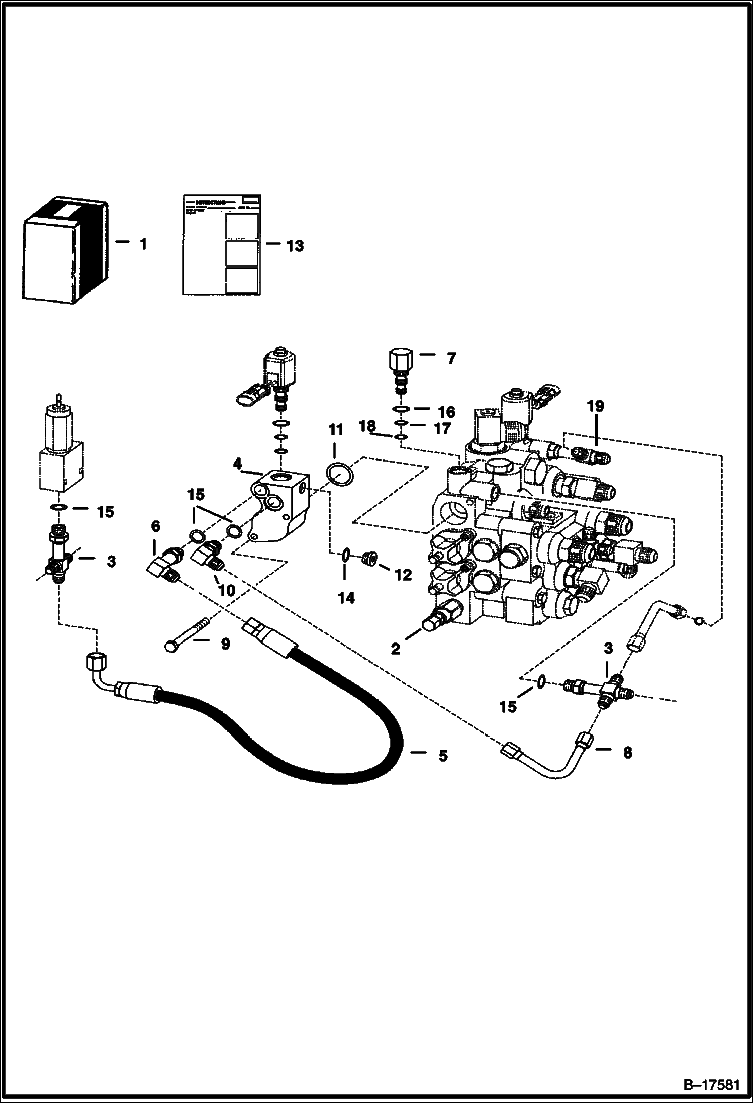
1 Артикул: 6805614, KIT Ref. 2-13
2 Артикул: 6674146, VALVE relief
3 Артикул: 6805655, CONNECTOR Was 6715654 - A
4 Артикул: 97K6, O RING
5 Артикул: 6800790, END CAP
6 Артикул: 6802844, HOSE
7 Артикул: 6804049, ELBOW
8 Артикул: 97K6, O RING
9 Артикул: 6805137, PLUG W/Ref. 16-18
10 Артикул: 6805171, TUBE
11 Артикул: 17C436, BOLT
12 Артикул: 17KB0606, FITTING Was 17KV00005B - A
13 Артикул: 97K6, O RING
14 Артикул: 58K124, O RING 10
15 Артикул: 24K5, PLUG - Was 90KV5 - A
16 Артикул: 6900811, INSTRUCTIONS
17 Артикул: 95K6, O-RING
18 Артикул: 99K6, O RING tapered boss face
19 Артикул: 79K6, O RING 10 flat boss face
20 Артикул: 79K7, O RING 10
21 Артикул: 58K012, O-RING 10
22 Артикул: 58K11, O RING 10
23 Артикул: 6817552, CROSS W/Ref. 15 - flat boss face - Was 6805241 - B

КОМПЛЕКТ ТОРЦЕВЫХ ЗАГЛУШЕК (ВСПОМОГАТЕЛЬНАЯ КАТУШКА): Техника, которая работает на результат

КОМПЛЕКТ ТОРЦЕВЫХ ЗАГЛУШЕК (ВСПОМОГАТЕЛЬНАЯ КАТУШКА) на Bobcat 900s Bobcat 963 562211001 - 562214999

Габаритные размеры

Габаритные размеры и схема КОМПЛЕКТ ТОРЦЕВЫХ ЗАГЛУШЕК (ВСПОМОГАТЕЛЬНАЯ КАТУШКА)

Нажмите на схему для увеличения

Документация

Документация временно недоступна.

Похожая техника в категории: АКСЕСCУАРЫ И ОПЦИИ (Bobcat)

Спецтехника ЕВРОПЕЙСКОЕ ДОПОЛНИТЕЛЬНОЕ ОБОРУДОВАНИЕ (ГИДРАВЛИЧЕСКИЙ ГЛУШИТЕЛЬ)

ЕВРОПЕЙСКОЕ ДОПОЛНИТЕЛЬНОЕ ОБОРУДОВАНИЕ (ГИДРАВЛИЧЕСКИЙ ГЛУШИТЕЛЬ)

1Артикул: 656261...
2Артикул: 665998...
3Артикул: 667282...
Подробнее >
Спецтехника КОМПЛЕКТ КРЫШЕК КРЕПЛЕНИЯ САЛАЗОК СИДЕНЬЯ

КОМПЛЕКТ КРЫШЕК КРЕПЛЕНИЯ САЛАЗОК СИДЕНЬЯ

1Артикул: 671218...
2Артикул: 671172...
3Артикул: 671173...
Подробнее >
Спецтехника ФИЛЬТР ПРЕДВАРИТЕЛЬНОЙ ОЧИСТКИ ВОЗДУХА

ФИЛЬТР ПРЕДВАРИТЕЛЬНОЙ ОЧИСТКИ ВОЗДУХА

1Артикул: 667256...
2Артикул: 667392...
3Артикул: 44H64,...
Подробнее >
Спецтехника ЧЕХЛЫ СИДЕНИЙ (СИДЕНЬЕ С ОТДЕЛКОЙ ИЗ ИСКУССТВЕННОЙ КОЖИ)

ЧЕХЛЫ СИДЕНИЙ (СИДЕНЬЕ С ОТДЕЛКОЙ ИЗ ИСКУССТВЕННОЙ КОЖИ)

1Артикул: 726010...
2Артикул: 726010...
3-
Подробнее >
Спецтехника КАСКА С ЗАЩИТОЙ ОТ ШУМА

КАСКА С ЗАЩИТОЙ ОТ ШУМА

1Артикул: 690239...
2Артикул: EARMUF...
3-
Подробнее >
Спецтехника КОМПЛЕКТ ЗАЩИТНЫХ СЕТОК ОТ НАСЕКОМЫХ

КОМПЛЕКТ ЗАЩИТНЫХ СЕТОК ОТ НАСЕКОМЫХ

1Артикул: KIT, K...
2Артикул: 656993...
3Артикул: 656993...
Подробнее >
Спецтехника ОКНА КАБИНЫ

ОКНА КАБИНЫ

1Артикул: 663226...
2Артикул: SEAL, ...
3Артикул: 666168...
Подробнее >
Спецтехника КОМПЛЕКТ ГИДРАВЛИКИ ВСПОМОГАТЕЛЬНОГО ОБОРУДОВАНИЯ, РАСПОЛОЖЕННОГО СЗАДИ

КОМПЛЕКТ ГИДРАВЛИКИ ВСПОМОГАТЕЛЬНОГО ОБОРУДОВАНИЯ, РАСПОЛОЖЕННОГО СЗАДИ

1Артикул: KIT, K...
2Артикул: 668041...
3Артикул: 664069...
Подробнее >
Спецтехника ВЕРХНЯЯ ЧАСТЬ БЛОКА ДВИГАТЕЛЯ

ВЕРХНЯЯ ЧАСТЬ БЛОКА ДВИГАТЕЛЯ

1Артикул: 672074...
2Артикул: 666888...
3Артикул: 672003...
Подробнее >
Спецтехника ЕВРОПЕЙСКОЕ ДОПОЛНИТЕЛЬНОЕ ОБОРУДОВАНИЕ (ГЛАВНЫЙ ЖГУТ ПРОВОДОВ УСТРОЙСТВА УПРАВЛЕНИЯ НАВЕСНЫМ ОБОРУДОВАНИЕМ) (ТОЛЬКО РУЧНОЕ УПРАВЛЕНИЕ)

ЕВРОПЕЙСКОЕ ДОПОЛНИТЕЛЬНОЕ ОБОРУДОВАНИЕ (ГЛАВНЫЙ ЖГУТ ПРОВОДОВ УСТРОЙСТВА УПРАВЛЕНИЯ НАВЕСНЫМ ОБОРУДОВАНИЕМ) (ТОЛЬКО РУЧНОЕ УПРАВЛЕНИЕ)

1Артикул: KIT, K...
2Артикул: 666403...
3Артикул: 50D5, ...
Подробнее >
Спецтехника НАБОР ДЛЯ АРЕНДЫ

НАБОР ДЛЯ АРЕНДЫ

1Артикул: 671275...
2Артикул: 655290...
3Артикул: 656797...
Подробнее >
Спецтехника ЕВРОПЕЙСКОЕ ДОПОЛНИТЕЛЬНОЕ ОБОРУДОВАНИЕ (ПРОБЛЕСКОВЫЕ ФАРЫ - 4 СТОРОНЫ)

ЕВРОПЕЙСКОЕ ДОПОЛНИТЕЛЬНОЕ ОБОРУДОВАНИЕ (ПРОБЛЕСКОВЫЕ ФАРЫ - 4 СТОРОНЫ)

1Артикул: KIT, K...
2Артикул: 655790...
3Артикул: 666531...
Подробнее >