+7 (701) 588 50 05 Телефон для связи
RU

WhatsApp

Позвонить

КОНТУР ГИДРОЦИЛИНДРА ПОДЪЕМА — Продажа в Казахстане Цены от официального дилера с доставкой в Алматы, Астану и регионы

Техника доступна в:
Полный спектр услуг:
Для Вашего удобства:
Характеристики и описание
Габариты, схема
Техническая документация
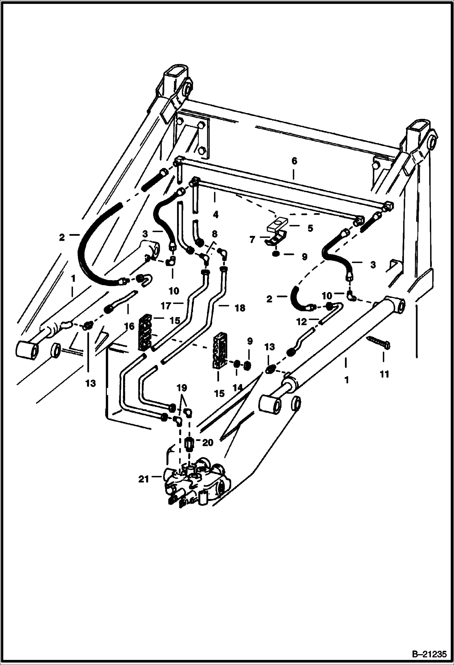
1 Артикул: CYLINDER, CYLINDER ASSY. See Illustration LIFT CYLINDER/ C1052 NLA - lift - Was 6501103 - A
2 Артикул: 6501050, HOSE
3 Артикул: 6501055, HOSE
4 Артикул: TUBE, TUBE NLA - Was 6501080 - A
5 Артикул: 6548165, SPACER
6 Артикул: TUBE, TUBE NLA - Was 6501082 - A
7 Артикул: 6502203, CLAMP tube
8 Артикул: 77F6, ELBOW
9 Артикул: 81D6, NUT
10 Артикул: 83F5, ELBOW
11 Артикул: 42H40, HOSECLAM5
12 Артикул: 6501037, TUBE
13 Артикул: 89F5, CONNECTR
14 Артикул: 25E17, WASHER 5
15 Артикул: BLOCK, BLOCK NLA - Was 6503071 - A
16 Артикул: 6501036, TUBE
17 Артикул: TUBE, TUBE NLA - Was 6501131 - A
18 Артикул: TUBE, TUBE NLA - Was 6501132 - A
19 Артикул: 662487, ELBOW
20 Артикул: 6515537, RESTRICTOR
21 Артикул: VALVE, VALVE / CORE EXCHANGE REQUIRED See Illustration LIFT CYLINDER & AUXILIARY VALVE/ C1240 NLA - Was 6504941REM - A

КОНТУР ГИДРОЦИЛИНДРА ПОДЪЕМА: Техника, которая работает на результат

КОНТУР ГИДРОЦИЛИНДРА ПОДЪЕМА на Bobcat 600s Bobcat 611 4960MA11001 И ВЫШЕ, 4967MA11001 И ВЫШЕ

Габаритные размеры

Габаритные размеры и схема КОНТУР ГИДРОЦИЛИНДРА ПОДЪЕМА

Нажмите на схему для увеличения

Документация

Документация временно недоступна.

Похожая техника в категории: ГИДРАВЛИЧЕСКАЯ СИСТЕМА (Bobcat)

Спецтехника КЛАПАН ЧАСТОТНОГО ПРЕОБРАЗОВАТЕЛЯ СКОРОСТИ

КЛАПАН ЧАСТОТНОГО ПРЕОБРАЗОВАТЕЛЯ СКОРОСТИ

1Артикул: 665776...
2Артикул: 41G816...
3Артикул: 980732...
Подробнее >
Спецтехника КОНТУР ЧАСТОТНОГО ПРЕОБРАЗОВАТЕЛЯ СКОРОСТИ

КОНТУР ЧАСТОТНОГО ПРЕОБРАЗОВАТЕЛЯ СКОРОСТИ

1Артикул: KIT, K...
2Артикул: PLATE,...
3Артикул: 665776...
Подробнее >
Спецтехника ГИДРОПРИВОДНОЙ НАСОС CESSNA 24304-RAS

ГИДРОПРИВОДНОЙ НАСОС CESSNA 24304-RAS

1Артикул: 651092...
2Артикул: 93G540...
3Артикул: 17C536...
Подробнее >
Спецтехника ЦИЛИНДР НАКЛОНА

ЦИЛИНДР НАКЛОНА

1Артикул: 650110...
2Артикул: 659202...
3Артикул: 92D12,...
Подробнее >
Спецтехника КЛАПАН ЧАСТОТНОГО ПРЕОБРАЗОВАТЕЛЯ СКОРОСТИ С ТЕПЛОВОЙ РАЗГРУЗКОЙ

КЛАПАН ЧАСТОТНОГО ПРЕОБРАЗОВАТЕЛЯ СКОРОСТИ С ТЕПЛОВОЙ РАЗГРУЗКОЙ

1Артикул: VALVE,...
2Артикул: 41G816...
3Артикул: 980732...
Подробнее >
Спецтехника МАСЛЯНЫЙ ФИЛЬТР ГИДРАВЛИЧЕСКОЙ СИСТЕМЫ

МАСЛЯНЫЙ ФИЛЬТР ГИДРАВЛИЧЕСКОЙ СИСТЕМЫ

1Артикул: FILTER...
2Артикул: 41G828...
3Артикул: CAP, C...
Подробнее >
Спецтехника ПЕДАЛИ ГИДРАВЛИЧЕСКОЙ СИСТЕМЫ УПРАВЛЕНИЯ 3 ПЕДАЛИ

ПЕДАЛИ ГИДРАВЛИЧЕСКОЙ СИСТЕМЫ УПРАВЛЕНИЯ 3 ПЕДАЛИ

1Артикул: 17C524...
2Артикул: 91D5, ...
3Артикул: SHAFT,...
Подробнее >
Спецтехника ЦИЛИНДР ПОДЪЕМА

ЦИЛИНДР ПОДЪЕМА

1Артикул: CYLIND...
2Артикул: 659203...
3Артикул: 92D12,...
Подробнее >
Спецтехника ПРЕДОХРАНИТЕЛЬНЫЙ КЛАПАН ДАВЛЕНИЯ ФРИКЦИОНА

ПРЕДОХРАНИТЕЛЬНЫЙ КЛАПАН ДАВЛЕНИЯ ФРИКЦИОНА

1Артикул: VALVE,...
2Артикул: 651522...
3Артикул: POPPET...
Подробнее >
Спецтехника СХЕМА ГИДРОПРИВОДНОГО НАСОСА

СХЕМА ГИДРОПРИВОДНОГО НАСОСА

1Артикул: FILTER...
2Артикул: 19F16,...
3Артикул: 654790...
Подробнее >
Спецтехника КОНТУР ЦИЛИНДРА НАКЛОНА

КОНТУР ЦИЛИНДРА НАКЛОНА

1Артикул: 650220...
2Артикул: 81D6, ...
3Артикул: 650105...
Подробнее >
Спецтехника РЫЧАГ УПРАВЛЕНИЯ ВАРИАТОРА СКОРОСТИ

РЫЧАГ УПРАВЛЕНИЯ ВАРИАТОРА СКОРОСТИ

1Артикул: GRIP, ...
2Артикул: LEVER,...
3Артикул: 81D6, ...
Подробнее >