+7 (701) 588 50 05 Телефон для связи
RU

WhatsApp

Позвонить

КОРОБКА ОТБОРА МОЩНОСТИ И ОСНОВНОЙ МЕХАНИЗМ ОТБОРА МОЩНОСТИ ДЛЯ РАБОТЫ ВИЛ — Продажа в Казахстане Цены от официального дилера с доставкой в Алматы, Астану и регионы

Техника доступна в:
Полный спектр услуг:
Для Вашего удобства:
Характеристики и описание
Габариты, схема
Техническая документация
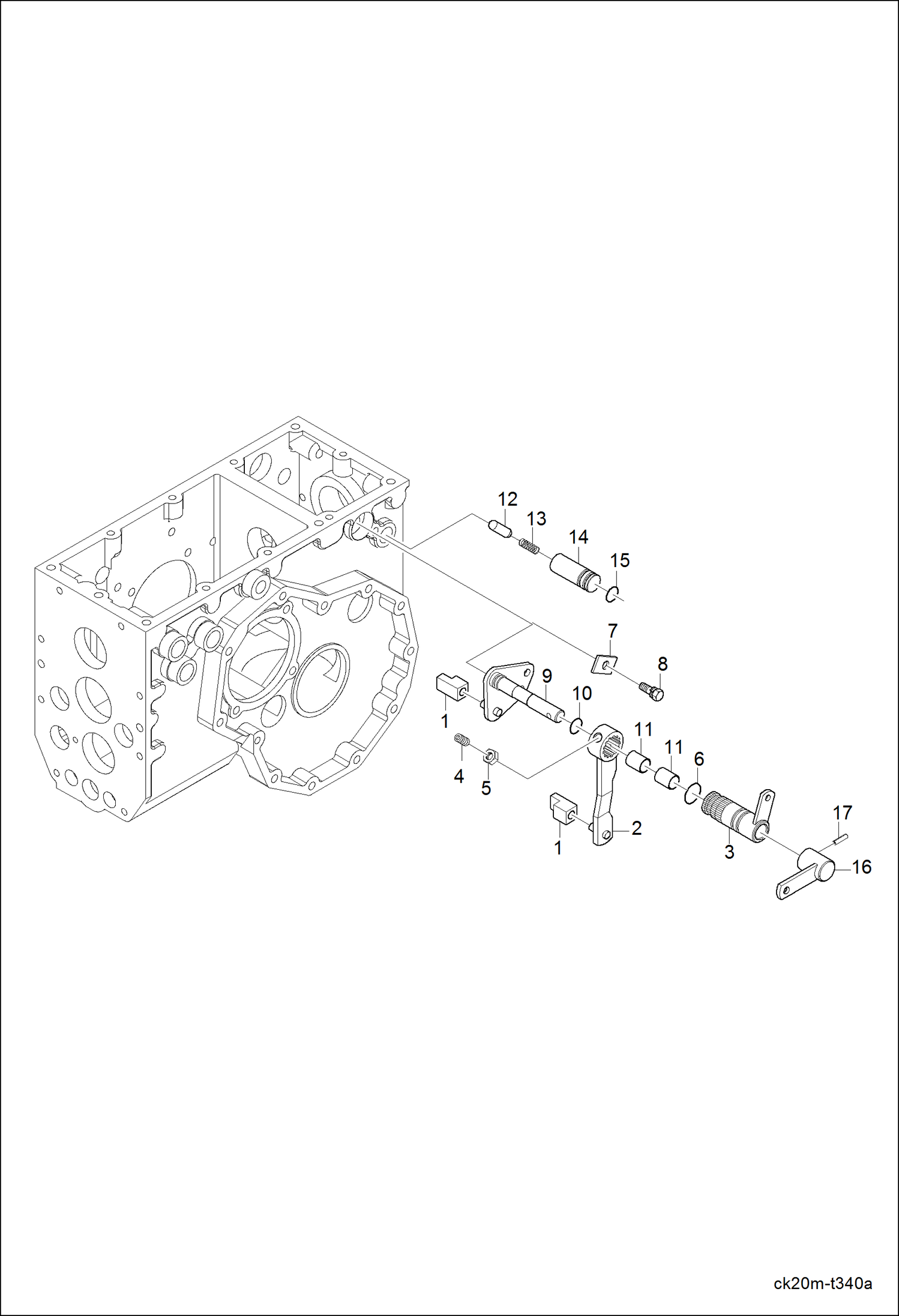
1 Артикул: 6694963, BLOCK SHIFT
2 Артикул: 6694964, BLOCK, SHIFT
3 Артикул: 6694965, ARM, SHIFT PTO
4 Артикул: 6694073, SCREW
5 Артикул: 6652792, NUT Was 6694053 - A
6 Артикул: 6694148, O-RING
7 Артикул: 6694924, PLUG 2
8 Артикул: 6697053, BOLT
9 Артикул: 6694933, ARM, SHIFT
10 Артикул: 6694144, SEAL O RING
11 Артикул: 6694261, BUSHING BUSH
12 Артикул: 6694853, PIN
13 Артикул: 6694852, SPRING
14 Артикул: 6694928, BOSS, MID PTO
15 Артикул: 6694147, O-RING
16 Артикул: 6694944, LEVER, MID PTO
17 Артикул: 6694196, PIN SPRING

КОРОБКА ОТБОРА МОЩНОСТИ И ОСНОВНОЙ МЕХАНИЗМ ОТБОРА МОЩНОСТИ ДЛЯ РАБОТЫ ВИЛ: Техника, которая работает на результат

КОРОБКА ОТБОРА МОЩНОСТИ И ОСНОВНОЙ МЕХАНИЗМ ОТБОРА МОЩНОСТИ ДЛЯ РАБОТЫ ВИЛ на мини-трактор Bobcat CT120 A59A11001 И ВЫШЕ

Габаритные размеры

Габаритные размеры и схема КОРОБКА ОТБОРА МОЩНОСТИ И ОСНОВНОЙ МЕХАНИЗМ ОТБОРА МОЩНОСТИ ДЛЯ РАБОТЫ ВИЛ

Нажмите на схему для увеличения

Документация

Документация временно недоступна.

Похожая техника в категории: ТРАНСМИССИЯ (Bobcat)

Спецтехника КАРТЕР ФРИКЦИОНА 2 В СБОРЕ

КАРТЕР ФРИКЦИОНА 2 В СБОРЕ

1Артикул: 669401...
2Артикул: 27DM10...
3Артикул: 669399...
Подробнее >
Спецтехника ПРИВОДНОЙ ВАЛ КОРОБКИ ОТБОРА МОЩНОСТИ В СБОРЕ

ПРИВОДНОЙ ВАЛ КОРОБКИ ОТБОРА МОЩНОСТИ В СБОРЕ

1Артикул: 669410...
2Артикул: 669765...
3Артикул: 669495...
Подробнее >
Спецтехника РЫЧАГ ФРИКЦИОНА В СБОРЕ

РЫЧАГ ФРИКЦИОНА В СБОРЕ

1Артикул: 669490...
2Артикул: 669425...
3Артикул: 669488...
Подробнее >
Спецтехника СИСТЕМА ПЕРЕДНЕГО ПРИВОДА

СИСТЕМА ПЕРЕДНЕГО ПРИВОДА

1Артикул: 669599...
2Артикул: 669670...
3Артикул: 669671...
Подробнее >
Спецтехника УЗЕЛ, ГИДРОСТАТИЧЕСКАЯ ТРАНСМИССИЯ

УЗЕЛ, ГИДРОСТАТИЧЕСКАЯ ТРАНСМИССИЯ

1Артикул: 669755...
2Артикул: 669704...
3Артикул: 669764...
Подробнее >
Спецтехника УСТРОЙСТВО УПРАВЛЕНИЯ ГИДРОСТАТИЧЕСКОЙ ТРАНСМИССИИ 2

УСТРОЙСТВО УПРАВЛЕНИЯ ГИДРОСТАТИЧЕСКОЙ ТРАНСМИССИИ 2

1Артикул: 669747...
2Артикул: 669700...
3Артикул: 669749...
Подробнее >
Спецтехника УЗЕЛ, СИСТЕМА ПЕРЕДНЕГО ДИФФЕРЕНЦИАЛА

УЗЕЛ, СИСТЕМА ПЕРЕДНЕГО ДИФФЕРЕНЦИАЛА

1Артикул: 669720...
2Артикул: 669507...
3Артикул: 669505...
Подробнее >
Спецтехника ВАЛ ДИФФЕРЕНЦИАЛА В СБОРЕ

ВАЛ ДИФФЕРЕНЦИАЛА В СБОРЕ

1Артикул: 669509...
2Артикул: 669509...
3Артикул: 669423...
Подробнее >
Спецтехника КРОНШТЕЙН ПЕРЕДНЕГО МОСТА

КРОНШТЕЙН ПЕРЕДНЕГО МОСТА

1Артикул: 669711...
2Артикул: 669588...
3Артикул: 669511...
Подробнее >
Спецтехника РЫЧАГ ОТБОРА МОЩНОСТИ В СБОРЕ

РЫЧАГ ОТБОРА МОЩНОСТИ В СБОРЕ

1Артикул: 669493...
2Артикул: 669739...
3Артикул: 700091...
Подробнее >
Спецтехника ВИЛКА ПЕРЕДНЕГО ПРИВОДА

ВИЛКА ПЕРЕДНЕГО ПРИВОДА

1Артикул: 669700...
2Артикул: 669510...
3Артикул: 669419...
Подробнее >
Спецтехника ВИЛКА ПЕРЕКЛЮЧЕНИЯ ВЫСОКОЙ И НИЗКОЙ ПЕРЕДАЧ

ВИЛКА ПЕРЕКЛЮЧЕНИЯ ВЫСОКОЙ И НИЗКОЙ ПЕРЕДАЧ

1Артикул: 669496...
2Артикул: 669660...
3Артикул: 669414...
Подробнее >