+7 (701) 588 50 05 Телефон для связи
RU

WhatsApp

Позвонить

КОРОМЫСЛО КЛАПАНА И КЛАПАНЫ — Продажа в Казахстане Цены от официального дилера с доставкой в Алматы, Астану и регионы

Техника доступна в:
Полный спектр услуг:
Для Вашего удобства:
Характеристики и описание
Габариты, схема
Техническая документация
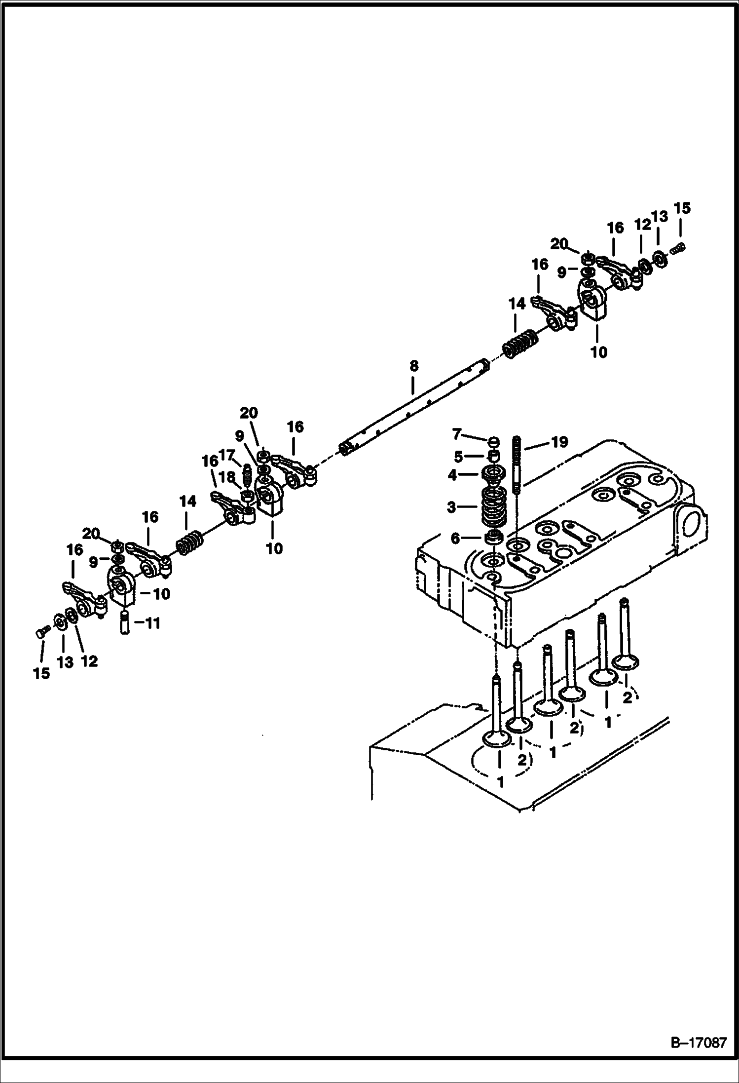
1 Артикул: 6657495, VALVE intake
2 Артикул: 6680506, VALVE Exhaust - W/Turbo Charger
3 Артикул: 6657496, VALVE exhaust - W/O turbocharger
4 Артикул: 3974159, SPRING W/Turbo Charger
5 Артикул: 6657630, SPRING W/OTurbo Charger
6 Артикул: 6685959, RETAINER
7 Артикул: 7008389, RETAINER, VALVE SPRING Was 3974161 - A
8 Артикул: 6672436, SEAL
9 Артикул: 6672437, CAP
10 Артикул: 6680255, SHAFT ASSY
11 Артикул: 2EM7, WASHER
12 Артикул: 6657509, BRACKET
13 Артикул: 6680256, PIN spring
14 Артикул: 6657511, WASHER
15 Артикул: 6670520, WASHER
16 Артикул: 6657508, SPRING
17 Артикул: 6670521, BOLT
18 Артикул: 6657502, ROCKER ARM W/Ref. 17 & 18
19 Артикул: 6657506, SCREW
20 Артикул: 6657507, NUT
21 Артикул: 6657510, STUD
22 Артикул: 1DM7, NUT

КОРОМЫСЛО КЛАПАНА И КЛАПАНЫ: Техника, которая работает на результат

КОРОМЫСЛО КЛАПАНА И КЛАПАНЫ на экскаватор–погрузчик Bobcat B100 570011001 И ВЫШЕ, 570111001 И ВЫШЕ

Габаритные размеры

Габаритные размеры и схема КОРОМЫСЛО КЛАПАНА И КЛАПАНЫ

Нажмите на схему для увеличения

Документация

Документация временно недоступна.

Похожая техника в категории: ЗАПЧАСТИ ДВИГАТЕЛЯ (Bobcat)

Спецтехника ДЕРЖАТЕЛЬ ФОРСУНКИ

ДЕРЖАТЕЛЬ ФОРСУНКИ

1Артикул: 667240...
2Артикул: 667240...
3Артикул: 667241...
Подробнее >
Спецтехника КРЫШКА КОРОМЫСЛА КЛАПАНА

КРЫШКА КОРОМЫСЛА КЛАПАНА

1Артикул: 667236...
2Артикул: 667236...
3Артикул: 668068...
Подробнее >
Спецтехника ТОПЛИВНЫЙ БАК

ТОПЛИВНЫЙ БАК

1Артикул: 696034...
2Артикул: 696034...
3Артикул: SEALIN...
Подробнее >
Спецтехника СОПЛО ФОРСУНКИ БЕЗ ТУРБОНАГНЕТАТЕЛЯS

СОПЛО ФОРСУНКИ БЕЗ ТУРБОНАГНЕТАТЕЛЯS

1Артикул: 667240...
2Артикул: 665744...
3Артикул: 397497...
Подробнее >
Спецтехника КРИВОШИПНАЯ КОРОБКА БЕЗ ТУРБОНАГНЕТАТЕЛЯ

КРИВОШИПНАЯ КОРОБКА БЕЗ ТУРБОНАГНЕТАТЕЛЯ

1Артикул: 668061...
2Артикул: 665743...
3Артикул: 397443...
Подробнее >
Спецтехника СИСТЕМА ПОДАЧИ ТОПЛИВА С ТУРБОНАГНЕТАТЕЛЕМ 5701 11001 И ВЫШЕ

СИСТЕМА ПОДАЧИ ТОПЛИВА С ТУРБОНАГНЕТАТЕЛЕМ 5701 11001 И ВЫШЕ

1Артикул: 696081...
2Артикул: 696471...
3Артикул: 696082...
Подробнее >
Спецтехника ДВИГАТЕЛЬ И КРЕПЕЖНЫЕ ДЕТАЛИ ВОЗДУХООЧИСТИТЕЛЬ - БЕЗ ТУРБОНАГНЕТАТЕЛЯ 5700 11001 И ВЫШЕ

ДВИГАТЕЛЬ И КРЕПЕЖНЫЕ ДЕТАЛИ ВОЗДУХООЧИСТИТЕЛЬ - БЕЗ ТУРБОНАГНЕТАТЕЛЯ 5700 11001 И ВЫШЕ

1Артикул: 696019...
2Артикул: 696019...
3Артикул: 696019...
Подробнее >
Спецтехника СИСТЕМА ОХЛАЖДЕНИЯ ДВИГАТЕЛЯ 5700 11001 И ВЫШЕ

СИСТЕМА ОХЛАЖДЕНИЯ ДВИГАТЕЛЯ 5700 11001 И ВЫШЕ

1Артикул: 696024...
2Артикул: 696024...
3Артикул: 696024...
Подробнее >
Спецтехника МАСЛЯНЫЙ ФИЛЬТР ДВИГАТЕЛЯ

МАСЛЯНЫЙ ФИЛЬТР ДВИГАТЕЛЯ

1Артикул: 696021...
2Артикул: 668052...
3Артикул: 665259...
Подробнее >
Спецтехника РЕГУЛЯТОР ОБОРОТОВ

РЕГУЛЯТОР ОБОРОТОВ

1Артикул: 668050...
2Артикул: 667239...
3Артикул: 665768...
Подробнее >
Спецтехника СИСТЕМА ПОДАЧИ ТОПЛИВА БЕЗ ТУРБОНАГНЕТАТЕЛЯ 5700 11001 И ВЫШЕ

СИСТЕМА ПОДАЧИ ТОПЛИВА БЕЗ ТУРБОНАГНЕТАТЕЛЯ 5700 11001 И ВЫШЕ

1Артикул: 696081...
2Артикул: 696082...
3Артикул: 696082...
Подробнее >
Спецтехника КАРТЕР КОРОБКИ ПЕРЕДАЧ С ТУРБОНАГНЕТАТЕЛЕМ

КАРТЕР КОРОБКИ ПЕРЕДАЧ С ТУРБОНАГНЕТАТЕЛЕМ

1Артикул: 668048...
2Артикул: 667236...
3Артикул: 665755...
Подробнее >