+7 (701) 588 50 05 Телефон для связи
RU

WhatsApp

Позвонить

КОРОМЫСЛО КЛАПАНА И КРЫШКА — Продажа в Казахстане Цены от официального дилера с доставкой в Алматы, Астану и регионы

Техника доступна в:
Полный спектр услуг:
Для Вашего удобства:
Характеристики и описание
Габариты, схема
Техническая документация
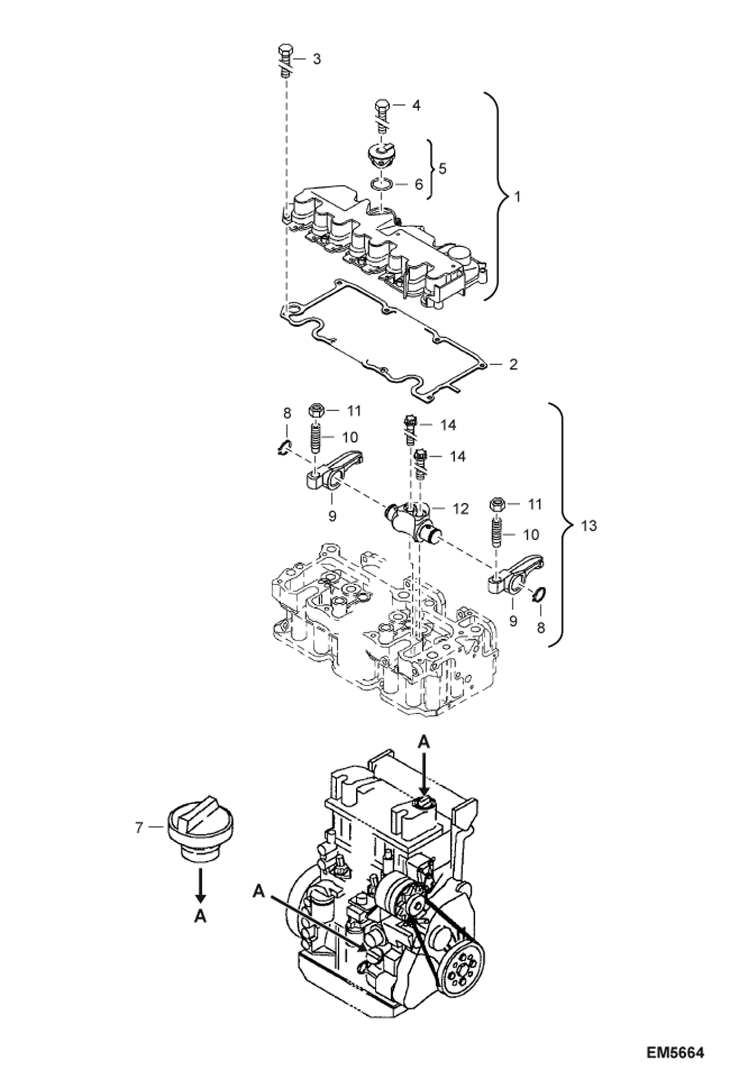
1 Артикул: 5411663891, COVER, HEAD CYL ENG See Illustration ENGINE PARTS II/ EM1946 W/Ref. 4-6
2 Артикул: 5411658001, GASKET Was 5411657056 - A
3 Артикул: 5411663807, BOLT
4 Артикул: 7013369, BOLT HEXAGON
5 Артикул: 5411657057, BREATHER VALVE W/Ref. 6
6 Артикул: 5411663892, O-RING
7 Артикул: 6666530, CAP Was 5411657927 - A
8 Артикул: 6666388, SNAP RING Was 7013336 - A
9 Артикул: 7013441, ARM ROCKER
10 Артикул: 7013442, SCREW ADJUSTING
11 Артикул: 7013443, NUT HEXAGON
12 Артикул: BRACKET, BRACKET NLA
13 Артикул: 6666474, BRACKET W/Ref. 8-12 - Was 7013475 - A
14 Артикул: 7013406, BOLT TORX-HEAD

КОРОМЫСЛО КЛАПАНА И КРЫШКА: Техника, которая работает на результат

КОРОМЫСЛО КЛАПАНА И КРЫШКА на мини-экскаватор Bobcat 442 ADBR11001 И ВЫШЕ, ADBS11001 И ВЫШЕ

Габаритные размеры

Габаритные размеры и схема КОРОМЫСЛО КЛАПАНА И КРЫШКА

Нажмите на схему для увеличения

Документация

Документация временно недоступна.

Похожая техника в категории: ЗАПЧАСТИ ДВИГАТЕЛЯ (Bobcat)

Спецтехника КОМБИНИРОВАННОЕ УСТРОЙСТВО ОХЛАЖДЕНИЯ МАСЛА (СЕРИЙНЫЙ НОМЕР ADBR11169 И ВЫШЕ, ADBS11169 И ВЫШЕ)

КОМБИНИРОВАННОЕ УСТРОЙСТВО ОХЛАЖДЕНИЯ МАСЛА (СЕРИЙНЫЙ НОМЕР ADBR11169 И ВЫШЕ, ADBS11169 И ВЫШЕ)

1Артикул: 501067...
2Артикул: 028301...
3Артикул: 100770...
Подробнее >
Спецтехника ПОДДОН КАРТЕРА И КАРТЕР МАХОВИКА

ПОДДОН КАРТЕРА И КАРТЕР МАХОВИКА

1Артикул: 541165...
2Артикул: 666639...
3Артикул: 667288...
Подробнее >
Спецтехника ДВИГАТЕЛЬ И КОМПЛЕКТ ПРОКЛАДОК

ДВИГАТЕЛЬ И КОМПЛЕКТ ПРОКЛАДОК

1Артикул: 541166...
2-
3-
Подробнее >
Спецтехника РУЛЕВОЕ УПРАВЛЕНИЕ

РУЛЕВОЕ УПРАВЛЕНИЕ

1Артикул: 623401...
2Артикул: 179870...
3Артикул: 121225...
Подробнее >
Спецтехника ДИЗЕЛЬНОЕ УПРАВЛЕНИЕ ОБОГРЕВАТЕЛЕМ (МОНТАЖНЫЙ КОМПЛЕКТ)

ДИЗЕЛЬНОЕ УПРАВЛЕНИЕ ОБОГРЕВАТЕЛЕМ (МОНТАЖНЫЙ КОМПЛЕКТ)

1Артикул: 520666...
2Артикул: 520666...
3Артикул: 520665...
Подробнее >
Спецтехника ОБОГРЕВ

ОБОГРЕВ

1Артикул: 516901...
2Артикул: 516910...
3Артикул: 516901...
Подробнее >
Спецтехника ДВИГАТЕЛЬ В СБОРЕ (СЕРИЙНЫЙ НОМЕР ADBR11169 И ВЫШЕ, ADBS11169 И ВЫШЕ)

ДВИГАТЕЛЬ В СБОРЕ (СЕРИЙНЫЙ НОМЕР ADBR11169 И ВЫШЕ, ADBS11169 И ВЫШЕ)

1Артикул: 541166...
2Артикул: 104570...
3Артикул: 134370...
Подробнее >
Спецтехника ДВИГАТЕЛЬ И КРЕПЕЖНЫЕ ДЕТАЛИ (V-РЕМЕНЬ)

ДВИГАТЕЛЬ И КРЕПЕЖНЫЕ ДЕТАЛИ (V-РЕМЕНЬ)

1Артикул: 701532...
2Артикул: 701532...
3-
Подробнее >
Спецтехника ВЕНТИЛЯТОР

ВЕНТИЛЯТОР

1Артикул: 701349...
2Артикул: 701349...
3Артикул: 701333...
Подробнее >
Спецтехника ДЕТАЛИ ДВИГАТЕЛЯ II (СЕРИЙНЫЙ НОМЕР ADBR11001 - 11168, ADBS11001 - 11168)

ДЕТАЛИ ДВИГАТЕЛЯ II (СЕРИЙНЫЙ НОМЕР ADBR11001 - 11168, ADBS11001 - 11168)

1Артикул: 541166...
2Артикул: 541165...
3Артикул: 541166...
Подробнее >
Спецтехника НАСОС ДЛЯ ДОЗАПРАВКИ

НАСОС ДЛЯ ДОЗАПРАВКИ

1Артикул: 553100...
2Артикул: 619025...
3Артикул: 100870...
Подробнее >
Спецтехника НАСОС ДЛЯ ВПРЫСКА ТОПЛИВА

НАСОС ДЛЯ ВПРЫСКА ТОПЛИВА

1Артикул: 701353...
2Артикул: 701234...
3Артикул: 701343...
Подробнее >