+7 (701) 588 50 05 Телефон для связи
RU

WhatsApp

Позвонить

КРИВОШИПНАЯ КОРОБКА KUBOTA D722 — Продажа в Казахстане Цены от официального дилера с доставкой в Алматы, Астану и регионы

Техника доступна в:
Полный спектр услуг:
Для Вашего удобства:
Характеристики и описание
Габариты, схема
Техническая документация
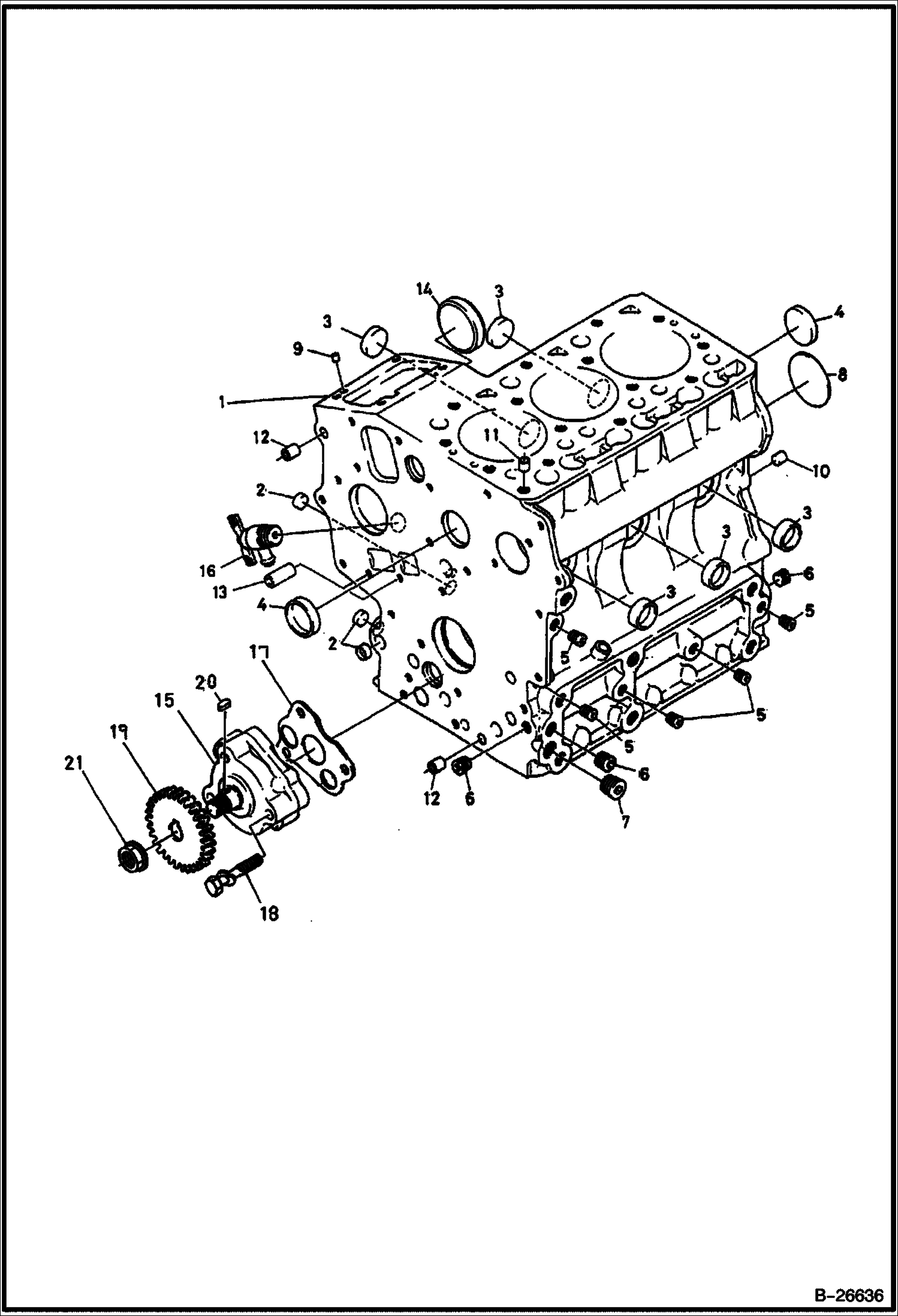
1 Артикул: 6670336, CRANKCASE W/Ref. 2-14
2 Артикул: 6670337, PLUG
3 Артикул: 6670338, PLUG
4 Артикул: 6657431, CAP
5 Артикул: 6598116, PLUG
6 Артикул: 6652574, PLUG
7 Артикул: 6652575, PLUG
8 Артикул: 6652573, PLUG
9 Артикул: 6657423, PIN
10 Артикул: 21JM814, PIN dowel
11 Артикул: 3974037, PIN
12 Артикул: 3974039, PIN
13 Артикул: 6670344, PIN
14 Артикул: 6670339, PLUG
15 Артикул: 6670340, OIL PUMP
16 Артикул: 6657456, DRAINCOCK
17 Артикул: 6670341, GASKET See Illustration LOWER GASKET KIT/ B16470 Included W/Lower gasket kit
18 Артикул: 6683010, BOLT
19 Артикул: 7247365, GEAR, OIL PUMP DRIVE Was 6670342 - A
20 Артикул: 15JM48, KEY
21 Артикул: 6670343, NUT

КРИВОШИПНАЯ КОРОБКА KUBOTA D722: Техника, которая работает на результат

КРИВОШИПНАЯ КОРОБКА KUBOTA D722 на мини-экскаватор Bobcat 316 522811001 И ВЫШЕ, 522911001 И ВЫШЕ

Габаритные размеры

Габаритные размеры и схема КРИВОШИПНАЯ КОРОБКА KUBOTA D722

Нажмите на схему для увеличения

Документация

Документация временно недоступна.

Похожая техника в категории: ЗАПЧАСТИ ДВИГАТЕЛЯ (Bobcat)

Спецтехника ЗАПАСНОЙ БАК KUBOTA D722

ЗАПАСНОЙ БАК KUBOTA D722

1Артикул: 668309...
2Артикул: 665397...
3Артикул: 668309...
Подробнее >
Спецтехника СТАРТЕР

СТАРТЕР

1Артикул: 669308...
2Артикул: 1CM825...
3Артикул: 669308...
Подробнее >
Спецтехника ПОДДОН КАРТЕРА KUBOTA D722

ПОДДОН КАРТЕРА KUBOTA D722

1Артикул: 669304...
2Артикул: 1CM612...
3Артикул: 668697...
Подробнее >
Спецтехника РАСПРЕДЕЛИТЕЛЬНЫЙ ВАЛ KUBOTA D722

РАСПРЕДЕЛИТЕЛЬНЫЙ ВАЛ KUBOTA D722

1Артикул: 667038...
2Артикул: 667038...
3Артикул: 667038...
Подробнее >
Спецтехника ВОЗДУШНЫЙ ФИЛЬТР

ВОЗДУШНЫЙ ФИЛЬТР

1Артикул: 669309...
2Артикул: 669309...
3Артикул: 698808...
Подробнее >
Спецтехника ДВИГАТЕЛЬ И КРЕПЕЖНЫЕ ДЕТАЛИ СИСТЕМА ПОДАЧИ ТОПЛИВА ESA 522911 - NA 522811

ДВИГАТЕЛЬ И КРЕПЕЖНЫЕ ДЕТАЛИ СИСТЕМА ПОДАЧИ ТОПЛИВА ESA 522911 - NA 522811

1Артикул: 15393-...
2Артикул: 669335...
3Артикул: 696991...
Подробнее >
Спецтехника ГОЛОВКА ЦИЛИНДРА KUBOTA D722

ГОЛОВКА ЦИЛИНДРА KUBOTA D722

1Артикул: 397488...
2Артикул: 666742...
3Артикул: 667035...
Подробнее >
Спецтехника МАХОВИК KUBOTA D722

МАХОВИК KUBOTA D722

1Артикул: 666745...
2Артикул: 668301...
3Артикул: 667806...
Подробнее >
Спецтехника СОПЛО ФОРСУНКИ KUBOTA D722

СОПЛО ФОРСУНКИ KUBOTA D722

1Артикул: 667046...
2Артикул: 668563...
3Артикул: 665471...
Подробнее >
Спецтехника ДЕРЖАТЕЛЬ ФОРСУНКИ KUBOTA D722

ДЕРЖАТЕЛЬ ФОРСУНКИ KUBOTA D722

1Артикул: NOZZLE...
2Артикул: 665746...
3Артикул: 665587...
Подробнее >
Спецтехника ГЕНЕРАТОР

ГЕНЕРАТОР

1Артикул: 668613...
2Артикул: 669321...
3Артикул: 665272...
Подробнее >
Спецтехника ПОРШЕНЬ И КОЛЕНЧАТЫЙ ВАЛ KUBOTA D722

ПОРШЕНЬ И КОЛЕНЧАТЫЙ ВАЛ KUBOTA D722

1Артикул: 700037...
2Артикул: 667039...
3Артикул: 667039...
Подробнее >