+7 (701) 588 50 05 Телефон для связи
RU

WhatsApp

Позвонить

МАСЛЯНЫЙ ПОДДОН — Продажа в Казахстане Цены от официального дилера с доставкой в Алматы, Астану и регионы

Техника доступна в:
Полный спектр услуг:
Для Вашего удобства:
Характеристики и описание
Габариты, схема
Техническая документация
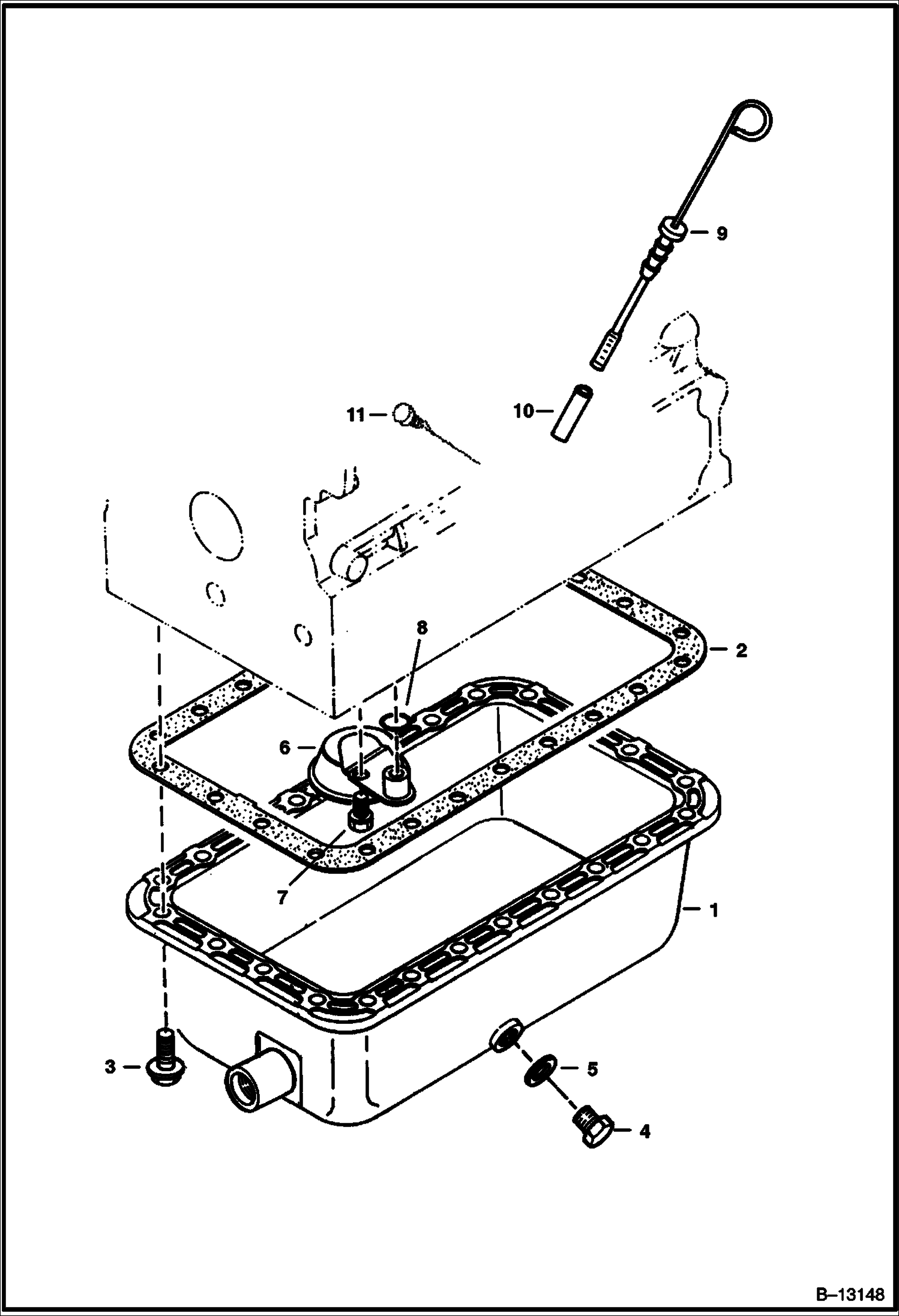
1 Артикул: 6655151, PAN, OIL
2 Артикул: 6666817, GASKET oil pan - Was 3975449B - A
3 Артикул: 6653798, BOLT
4 Артикул: 3974402, PLUG drain - Was 6652583 - A
5 Артикул: 6680484, GASKET Was 3974403 - B
6 Артикул: 6655194, SCREEN, OIL
7 Артикул: 1CM816, BOLT Was 4CM816 - A
8 Артикул: 3966516, RING,O
9 Артикул: 6674178, DIPSTICK, OIL ENG 7.25-- (184 mm) long from bottom end to top of seal - use W/O guide - Was 6658245 - A
10 Артикул: 6677202, DIPSTICK, OIL ENG 8.5-- (216 mm) long from the bottom end to top of seal - use W/Ref. 10 guide
11 Артикул: 6677203, TUBE,DIPSTICK for long dipstick
12 Артикул: 6969804, PLUG,OIL GAUGE

МАСЛЯНЫЙ ПОДДОН: Техника, которая работает на результат

МАСЛЯНЫЙ ПОДДОН на Bobcat 700s Bobcat 753 508611001 - 508629999

Габаритные размеры

Габаритные размеры и схема МАСЛЯНЫЙ ПОДДОН

Нажмите на схему для увеличения

Документация

Документация временно недоступна.

Похожая техника в категории: ЗАПЧАСТИ ДВИГАТЕЛЯ (Bobcat)

Спецтехника ВОДЯНАЯ ПОМПА

ВОДЯНАЯ ПОМПА

1Артикул: 668422...
2Артикул: BODY, ...
3Артикул: 397499...
Подробнее >
Спецтехника ДВИГАТЕЛЬ И КОМПЛЕКТ ПРОКЛАДОК (KUBOTA - V2203)

ДВИГАТЕЛЬ И КОМПЛЕКТ ПРОКЛАДОК (KUBOTA - V2203)

1Артикул: ENGINE...
2Артикул: 665348...
3Артикул: SHORT,...
Подробнее >
Спецтехника ПЛЕЧО КОРОМЫСЛА КЛАПАНА

ПЛЕЧО КОРОМЫСЛА КЛАПАНА

1Артикул: 665517...
2Артикул: 665517...
3Артикул: 397451...
Подробнее >
Спецтехника ПОРШНИ И КОЛЕНВАЛ

ПОРШНИ И КОЛЕНВАЛ

1Артикул: PISTON...
2Артикул: PISTON...
3Артикул: 667807...
Подробнее >
Спецтехника КАРТЕР ДВИГАТЕЛЯ

КАРТЕР ДВИГАТЕЛЯ

1Артикул: CRANKC...
2Артикул: 397487...
3Артикул: 665257...
Подробнее >
Спецтехника ТОПЛИВНЫЙ РАСПРЕДЕЛИТЕЛЬНЫЙ ВАЛ

ТОПЛИВНЫЙ РАСПРЕДЕЛИТЕЛЬНЫЙ ВАЛ

1Артикул: 665521...
2Артикул: CAMSHA...
3Артикул: 851242...
Подробнее >
Спецтехника ГОЛОВКА БЛОКА ЦИЛИНДРОВ

ГОЛОВКА БЛОКА ЦИЛИНДРОВ

1Артикул: 665515...
2Артикул: 665516...
3Артикул: 1CM816...
Подробнее >
Спецтехника ФОРСУНКИ

ФОРСУНКИ

1Артикул: HOLDER...
2Артикул: 665521...
3Артикул: 665521...
Подробнее >
Спецтехника ДВИГАТЕЛЬ И КРЕПЕЖНЫЕ ДЕТАЛИ (ВОЗДУХООЧИСТИТЕЛЬ, ГЛУШИТЕЛЬ И ОКОННАЯ РЕШЕТКА) (СЕРИЙНЫЙ НОМЕР 5086 17642 И ВЫШЕ)

ДВИГАТЕЛЬ И КРЕПЕЖНЫЕ ДЕТАЛИ (ВОЗДУХООЧИСТИТЕЛЬ, ГЛУШИТЕЛЬ И ОКОННАЯ РЕШЕТКА) (СЕРИЙНЫЙ НОМЕР 5086 17642 И ВЫШЕ)

1Артикул: 670386...
2Артикул: 84G311...
3Артикул: MOULDI...
Подробнее >
Спецтехника ФОРСУНКОДЕРЖАТЕЛЬ

ФОРСУНКОДЕРЖАТЕЛЬ

1Артикул: 702312...
2Артикул: 672214...
3Артикул: 665746...
Подробнее >
Спецтехника ТОПЛИВНАЯ СИСТЕМА И НАСОС ВПРЫСКА

ТОПЛИВНАЯ СИСТЕМА И НАСОС ВПРЫСКА

1Артикул: 665519...
2Артикул: PUMP, ...
3Артикул: 666799...
Подробнее >
Спецтехника ДРОССЕЛЬНАЯ ЗАСЛОНКА

ДРОССЕЛЬНАЯ ЗАСЛОНКА

1Артикул: 17C518...
2Артикул: 656445...
3Артикул: 656791...
Подробнее >