+7 (701) 588 50 05 Телефон для связи
RU

WhatsApp

Позвонить

МОНТАЖ ДВИГАТЕЛЯ ДИЗЕЛЬ KUBOTA D722 — Продажа в Казахстане Цены от официального дилера с доставкой в Алматы, Астану и регионы

Техника доступна в:
Полный спектр услуг:
Для Вашего удобства:
Характеристики и описание
Габариты, схема
Техническая документация
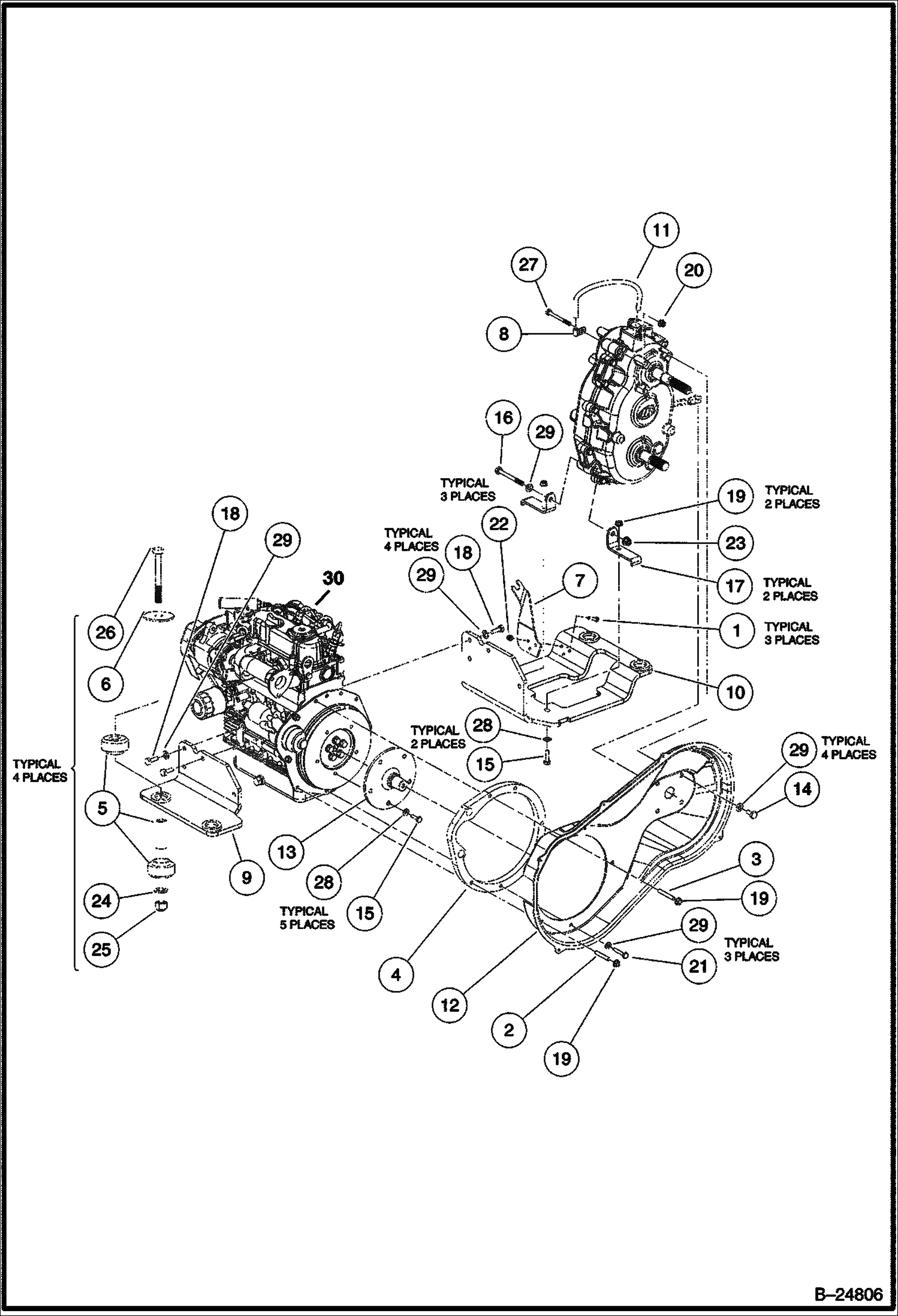
1 Артикул: 1012769CC, SCREW
2 Артикул: 101833101CC, STUD
3 Артикул: 101833201CC, STUD
4 Артикул: 102370101CC, SPACER ENGINE DIESEL
5 Артикул: 102370501CC, ISOLATOR
6 Артикул: 102370601CC, WASHER
7 Артикул: 102382401CC, BRACKET
8 Артикул: 102410603CC, CLAMP
9 Артикул: 102959001CC, MOUNT, ENG Was 102414701CC - A
10 Артикул: 102414801CC, MOUNT ENG RH
11 Артикул: 102462301CC, HOSE VENT
12 Артикул: 102462501CC, COVER CVT
13 Артикул: 102465901CC, SHAFT CVT ADAPTER
14 Артикул: 102490101CC, BOLT
15 Артикул: 102490201CC, BOLT
16 Артикул: 102491301CC, BOLT Was 102490501CC
17 Артикул: 102494401CC, BRACKET
18 Артикул: 102498201CC, BOLT
19 Артикул: 102298401CC, NUT Was 102617001CC - A
20 Артикул: 102618601CC, NUT
21 Артикул: 102621301CC, BOLT
22 Артикул: 102621501CC, NUT
23 Артикул: 102670701CC, NUT
24 Артикул: 96701412CC, WASHER
25 Артикул: 102740401CC, LOCKNUT Was 96704622CC - A
26 Артикул: 96704721CC, BOLT
27 Артикул: 96718978CC, BOLT
28 Артикул: 96741038CC, WASHER
29 Артикул: 96741046CC, WASHER
30 Артикул: 103883801CC, ENG, KUBOTA D722 T2. Kubota D722 - Order replacement engine - 103856001CC - Was 103856001CC - A

МОНТАЖ ДВИГАТЕЛЯ ДИЗЕЛЬ KUBOTA D722: Техника, которая работает на результат

МОНТАЖ ДВИГАТЕЛЯ ДИЗЕЛЬ KUBOTA D722 на дизельные автомобили Bobcat 2200 A59Y11001 И ВЫШЕ, A59Z11001 И ВЫШЕ

Габаритные размеры

Габаритные размеры и схема МОНТАЖ ДВИГАТЕЛЯ ДИЗЕЛЬ KUBOTA D722

Нажмите на схему для увеличения

Документация

Документация временно недоступна.

Похожая техника в категории: ЗАПЧАСТИ ДВИГАТЕЛЯ (Bobcat)

Спецтехника ГОЛОВКА ЦИЛИНДРА И КРИВОШИПНАЯ КОРОБКА KAWASAKI ДВИГАТЕЛЯ

ГОЛОВКА ЦИЛИНДРА И КРИВОШИПНАЯ КОРОБКА KAWASAKI ДВИГАТЕЛЯ

1Артикул: 102990...
2Артикул: 102990...
3Артикул: 102990...
Подробнее >
Спецтехника ПОРШНЕВОЙ КОМПЛЕКТ ДИЗЕЛЬ

ПОРШНЕВОЙ КОМПЛЕКТ ДИЗЕЛЬ

1Артикул: KIT, K...
2Артикул: 397403...
3Артикул: 667039...
Подробнее >
Спецтехника ТРУБОПРОВОД СИСТЕМЫ ОХЛАЖДЕНИЯ И ШЛАНГИ

ТРУБОПРОВОД СИСТЕМЫ ОХЛАЖДЕНИЯ И ШЛАНГИ

1Артикул: 102628...
2Артикул: PIPE, ...
3Артикул: PIPE, ...
Подробнее >
Спецтехника КРИВОШИПНАЯ КОРОБКА ДИЗЕЛЬ

КРИВОШИПНАЯ КОРОБКА ДИЗЕЛЬ

1Артикул: 102600...
2Артикул: 102600...
3Артикул: 102600...
Подробнее >
Спецтехника ПОРШНИ И КОЛЕНЧАТЫЙ ВАЛ ДВИГАТЕЛЯ KAWASAKI

ПОРШНИ И КОЛЕНЧАТЫЙ ВАЛ ДВИГАТЕЛЯ KAWASAKI

1Артикул: 102993...
2Артикул: 102993...
3Артикул: 102993...
Подробнее >
Спецтехника ТОПЛИВНЫЙ РАСПРЕДЕЛИТЕЛЬНЫЙ ВАЛ ДИЗЕЛЬ

ТОПЛИВНЫЙ РАСПРЕДЕЛИТЕЛЬНЫЙ ВАЛ ДИЗЕЛЬ

1Артикул: 1CM612...
2Артикул: 667042...
3Артикул: 667042...
Подробнее >
Спецтехника ВЫХЛОПНОЙ КОЛЛЕКТОР ДВИГАТЕЛЯ KAWASAKI

ВЫХЛОПНОЙ КОЛЛЕКТОР ДВИГАТЕЛЯ KAWASAKI

1Артикул: 102949...
2Артикул: 103268...
3Артикул: 967044...
Подробнее >
Спецтехника РАСПРЕДЕЛИТЕЛЬНЫЙ ВАЛ И ШЕСТЕРНИ НАТЯЖНОГО КОЛЕСА ДИЗЕЛЬ

РАСПРЕДЕЛИТЕЛЬНЫЙ ВАЛ И ШЕСТЕРНИ НАТЯЖНОГО КОЛЕСА ДИЗЕЛЬ

1Артикул: 1CM612...
2Артикул: 667038...
3Артикул: 667038...
Подробнее >
Спецтехника КОМПЛЕКТ ПРОКЛАДОК ДИЗЕЛЬ

КОМПЛЕКТ ПРОКЛАДОК ДИЗЕЛЬ

1Артикул: UPPER,...
2Артикул: 102422...
3Артикул: 397403...
Подробнее >
Спецтехника ТРАНСПОРТНОЕ СРЕДСТВО ДЛЯ ПРОКЛАДКИ КАБЕЛЕЙ С ДВИГАТЕЛЕМ KAWASAKI

ТРАНСПОРТНОЕ СРЕДСТВО ДЛЯ ПРОКЛАДКИ КАБЕЛЕЙ С ДВИГАТЕЛЕМ KAWASAKI

1Артикул: 103276...
2Артикул: 101108...
3Артикул: 102457...
Подробнее >
Спецтехника КРЫШКА ГОЛОВКИ ДИЗЕЛЬ

КРЫШКА ГОЛОВКИ ДИЗЕЛЬ

1Артикул: 668300...
2Артикул: 102644...
3Артикул: 102798...
Подробнее >
Спецтехника ГОЛОВКА ЦИЛИНДРА ДИЗЕЛЬ

ГОЛОВКА ЦИЛИНДРА ДИЗЕЛЬ

1Артикул: 397403...
2Артикул: 667035...
3Артикул: 397488...
Подробнее >