МОНТАЖ КАБИНЫ — Продажа в Казахстане Цены от официального дилера с доставкой в Алматы, Астану и регионы
×
❮
❯
Характеристики и описание
Габариты, схема
Техническая документация
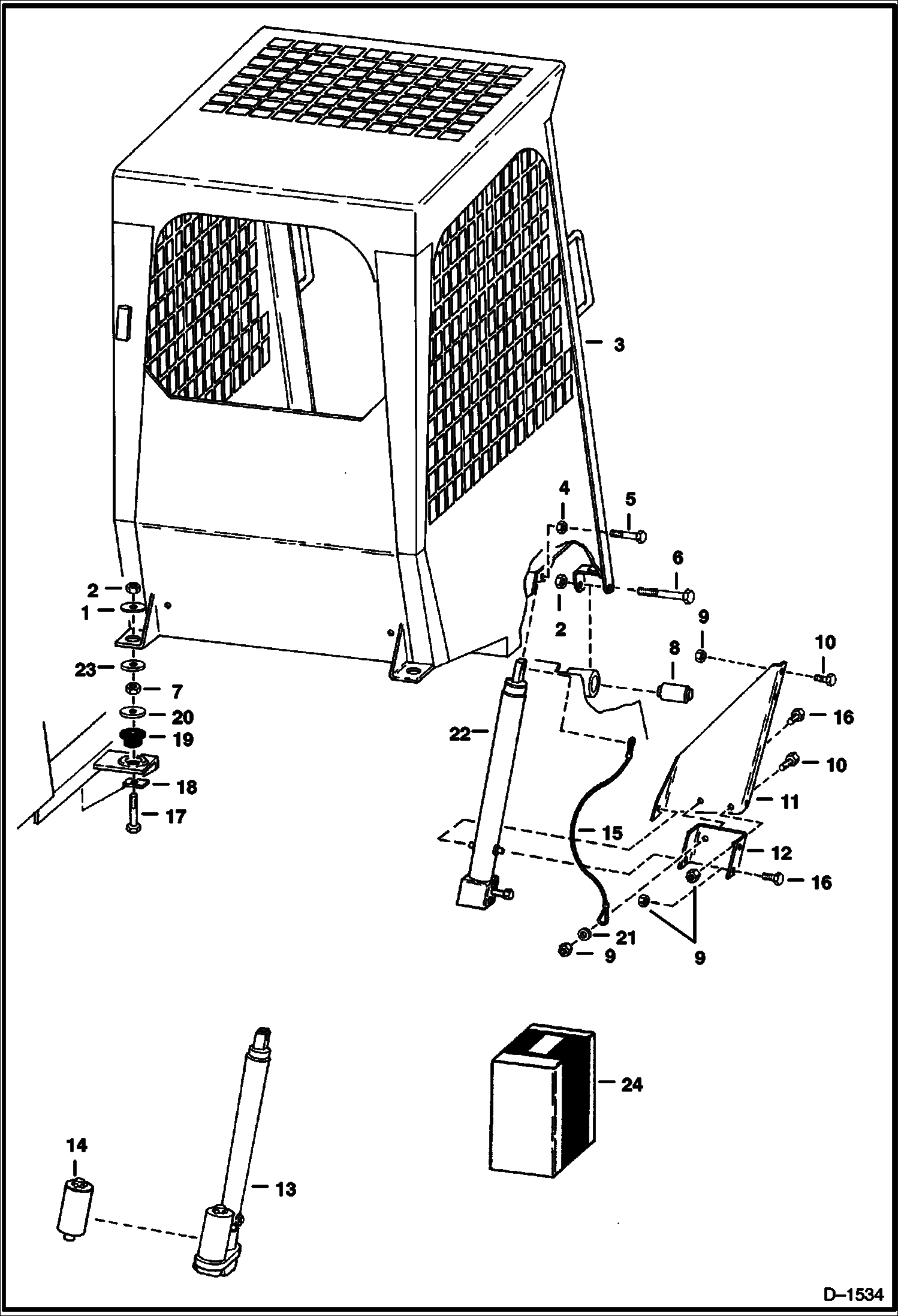
| 1 | Артикул: WASHER, WASHER NLA - Was 6559831 - A |
| 2 | Артикул: 83D10, NUT 5 |
| 3 | Артикул: 6554936, OPERATOR CAB |
| 4 | Артикул: 85D8, NUT, 5 |
| 5 | Артикул: 17C880, BOLT |
| 6 | Артикул: 17C1072, BOLT |
| 7 | Артикул: 61D10, NUT |
| 8 | Артикул: BUSHING, BUSHING NLA - Was 6519138 - A |
| 9 | Артикул: 83D6, NUT 5 |
| 10 | Артикул: 31C616, SCREW |
| 11 | Артикул: 6543704, BRACKET jack - Electrical |
| 12 | Артикул: BRACKET, BRACKET NLA - jack - mechanical - Was 6562149 - A |
| 13 | Артикул: 6543703, BRACKET jack - Electrical |
| 14 | Артикул: BRACKET, BRACKET NLA - jack - mechanical - Was 6562150 - A |
| 15 | Артикул: JACK, JACK NLA - Electrical - Can use 6562508 Ref. 24 - Was 6551881 - A |
| 16 | Артикул: 6510634, JACK Electrical - W/Ref. 14 |
| 17 | Артикул: MOTOR, MOTOR NLA - Order 7003012 - Was 6512953 - A |
| 18 | Артикул: CABLE, CABLE NLA - Was 6562459 & 6590869 - A |
| 19 | Артикул: 31C620, BOLT |
| 20 | Артикул: 6562124, BOLT |
| 21 | Артикул: SPACER, SPACER NLA - Was 6590871 - A |
| 22 | Артикул: MOUNT, MOUNT NLA - shock - Was 5206629 - A |
| 23 | Артикул: 6514557, WASHER |
| 24 | Артикул: 619021, WASHER, 5 |
| 25 | Артикул: 6510634, JACK See Illustration CAB TILT JACK/ D1539 - Mechanical - Was 6598081 - A |
| 26 | Артикул: 27E10, WASHER |
| 27 | Артикул: KIT, KIT NLA - jack - Ref. 11, 12 & 22 - to change from electric jack to mechanical jack - Was 6562508 - A |
МОНТАЖ КАБИНЫ: Техника, которая работает на результат
МОНТАЖ КАБИНЫ на Bobcat 800s Bobcat 825 4958M11001 И ВЫШЕГабаритные размеры
Нажмите на схему для увеличения
Документация
Документация временно недоступна.
Похожая техника в категории: РАМА (Bobcat)
СИДЕНИЕ
1Артикул: 656314...
2Артикул: 659880...
3Артикул: 663046...
Подробнее >
ПОДЪЕМНАЯ РУКОЯТЬ И BOB-TACH
1Артикул: 655414...
2Артикул: 85D6, ...
3Артикул: 17C648...
Подробнее >
КАБИНА ОПЕРАТОРА
1Артикул: 81D6, ...
2Артикул: 25E17,...
3Артикул: 655579...
Подробнее >
ОПОРА СИДЕНЬЯ (СЕРИЙНЫЙ НОМЕР 20935 И ВЫШЕ)
1Артикул: 17C616...
2Артикул: 656261...
3Артикул: 656319...
Подробнее >
BOB-TACH (СЕРИЙНЫЙ НОМЕР 11999 И НИЖЕ)
1Артикул: PIN, P...
2Артикул: FRAME,...
3Артикул: 17C880...
Подробнее >
ОКОННАЯ РЕШЕТКА И КАПОТ
1Артикул: 85G101...
2Артикул: 725246...
3Артикул: 1F308,...
Подробнее >
BOB-TACH (СЕРИЙНЫЙ НОМЕР 12001 И ВЫШЕ)
1Артикул: FRAME,...
2Артикул: 654858...
3Артикул: 7D8, N...
Подробнее >
ТОПЛИВНАЯ СИСТЕМА
1Артикул: 651562...
2Артикул: 663246...
3Артикул: CAP, C...
Подробнее >
КРЕПЕЖНЫЕ ДЕТАЛИ РАМЫ ШАССИ
1Артикул: 659107...
2Артикул: 25E16,...
3Артикул: 61D6, ...
Подробнее >
ПОДЪЕМНОЕ УСТРОЙСТВО КАБИНЫ
1Артикул: 651063...
2Артикул: TUBE, ...
3Артикул: TUBE, ...
Подробнее >