+7 (701) 588 50 05 Телефон для связи
RU

WhatsApp

Позвонить

МОСТ — Продажа в Казахстане Цены от официального дилера с доставкой в Алматы, Астану и регионы

Техника доступна в:
Полный спектр услуг:
Для Вашего удобства:
Характеристики и описание
Габариты, схема
Техническая документация
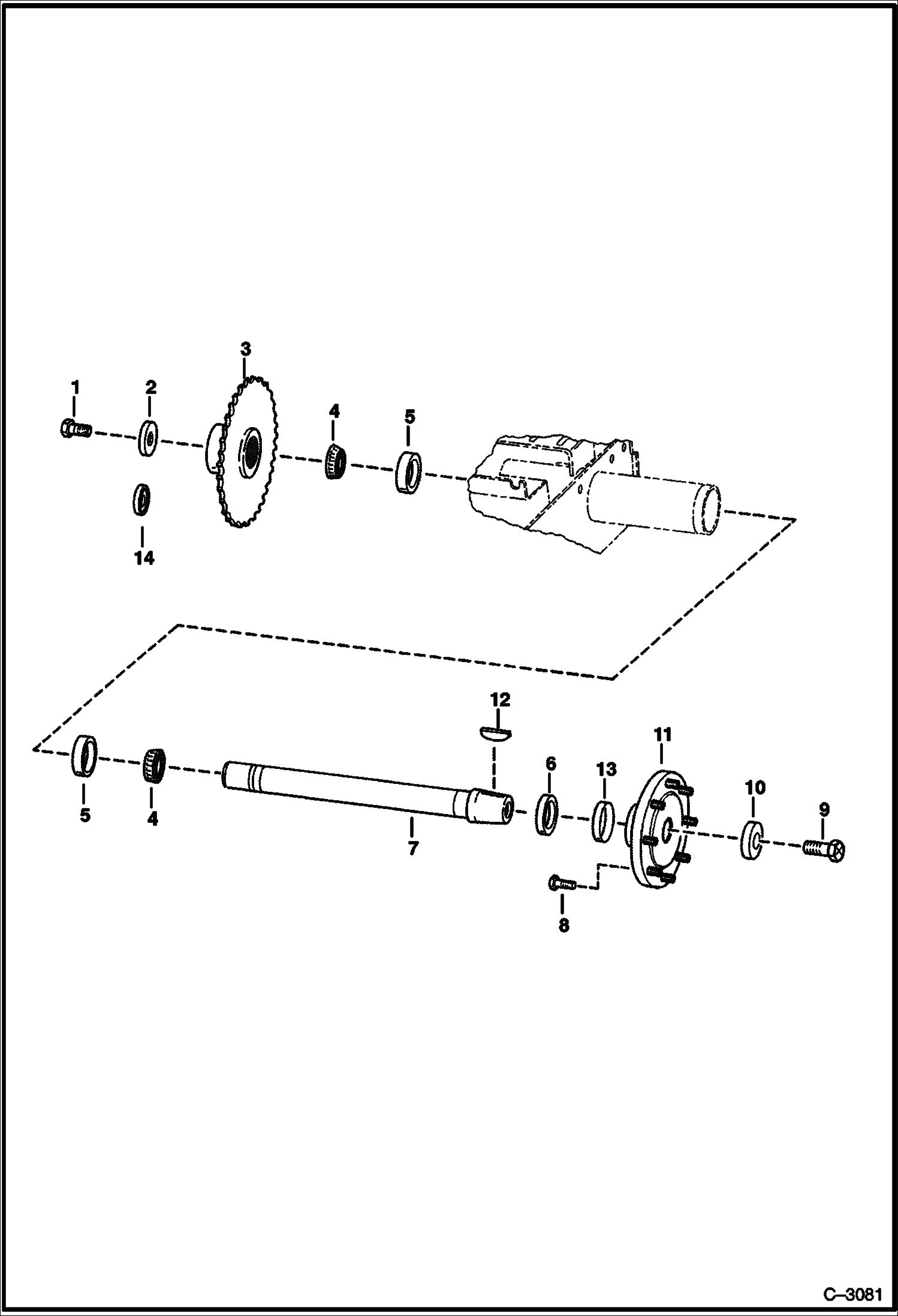
1 Артикул: 18C1224, BOLT
2 Артикул: 6552871, WASHER
3 Артикул: 7134137, SPROCKET Was 6577204 - A
4 Артикул: 6689775, BEARING, AXLE Was 6519925 - A
5 Артикул: 6689638, CUP, BEARING Was 6634609 - A
6 Артикул: 6658228, SEAL, OIL Was 6634618 - A
7 Артикул: 6569465, AXLE
8 Артикул: 6709170, BOLT, WHEEL Was 6559502 - A
9 Артикул: 18C1632, BOLT 2-- (50,8 mm) long - For Ref. 7 - W/1.5-- (38,1 mm) deep threads
10 Артикул: 18C1636, BOLT 2.25-- (57,2 mm) long - For Ref. 7 W/1.65-- (41,9 mm) deep threads
11 Артикул: 6716843, WASHER recessed - Was 6569461 - A
12 Артикул: 6578689, HUB
13 Артикул: 6J1664, KEY
14 Артикул: 6662306, RING wear - service part only
15 Артикул: 6722907, KIT See Illustration AXLE SEAL KIT/ B4041 - axle seal & wear sleeve
16 Артикул: 6563606, WASHER recessed - Used to take up .005 or .010 end play on axle

МОСТ: Техника, которая работает на результат

МОСТ на Bobcat 700s Bobcat 753 508611001 - 508629999

Габаритные размеры

Габаритные размеры и схема МОСТ

Нажмите на схему для увеличения

Документация

Документация временно недоступна.

Похожая техника в категории: ТРАНСМИССИЯ (Bobcat)