+7 (701) 588 50 05 Телефон для связи
RU

WhatsApp

Позвонить

МОСТ — Продажа в Казахстане Цены от официального дилера с доставкой в Алматы, Астану и регионы

Техника доступна в:
Полный спектр услуг:
Для Вашего удобства:
Характеристики и описание
Габариты, схема
Техническая документация
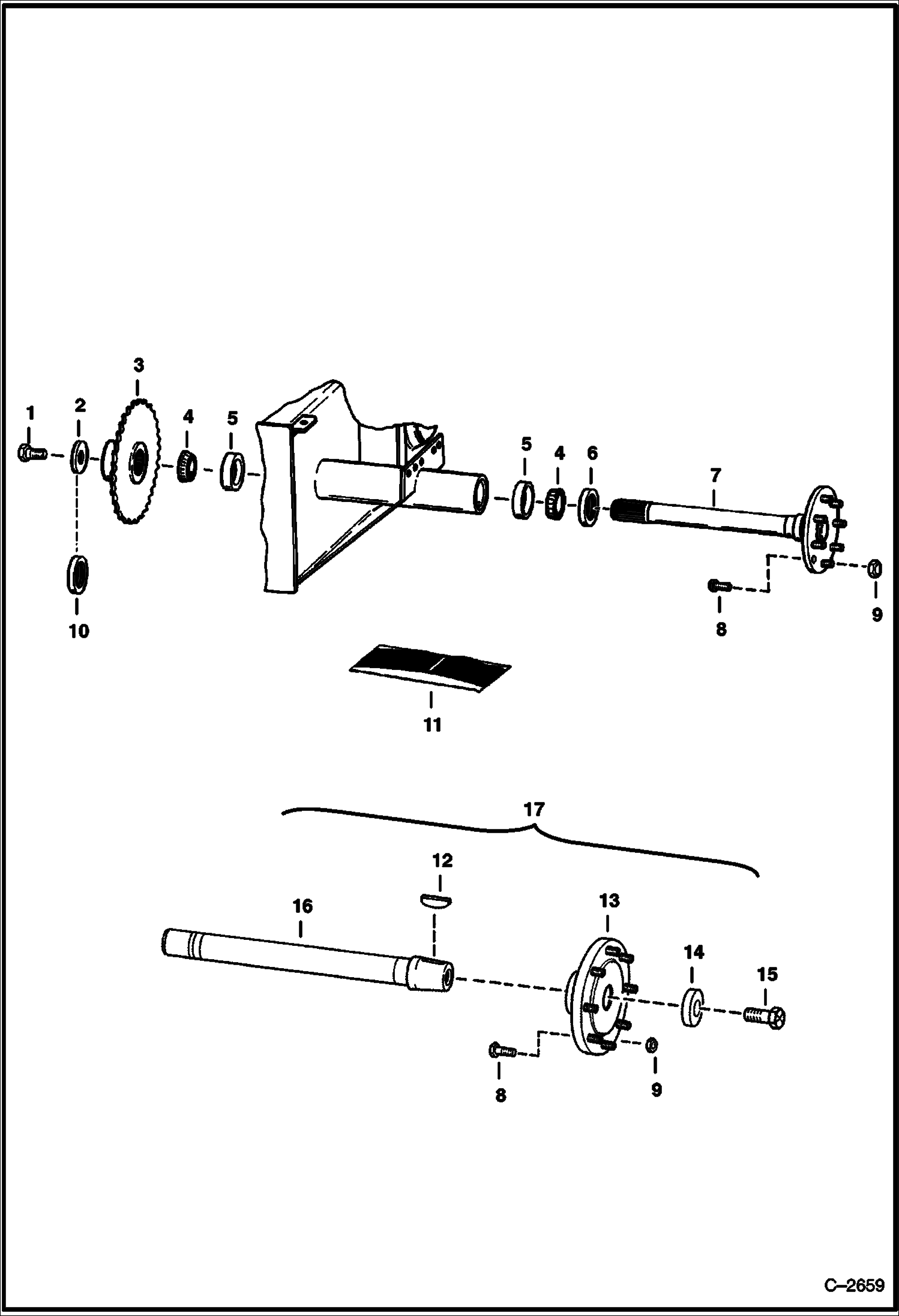
1 Артикул: 18C1224, BOLT
2 Артикул: 6552871, WASHER
3 Артикул: 6548891, SPROCKET
4 Артикул: 3974866, BEARING, AXLE W/Ref. 5
5 Артикул: RACE, RACE NSS - Order Ref. 4
6 Артикул: 6660126, SEAL
7 Артикул: AXLE, AXLE ASSY. NLA - Order 6722927 Hub Kit - Was 6568926 - A
8 Артикул: 6709170, BOLT, WHEEL 9/16-- - Was 6559502 - A
9 Артикул: 6564669, NUT, 10 9/16--
10 Артикул: 6563606, WASHER recessed - Use to Take Up .005 or .010 End Play on Axle
11 Артикул: 6568835, WASHER recessed - Use to Take Up .020 End Play of Axle
12 Артикул: 6568974, KIT See Illustration AXLE SEAL KIT/ B4041 AXLE SEAL
13 Артикул: 6J1664, KEY
14 Артикул: 6706038, HUB W/Ref. 8 - (9/16-- studs)
15 Артикул: 6716843, WASHER Was 6569461 - A
16 Артикул: 18C1632, BOLT 2-- (50.8mm) long - for Ref. 16 w/ 1.5-- (38.1mm) deep threads
17 Артикул: 18C1636, BOLT 2.25-- (57.2 mm) long - for Ref. 16 w/1.65-- (41,9 mm) deep threads
18 Артикул: 6706039, AXLE ASSY.
19 Артикул: 6722927, KIT W/Ref. 8, 12 - 16 - Assemble Kit per illustration and torque Ref. 15 to 175-190 Ft. lbs

МОСТ: Техника, которая работает на результат

МОСТ на Bobcat 500s Bobcat 543 511111001 И ВЫШЕ

Габаритные размеры

Габаритные размеры и схема МОСТ

Нажмите на схему для увеличения

Документация

Документация временно недоступна.

Похожая техника в категории: ТРАНСМИССИЯ (Bobcat)