+7 (701) 588 50 05 Телефон для связи
RU

WhatsApp

Позвонить

ОСИ (БЕЗ ФУНКЦИИ ВЫРАВНИВАНИЯ) (СЕРИЙНЫЙ НОМЕР B3KV11001 И ВЫШЕ) — Продажа в Казахстане Цены от официального дилера с доставкой в Алматы, Астану и регионы

Техника доступна в:
Полный спектр услуг:
Для Вашего удобства:
Характеристики и описание
Габариты, схема
Техническая документация
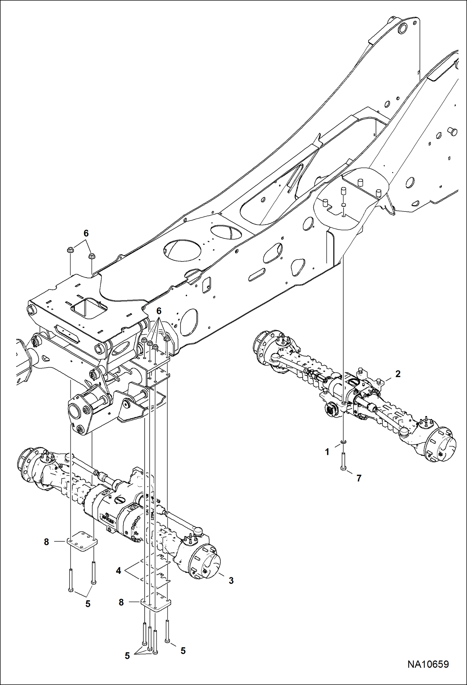
1 Артикул: 7197622, WASHER
2 Артикул: 7214984, AXLE, REAR See Illustration REAR AXLE/ EM10260 See Illustration HUB REDUCTION/ EM10256 See Illustration REAR AXLE/ EM10255 See Illustration REAR AXLE/ EM10258
3 Артикул: 7214985, AXLE, FRONT See Illustration FRONT AXLE/ EM10259 See Illustration FRONT AXLE/ EM10254 See Illustration HUB REDUCTION/ EM10256 See Illustration FRONT AXLE/ EM10257 See Illustration FRONT AXLE/ EM10261 See Illustration FRONT AXLE/ EM10262
4 Артикул: 7225544, PLATE
5 Артикул: 1CM20240, SCREW
6 Артикул: 43DM20, NUT
7 Артикул: 7CM20120, SCREW
8 Артикул: 7238622, PATCH, STABILIZATION

ОСИ (БЕЗ ФУНКЦИИ ВЫРАВНИВАНИЯ) (СЕРИЙНЫЙ НОМЕР B3KV11001 И ВЫШЕ): Техника, которая работает на результат

ОСИ (БЕЗ ФУНКЦИИ ВЫРАВНИВАНИЯ) (СЕРИЙНЫЙ НОМЕР B3KV11001 И ВЫШЕ) на телескопический погрузчик Bobcat T35130SL B3KV11001 И ВЫШЕ, B3KW11001 И ВЫШЕ

Габаритные размеры

Габаритные размеры и схема ОСИ (БЕЗ ФУНКЦИИ ВЫРАВНИВАНИЯ) (СЕРИЙНЫЙ НОМЕР B3KV11001 И ВЫШЕ)

Нажмите на схему для увеличения

Документация

Документация временно недоступна.

Похожая техника в категории: ХОДОВАЯ СИСТЕМА (Bobcat)