ОТ ЦИЛИНДРА ПОВОРОТА СТРЕЛЫ) — Продажа в Казахстане Цены от официального дилера с доставкой в Алматы, Астану и регионы
×
❮
❯
Характеристики и описание
Габариты, схема
Техническая документация
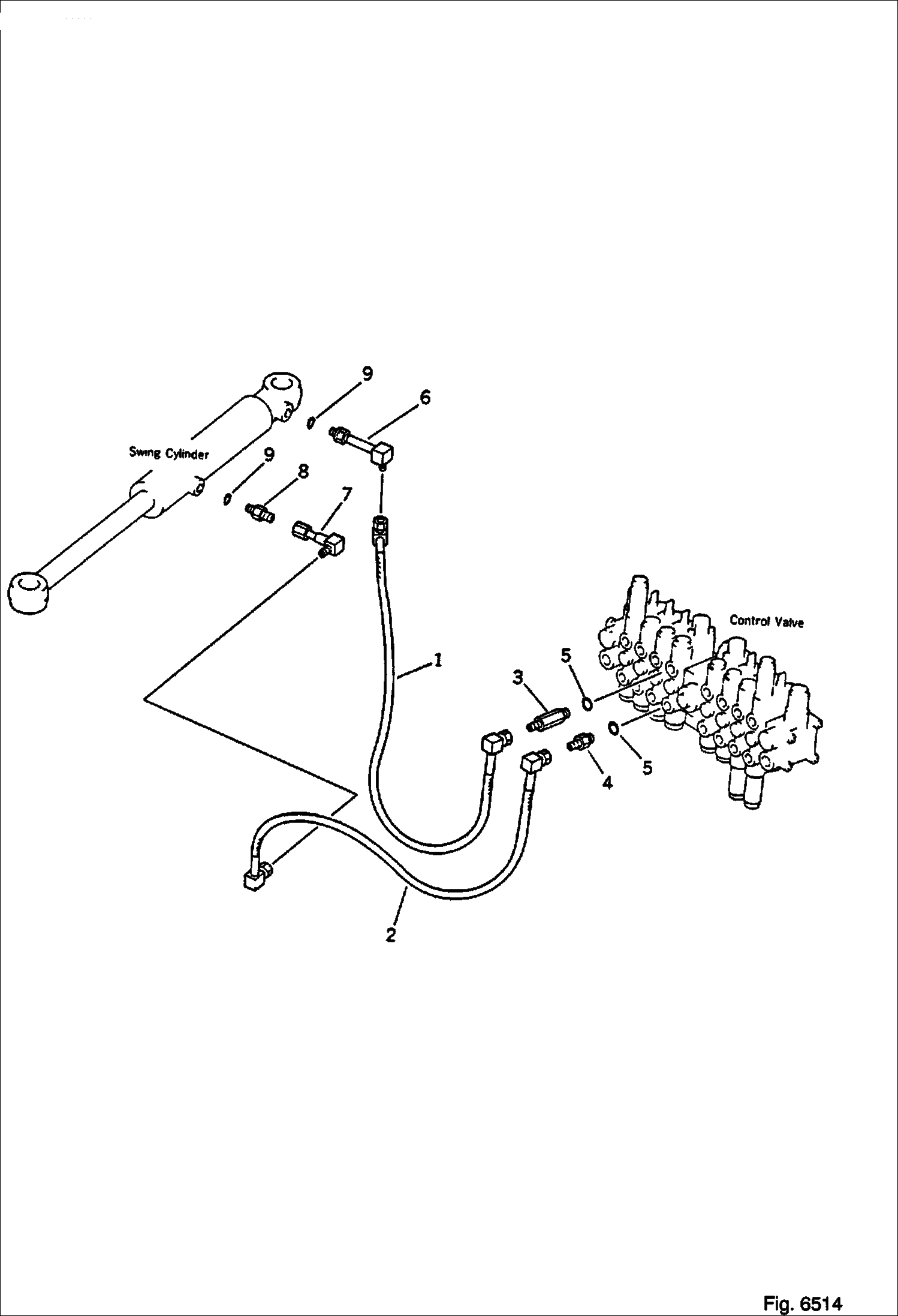
| 1 | Артикул: 6638093, HOSE |
| 2 | Артикул: 6638092, HOSE |
| 3 | Артикул: 6638102, NIPPLE |
| 4 | Артикул: 6638100, NIPPLE |
| 5 | Артикул: 6637415, O-RING |
| 6 | Артикул: 6638105, ELBOW |
| 7 | Артикул: 6638106, ELBOW |
| 8 | Артикул: 6638099, NIPPLE |
| 9 | Артикул: 6637414, O-RING |
ОТ ЦИЛИНДРА ПОВОРОТА СТРЕЛЫ): Техника, которая работает на результат
ТРУБОПРОВОД ГИДРАВЛИЧЕСКОЙ СИСТЕМЫ (КЛАПАН В/ОТ ЦИЛИНДРА ПОВОРОТА СТРЕЛЫ) на мини-экскаватор Bobcat 56 504711001 - 504711999Габаритные размеры
Нажмите на схему для увеличения
Документация
Документация временно недоступна.
Похожая техника в категории: ТРУБОПРОВОД ГИДРАВЛИЧЕСКОЙ СИСТЕМЫ (КЛАПАН В (Bobcat)
ОТ ЭКСКАВАТОРА-ПОГРУЗЧИКА) (ДЛЯ ДОПОЛНИТЕЛЬНОГО КЛАПАНА)
1Артикул: NIPPLE...
2Артикул: 663741...
3Артикул: 664239...
Подробнее >
ИЗ ВЕНТИЛЯТОРА ЦИЛИНДРА)
1Артикул: 663808...
2Артикул: 663808...
3Артикул: 663839...
Подробнее >
ИЗ ЦИЛИНДРА СТРЕЛЫ)
1Артикул: 663807...
2Артикул: 663808...
3Артикул: 663839...
Подробнее >