+7 (701) 588 50 05 Телефон для связи
RU

WhatsApp

Позвонить

ПЕРВАЯ ПРОМЕЖУТОЧНАЯ СТРЕЛА — Продажа в Казахстане Цены от официального дилера с доставкой в Алматы, Астану и регионы

Техника доступна в:
Полный спектр услуг:
Для Вашего удобства:
Характеристики и описание
Габариты, схема
Техническая документация
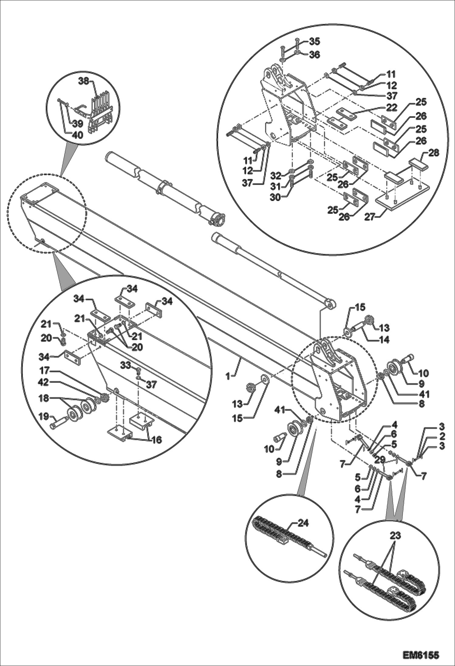
1 Артикул: 7014586, BOOM
2 Артикул: 7018061, WASHER
3 Артикул: 7021565, PIN, LOCK
4 Артикул: 7020206, WASHER
5 Артикул: 7021449, NUT
6 Артикул: 7020582, NUT
7 Артикул: 7021563, TENSIONER, CHAIN
8 Артикул: 7014566, NUT, CAGED
9 Артикул: 7014943, PULLEY
10 Артикул: 7014902, PIN
11 Артикул: 7020579, PIN, DOWEL
12 Артикул: 7019729, NUT
13 Артикул: 7014567, NUT, CAGED
14 Артикул: 7014901, PIN
15 Артикул: 7015194, SPACER
16 Артикул: 7020587, PAD, WEAR
17 Артикул: 7014565, NUT, CAGED
18 Артикул: 7014942, PULLEY
19 Артикул: 7014898, PIN
20 Артикул: 7019683, SCREW
21 Артикул: 7020214, WASHER
22 Артикул: 7020055, PAD, WEAR
23 Артикул: 7014963, CHAIN
24 Артикул: 7014962, CHAIN
25 Артикул: 7020575, SPACER
26 Артикул: 7020577, PAD, WEAR
27 Артикул: 7020584, PLATE
28 Артикул: 7020585, PAD, WEAR
29 Артикул: 7021572, PIN, COTTER
30 Артикул: 7020581, PIN, DOWEL
31 Артикул: 7020582, NUT
32 Артикул: 7020583, WASHER
33 Артикул: 7020586, SCREW
34 Артикул: 7020055, PAD, WEAR
35 Артикул: 7019682, SCREW
36 Артикул: 7020214, WASHER
37 Артикул: 7020580, WASHER
38 Артикул: 7014604, GUIDE
39 Артикул: 7019741, WASHER
40 Артикул: 7019675, SCREW
41 Артикул: 7020204, WASHER
42 Артикул: 7020205, WASHER

ПЕРВАЯ ПРОМЕЖУТОЧНАЯ СТРЕЛА: Техника, которая работает на результат

ПЕРВАЯ ПРОМЕЖУТОЧНАЯ СТРЕЛА на телескопический погрузчик Bobcat TR40250 HVL1560000 И ВЫШЕ

Габаритные размеры

Габаритные размеры и схема ПЕРВАЯ ПРОМЕЖУТОЧНАЯ СТРЕЛА

Нажмите на схему для увеличения

Документация

Документация временно недоступна.

Похожая техника в категории: РАМА (Bobcat)

Спецтехника НЕПОДВИЖНАЯ СТРЕЛА

НЕПОДВИЖНАЯ СТРЕЛА

1Артикул: 702057...
2Артикул: 702057...
3Артикул: 702058...
Подробнее >
Спецтехника КАБИНА ОПЕРАТОРА (ДВЕРЦА)

КАБИНА ОПЕРАТОРА (ДВЕРЦА)

1Артикул: 701392...
2Артикул: 701375...
3Артикул: 701383...
Подробнее >
Спецтехника КАБИНА ВОДИТЕЛЯ (ОКНА)

КАБИНА ВОДИТЕЛЯ (ОКНА)

1Артикул: 701385...
2Артикул: 701385...
3Артикул: 701384...
Подробнее >
Спецтехника СИДЕНИЕ

СИДЕНИЕ

1Артикул: 701370...
2Артикул: 701371...
3Артикул: WASHER...
Подробнее >
Спецтехника КАБИНА ВОДИТЕЛЯ (ВНУТРЕННИЙ ОБТЕКАТЕЛЬ)

КАБИНА ВОДИТЕЛЯ (ВНУТРЕННИЙ ОБТЕКАТЕЛЬ)

1Артикул: 701378...
2Артикул: 701379...
3Артикул: 701379...
Подробнее >
Спецтехника РАМА, КРОНШТЕЙНЫ И ОБТЕКАТЕЛЬ

РАМА, КРОНШТЕЙНЫ И ОБТЕКАТЕЛЬ

1Артикул: 701978...
2Артикул: 701453...
3Артикул: 701816...
Подробнее >
Спецтехника ПЕДАЛИ

ПЕДАЛИ

1Артикул: 701385...
2Артикул: 701388...
3Артикул: 701393...
Подробнее >
Спецтехника ВТОРАЯ ПРОМЕЖУТОЧНАЯ СТРЕЛА

ВТОРАЯ ПРОМЕЖУТОЧНАЯ СТРЕЛА

1Артикул: 701458...
2Артикул: 701972...
3Артикул: 702057...
Подробнее >
Спецтехника СИСТЕМА ОБОГРЕВА

СИСТЕМА ОБОГРЕВА

1Артикул: 701376...
2Артикул: 701497...
3Артикул: 701813...
Подробнее >
Спецтехника НАПРАВЛЯЮЩАЯ ШЛАНГА

НАПРАВЛЯЮЩАЯ ШЛАНГА

1Артикул: 702159...
2Артикул: 702154...
3Артикул: 702159...
Подробнее >
Спецтехника КАБИНА ОПЕРАТОРА (ВНУТРЕННЯЯ ОТДЕЛКА)

КАБИНА ОПЕРАТОРА (ВНУТРЕННЯЯ ОТДЕЛКА)

1Артикул: 701377...
2Артикул: 701376...
3Артикул: 701379...
Подробнее >
Спецтехника КАБИНА ОПЕРАТОРА (ВНЕШНЯЯ ЧАСТЬ)

КАБИНА ОПЕРАТОРА (ВНЕШНЯЯ ЧАСТЬ)

1Артикул: 702520...
2Артикул: 701382...
3Артикул: 701491...
Подробнее >