ПОДЪЕМНАЯ РУКОЯТЬ И BOB-TACH — Продажа в Казахстане Цены от официального дилера с доставкой в Алматы, Астану и регионы
×
❮
❯
Характеристики и описание
Габариты, схема
Техническая документация
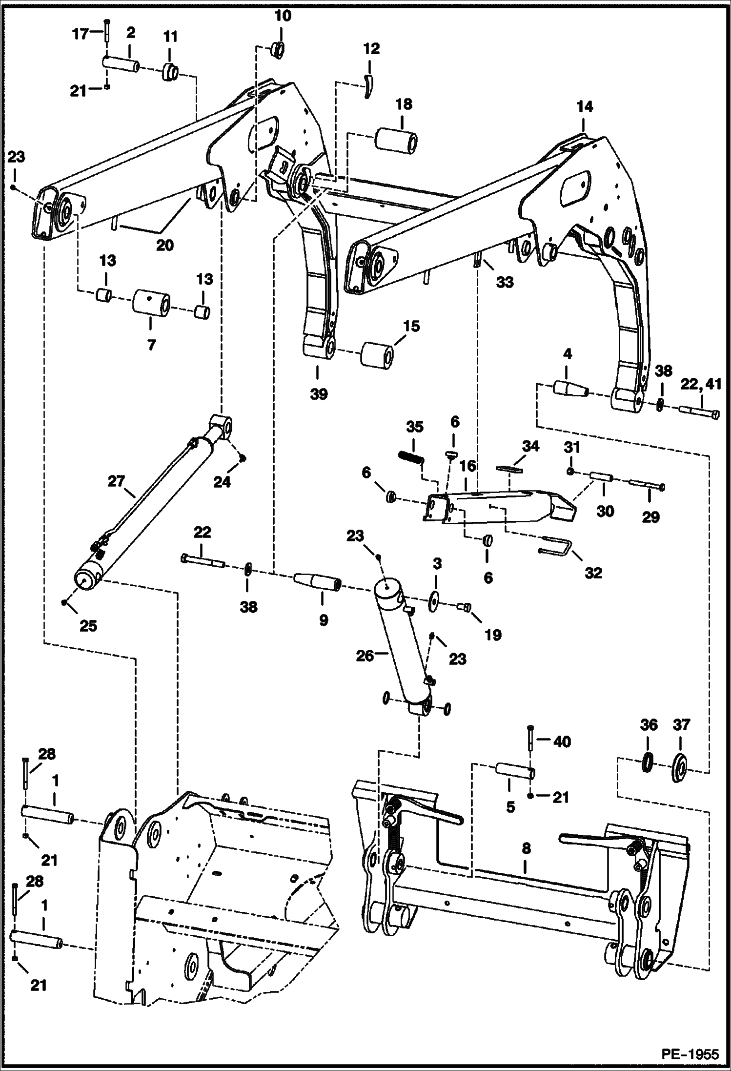
| 1 | Артикул: 6717560, PIN 1.25-- x 6.46-- (31,8 mm x 164,0 mm) |
| 2 | Артикул: 6718789, PIN 1.25-- x 4.40-- (31,8 mm x 111,8 mm) |
| 3 | Артикул: 6731160, WASHER |
| 4 | Артикул: PIN, PIN NLA - tapered - 1.5-- x 4.17-- - (38,1 mm x 105,6 mm) - Order 7101078 pin - Was 6734661 - A |
| 5 | Артикул: 7101078, PIN, PIVOT TAPERED tapered - 38 x 103 mm (1.5 x 4.05--) |
| 6 | Артикул: 6577954, PIN, PIVOT 1.25-- x 4.65-- (31,7 mm x 118 mm) |
| 7 | Артикул: 6519178, BUMPER |
| 8 | Артикул: 7216445, BUSHING, WELD-ON W/Ref. 13 - Was 6732265 |
| 9 | Артикул: BOB-TACH, BOB-TACH See Illustration BOB-TACH/ PE1540 SALES |
| 10 | Артикул: 6734662, PIN, PIVOT TAPERED tapered - 1.5-- x 5.7-- (38,1 mm x 144,8 mm) |
| 11 | Артикул: 6717025, BUSHING weld on - Was 6703616 - A |
| 12 | Артикул: 6555987, BUSHING weld on |
| 13 | Артикул: 6733749, GUSSET |
| 14 | Артикул: 6717562, BUSHING, WEAR |
| 15 | Артикул: LIFT, LIFT ARM See BTI380 NLA - Was 6734088 - A |
| 16 | Артикул: 7120498, BUSHING weld on - service only - 3.05-- (77,5 mm) long - W/tapered hole for 1.5-- (38,1 mm) dia pin - Use W/Ref. 14 (NLA/6734088 lift arm) |
| 17 | Артикул: 7160425, BUSHING, TAPERED press fit - service only - 3.50-- (87,6 mm) long for Ref. 14 (7114257 lift arm) - W/tapered hole for 1.5-- (38,1 mm) dia pin |
| 18 | Артикул: 6734538, STOP lift arm |
| 19 | Артикул: 17C640, BOLT |
| 20 | Артикул: 6734660, BUSHING weld on |
| 21 | Артикул: 17C1016, BOLT |
| 22 | Артикул: 1313995, STUD weld on |
| 23 | Артикул: 85D6, NUT, 5 |
| 24 | Артикул: 17C1080, SCREW |
| 25 | Артикул: 10H25, FITTING, GREASE 5 |
| 26 | Артикул: 12H15, FITTING, GREASE 5 |
| 27 | Артикул: 11H15, GREASE FITTING |
| 28 | Артикул: CYLINDER, CYLINDER See Illustration TILT CYLINDER/ PE1056 TILT |
| 29 | Артикул: CYLINDER, CYLINDER See Illustration LIFT CYLINDER/ TS1097 LIFT |
| 30 | Артикул: 17C660, BOLT |
| 31 | Артикул: 17C656, BOLT |
| 32 | Артикул: 6700533, SPACER |
| 33 | Артикул: 61D6, NUT 5 |
| 34 | Артикул: 6714810, PIN retainer |
| 35 | Артикул: 6705091, TAB weld on |
| 36 | Артикул: 6704436, PAD |
| 37 | Артикул: 6579072, SPRING |
| 38 | Артикул: 6651709, SEAL |
| 39 | Артикул: 6732443, CUP seal |
| 40 | Артикул: 27E10, WASHER |
| 41 | Артикул: ARM, ARM NSS - lower - weld on |
| 42 | Артикул: 17C648, BOLT 5 |
| 43 | Артикул: 47C1080, BOLT W/pre-applied thread lock - Use W/Ref. 14 (NLA/ 6734088 lift arm) |
| 44 | Артикул: 47C1088, BOLT W/pre-applied thread lock - Use W/Ref. 14 (7114258 lift arm) |
ПОДЪЕМНАЯ РУКОЯТЬ И BOB-TACH: Техника, которая работает на результат
ПОДЪЕМНАЯ РУКОЯТЬ И BOB-TACH на мини-погрузчик Bobcat S150 526611001 И ВЫШЕ, 526711001 И ВЫШЕ, 526811001 И ВЫШЕ, 526911001 И ВЫШЕ, 539711001 И ВЫШЕ, 539811001 И ВЫШЕГабаритные размеры
Нажмите на схему для увеличения
Документация
Документация временно недоступна.
Похожая техника в категории: РАМА (Bobcat)
КАБИНА ОПЕРАТОРА
1Артикул: OPERAT...
2Артикул: 667503...
3Артикул: SEAT, ...
Подробнее >
ПАНЕЛИ (РУКОВОДСТВО ПО ЭКСПЛУАТАЦИИ РУЧНОГО УПРАВЛЕНИЯ)
1Артикул: 672530...
2Артикул: 84G371...
3Артикул: SHIELD...
Подробнее >
СИДЕНИЕ И ОПОРА СИДЕНЬЯ
1Артикул: 666913...
2Артикул: 669171...
3Артикул: 667489...
Подробнее >
СИДЕНИЕ (МИЧИГАН)
1Артикул: 666913...
2Артикул: 667016...
3Артикул: EDGING...
Подробнее >
ПАНЕЛИ (МНОГОРЕЖИМНЫЙ ДЖОЙСТИК УПРАВЛЕНИЯ)
1Артикул: 672530...
2Артикул: 84G371...
3Артикул: SHIELD...
Подробнее >
ТОПЛИВНАЯ СИСТЕМА
1Артикул: 673666...
2Артикул: TANK,,...
3Артикул: 712088...
Подробнее >
BOB-TACH
1Артикул: 714350...
2Артикул: KIT,, ...
3Артикул: 17C660...
Подробнее >
ЗАДНЯЯ ДВЕРЬ
1Артикул: 38C840...
2Артикул: 680973...
3Артикул: 680972...
Подробнее >