+7 (701) 588 50 05 Телефон для связи
RU

WhatsApp

Позвонить

ПОДЪЕМНАЯ РУКОЯТЬ И BOB-TACH — Продажа в Казахстане Цены от официального дилера с доставкой в Алматы, Астану и регионы

Техника доступна в:
Полный спектр услуг:
Для Вашего удобства:
Характеристики и описание
Габариты, схема
Техническая документация
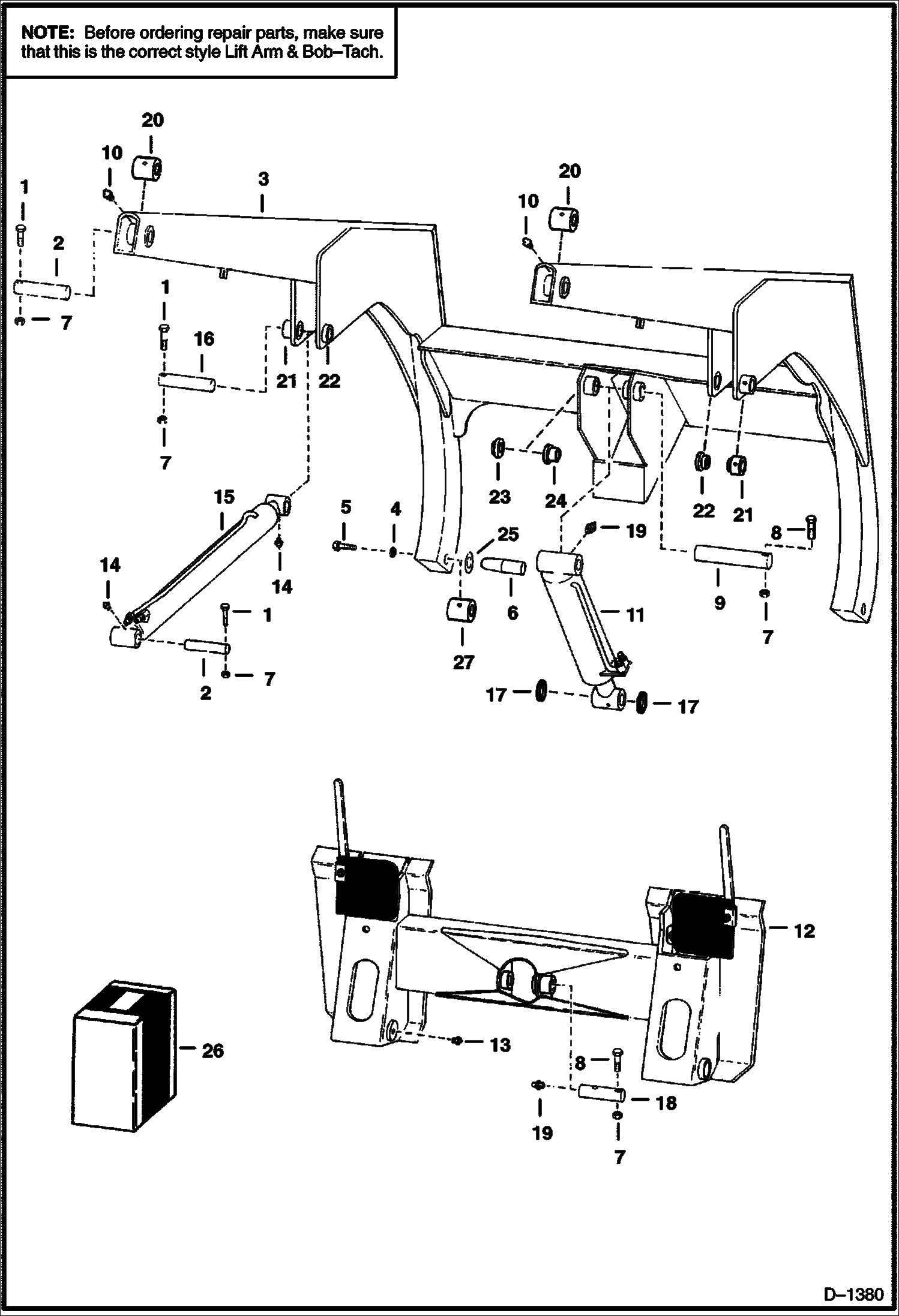
1 Артикул: 17C640, BOLT
2 Артикул: 6547595, PIN
3 Артикул: LIFT, LIFT ARM See Illustration LIFT ARM & BOBTACH/ E2114 NLA - Order 6703953 Lift Arm, 6539810 Cylinder & 6705172 Bob-Tach Kit
4 Артикул: 6703953, LIFT ARM Was 6565501 - A
5 Артикул: 6555455, WASHER
6 Артикул: 17C1020, BOLT 5
7 Артикул: 17C1064, BOLT 5
8 Артикул: PIN, PIN NLA - Order Ref. 26 - Was 6555449 - A
9 Артикул: 85D6, NUT, 5
10 Артикул: 17C632, BOLT 5
11 Артикул: 6553061, PIN
12 Артикул: 10H35, FITTING, GREASE 10
13 Артикул: CYLINDER, CYLINDER See Illustration TILT CYLINDER/ B18044 TILT
14 Артикул: BOB-TACH, BOB-TACH See Illustration BOB-TACH/ C2210
15 Артикул: 743332, FITTING, GREASE 5
16 Артикул: 11H15, GREASE FITTING
17 Артикул: CYLINDER, CYLINDER See Illustration LIFT CYLINDER/ B6942 See Illustration LIFT CYLINDER/ B2206 LIFT
18 Артикул: 6547593, PIN, PIVOT
19 Артикул: 6513605, SEAL
20 Артикул: 6703572, PIN, PIVOT See BTI167 Was 6560704 - A
21 Артикул: 10H25, FITTING, GREASE 5
22 Артикул: 6578356, BUSHING Weld On - Was 6557097 - A
23 Артикул: 6555987, BUSHING weld on
24 Артикул: 6555989, BUSHING Weld On
25 Артикул: 6558779, BUSHING Weld On
26 Артикул: 6558803, BUSHING Weld On
27 Артикул: 27E18, WASHER 5 See BTI178
28 Артикул: 6707521, PIN KIT
29 Артикул: 6714874, BUSHING, WELD-ON weld-on-W/tapered hole - 1.25--(31,8 mm)

ПОДЪЕМНАЯ РУКОЯТЬ И BOB-TACH: Техника, которая работает на результат

ПОДЪЕМНАЯ РУКОЯТЬ И BOB-TACH на Bobcat 700s Bobcat 731 4999M11001 И ВЫШЕ, 5006M11001 И ВЫШЕ

Габаритные размеры

Габаритные размеры и схема ПОДЪЕМНАЯ РУКОЯТЬ И BOB-TACH

Нажмите на схему для увеличения

Документация

Документация временно недоступна.

Похожая техника в категории: РАМА (Bobcat)

Спецтехника ПОДЪЕМНАЯ РУКОЯТЬ И BOBTACH

ПОДЪЕМНАЯ РУКОЯТЬ И BOBTACH

1Артикул: 17C640...
2Артикул: 654759...
3Артикул: 670395...
Подробнее >
Спецтехника СИДЕНИЕ

СИДЕНИЕ

1Артикул: 656314...
2Артикул: 663046...
3Артикул: 663046...
Подробнее >
Спецтехника ЗАДНЯЯ ДВЕРЬ (ПРИКРЕПЛЯЕТЬСЯ НА ПЕТЛЯХ)

ЗАДНЯЯ ДВЕРЬ (ПРИКРЕПЛЯЕТЬСЯ НА ПЕТЛЯХ)

1Артикул: 14J374...
2Артикул: 651344...
3Артикул: HANDLE...
Подробнее >
Спецтехника ПАНЕЛИ И СИДЕНЬЕ

ПАНЕЛИ И СИДЕНЬЕ

1Артикул: 655379...
2Артикул: 84G371...
3Артикул: SEAT, ...
Подробнее >
Спецтехника BOB-TACH

BOB-TACH

1Артикул: 670517...
2Артикул: BOB-TA...
3Артикул: 657174...
Подробнее >
Спецтехника СИСТЕМА ПОДАЧИ ТОПЛИВА (СЕРИЙНЫЙ НОМЕР 4999 M 11999 И НИЖЕ)

СИСТЕМА ПОДАЧИ ТОПЛИВА (СЕРИЙНЫЙ НОМЕР 4999 M 11999 И НИЖЕ)

1Артикул: 655590...
2Артикул: HOSE, ...
3Артикул: GROMME...
Подробнее >
Спецтехника BOB-TACH (СЕРИЙНЫЙ НОМЕР 5006 M 11003 И ВЫШЕ)

BOB-TACH (СЕРИЙНЫЙ НОМЕР 5006 M 11003 И ВЫШЕ)

1Артикул: 656310...
2Артикул: 670445...
3Артикул: FRAME,...
Подробнее >
Спецтехника КАБИНА ОПЕРАТОРА

КАБИНА ОПЕРАТОРА

1Артикул: 656924...
2Артикул: MOULDI...
3Артикул: 710706...
Подробнее >
Спецтехника СИСТЕМА ПОДАЧИ ТОПЛИВА (СЕРИЙНЫЙ НОМЕР 5006 M 11001 И ВЫШЕ)

СИСТЕМА ПОДАЧИ ТОПЛИВА (СЕРИЙНЫЙ НОМЕР 5006 M 11001 И ВЫШЕ)

1Артикул: 655590...
2Артикул: TUBE, ...
3Артикул: GROMME...
Подробнее >
Спецтехника BOB-TACH (СЕРИЙНЫЙ НОМЕР 4999 M 11999 И НИЖЕ)

BOB-TACH (СЕРИЙНЫЙ НОМЕР 4999 M 11999 И НИЖЕ)

1Артикул: 656310...
2Артикул: 670445...
3Артикул: FRAME,...
Подробнее >