ПОДЪЕМНЫЕ РУКОЯТИ И BOBTACH — Продажа в Казахстане Цены от официального дилера с доставкой в Алматы, Астану и регионы
×
❮
❯
Характеристики и описание
Габариты, схема
Техническая документация
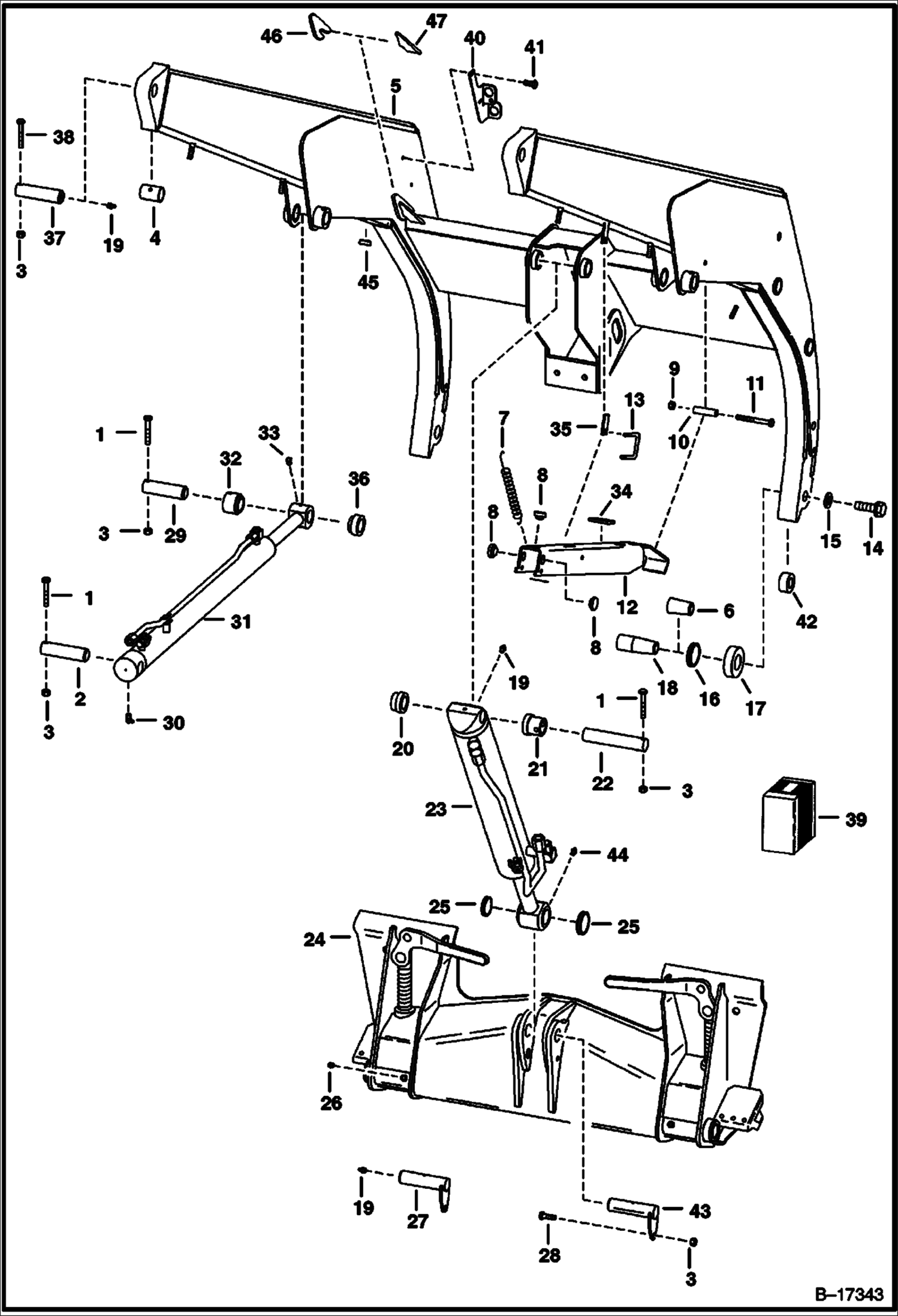
| 1 | Артикул: 17C640, BOLT |
| 2 | Артикул: 6702935, PIN, PIVOT |
| 3 | Артикул: 85D6, NUT, 5 |
| 4 | Артикул: 6703448, BUSHING wear |
| 5 | Артикул: LIFT, LIFT ARM NLA - Uses 1.25 in. (31,8 mm) dia. Bob-Tach pins - Order 6708752 Lift Arm, Ref. 40 & (2) ea. of Ref. 39 (6724378 Pin Kit), Ref. 6 & 41 - Was 6706848 - A |
| 6 | Артикул: 6708752, LIFT ARM |
| 7 | Артикул: 6731254, BUSHING tapered - allows 1.25-- (31,8 mm) dia pin to be used in 1.50-- (38,1 mm) dia lift arm hole |
| 8 | Артикул: 6579072, SPRING Was 6700743 - B |
| 9 | Артикул: 6519178, BUMPER rubber |
| 10 | Артикул: 61D6, NUT 5 |
| 11 | Артикул: 6700533, SPACER |
| 12 | Артикул: 17C656, BOLT Was 17C000648B - B |
| 13 | Артикул: 6710166, LIFT ARM STOP Was 6707362 - A |
| 14 | Артикул: 6714810, PIN retainer - Was 6700525 - B |
| 15 | Артикул: 17C1064, BOLT 5 4--(101,6 mm) long - Use W/Ref. 42 (6714874 bushing) & Ref. 18 (6732012 pin) |
| 16 | Артикул: 31C1272, BOLT 4.5-- (114,3 mm) long - Use W/Ref. 42 (6717666 bushing) & Ref. 18 (6707180 pin) |
| 17 | Артикул: 6555455, WASHER Use W/Ref. 18 (6707042 Pin) |
| 18 | Артикул: 6576033, WASHER .15 in. thick x 1.50 in. (38,1 mm) O.D. - Use W/Ref. 18 (6707180 Pin) |
| 19 | Артикул: 6718723, WASHER .25 in. thick x 1.625 in. (41,3 mm) O.D. - Use W/Ref. 18 (6707180 Pin) |
| 20 | Артикул: 6651709, SEAL |
| 21 | Артикул: 6700039, CUP seal - Use W/Ref. 18 (6732012 Pin) |
| 22 | Артикул: 6700463, CUP, SEAL seal - Use W/Ref. 18 (6707180 Pin) |
| 23 | Артикул: 6732012, PIN, PIVOT 1.25-- (31,8 mm) dia. - Was 6707042 - A |
| 24 | Артикул: 6707180, PIN, PIVOT 1.50 in. (38,1 mm) dia. |
| 25 | Артикул: 10H25, FITTING, GREASE 5 |
| 26 | Артикул: 6703363, BUSHING weld on - Also Order Ref. 22 |
| 27 | Артикул: 6737623, BUSHING weld on - Also Order Ref. 22 - Was 6704287 - A |
| 28 | Артикул: 6704288, PIN, PIVOT |
| 29 | Артикул: CYLINDER, CYLINDER See Illustration TILT CYLINDER/ TS1098 TILT |
| 30 | Артикул: BOB-TACH, BOB-TACH See Illustration BOB-TACH/ PE1526 |
| 31 | Артикул: 6654117, SEAL, OIL 51 mm (2--) OD - Use W/Ref. 27 & 41 |
| 32 | Артикул: 225855, SEAL, OIL 10 38 mm (1.5--) OD - Use W/Ref. 27 & 41 |
| 33 | Артикул: 743332, FITTING, GREASE 5 |
| 34 | Артикул: 6705223, PIN W/grease zerk hole |
| 35 | Артикул: 17C620, BOLT |
| 36 | Артикул: 6718789, PIN Was 6547593 - A |
| 37 | Артикул: 11H15, GREASE FITTING |
| 38 | Артикул: CYLINDER, CYLINDER See Illustration LIFT CYLINDER/ TS1097 LIFT |
| 39 | Артикул: 6555987, BUSHING weld on |
| 40 | Артикул: 12H15, FITTING, GREASE 5 |
| 41 | Артикул: 6704436, PAD foam - self adhesive |
| 42 | Артикул: 6705091, TAB weld on |
| 43 | Артикул: 6717025, BUSHING weld on - Was 6703616 - A |
| 44 | Артикул: 6703572, PIN, PIVOT |
| 45 | Артикул: 17C664, BOLT |
| 46 | Артикул: 6724378, PIN KITS W/Ref. 14 (31C1272 Bolt), Ref. 15 (6576033 Washer), Ref. 17 (6700463 Cup) & Ref. 18 (6707180 Pin) |
| 47 | Артикул: 6705700, MOUNT See Illustration AUXILIARY HYDRAULICS/ D2144 |
| 48 | Артикул: 84G3112, BOLT 5 See Illustration AUXILIARY HYDRAULICS/ D2144 |
| 49 | Артикул: 6714874, BUSHING, WELD-ON weld-on-W/tapered hole - 1.25--(31,8 mm) |
| 50 | Артикул: 6717666, BUSHING, WELD-ON weld-on - W/tapered hole - 38,1 mm (1.50--) - 63,5 mm (2.5--) long - Also Order 31C1272 bolt |
| 51 | Артикул: 6716601, PIN, PIVOT W/O grease zerk hole |
| 52 | Артикул: 10H35, FITTING, GREASE 10 |
| 53 | Артикул: 6704403, STOP weld on |
| 54 | Артикул: 6727544, PLATE weld on |
| 55 | Артикул: 6727545, PLATE weld on |
ПОДЪЕМНЫЕ РУКОЯТИ И BOBTACH: Техника, которая работает на результат
ПОДЪЕМНЫЕ РУКОЯТИ И BOBTACH на Bobcat 700s Bobcat 763 512212001 - 512249999, 512440001 - 512449999, 512612001 - 512619999Габаритные размеры
Нажмите на схему для увеличения
Документация
Документация временно недоступна.
Похожая техника в категории: РАМА (Bobcat)
СИДЕНЬЕ (MILSCO)
1Артикул: SEAT, ...
2Артикул: CUSHIO...
3Артикул: 663046...
Подробнее >
ЗАДНЯЯ ДВЕРЬ (ДВЕ ЧАСТИ) (СЕРИЙНЫЙ НОМЕР 5122 25975 И НИЖЕ, 5124 41137 И НИЖЕ, 5126 12658 И НИЖЕ)
1Артикул: 670386...
2Артикул: 670468...
3Артикул: 670468...
Подробнее >
BOB-TACH
1Артикул: BOB-TA...
2Артикул: BOB-TA...
3Артикул: BOB-TA...
Подробнее >
КАБИНА ОПЕРАТОРА
1Артикул: 670195...
2Артикул: 670868...
3Артикул: 670615...
Подробнее >
ТОПЛИВНАЯ СИСТЕМА
1Артикул: TANK, ...
2Артикул: 673665...
3Артикул: 712088...
Подробнее >
СИДЕНИЕ (МИЧИГАН)
1Артикул: SEAT, ...
2Артикул: 666913...
3Артикул: 667016...
Подробнее >
СИДЕНИЕ И ОПОРА СИДЕНЬЯ
1Артикул: SEAT, ...
2Артикул: SEAT, ...
3Артикул: SEAT, ...
Подробнее >
ЗАДНЯЯ ДВЕРЬ (НЕРАЗБОРНЫЙ) (СЕРИЙНЫЙ НОМЕР 5122 25976 И ВЫШЕ, 5124 41138 И ВЫШЕ, 5126 12659 И ВЫШЕ)
1Артикул: 667028...
2Артикул: BUMPER...
3Артикул: 665539...
Подробнее >
ПАНЕЛИ
1Артикул: 670731...
2Артикул: 84G371...
3Артикул: SHIELD...
Подробнее >