+7 (701) 588 50 05 Телефон для связи
RU

WhatsApp

Позвонить

ПОДАЧА ТОПЛИВА — Продажа в Казахстане Цены от официального дилера с доставкой в Алматы, Астану и регионы

Техника доступна в:
Полный спектр услуг:
Для Вашего удобства:
Характеристики и описание
Габариты, схема
Техническая документация
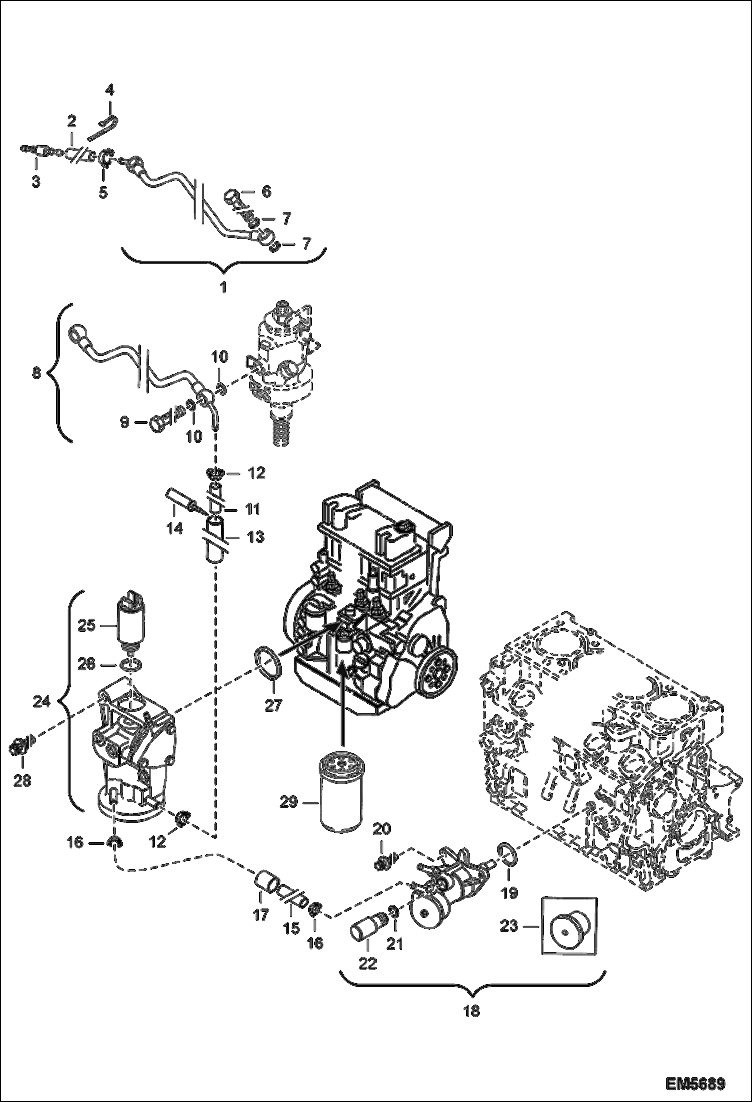
1 Артикул: 7013520, TUBELINE FUEL W/Ref. 6-7
2 Артикул: 7013394, HOSE RUBBER
3 Артикул: 7013417, CLUTCH
4 Артикул: 7013393, BUSHING CLAMPING
5 Артикул: 7013399, CLIP HOSE
6 Артикул: 6514745, SCREW Was 7013358 - A
7 Артикул: 7013414, RING SEALING
8 Артикул: 7013463, TUBELINE FUEL W/Ref. 9-10
9 Артикул: 6514745, SCREW Was 7013358 - A
10 Артикул: 7013384, RING SEALING
11 Артикул: 7013421, HOSE RUBBER
12 Артикул: 7013399, CLIP HOSE
13 Артикул: 7013437, HOSE
14 Артикул: 7013332, LUBRICANT
15 Артикул: 7013419, HOSE RUBBER
16 Артикул: 7013399, CLIP HOSE
17 Артикул: 7013436, HOSE
18 Артикул: 5411663943, FUEL PUMP See Illustration ENGINE PARTS I/ EM1943 W/Ref. 19 & 21-23
19 Артикул: 5411663944, O-SEAL
20 Артикул: 7015340, BOLT TORX-HEAD
21 Артикул: 5411663946, SEAL RING
22 Артикул: 5411657053, HAND PUMP
23 Артикул: 5411663947, REPAIR KIT
24 Артикул: 5411663802, BOOSTER W/Ref. 25-26
25 Артикул: 7013506, SOLENOID See Illustration ENGINE PARTS I/ EM1943
26 Артикул: 7013425, ORING
27 Артикул: 5411663801, O-RING
28 Артикул: 5411657890, BOLT
29 Артикул: 5411656301, FUEL FILTER See Illustration ENGINE PARTS I/ EM1943

ПОДАЧА ТОПЛИВА: Техника, которая работает на результат

ПОДАЧА ТОПЛИВА на мини-экскаватор Bobcat 442 ADBR11001 И ВЫШЕ, ADBS11001 И ВЫШЕ

Габаритные размеры

Габаритные размеры и схема ПОДАЧА ТОПЛИВА

Нажмите на схему для увеличения

Документация

Документация временно недоступна.

Похожая техника в категории: ЗАПЧАСТИ ДВИГАТЕЛЯ (Bobcat)

Спецтехника КОМБИНИРОВАННОЕ УСТРОЙСТВО ОХЛАЖДЕНИЯ МАСЛА (СЕРИЙНЫЙ НОМЕР ADBR11169 И ВЫШЕ, ADBS11169 И ВЫШЕ)

КОМБИНИРОВАННОЕ УСТРОЙСТВО ОХЛАЖДЕНИЯ МАСЛА (СЕРИЙНЫЙ НОМЕР ADBR11169 И ВЫШЕ, ADBS11169 И ВЫШЕ)

1Артикул: 501067...
2Артикул: 028301...
3Артикул: 100770...
Подробнее >
Спецтехника ПОДДОН КАРТЕРА И КАРТЕР МАХОВИКА

ПОДДОН КАРТЕРА И КАРТЕР МАХОВИКА

1Артикул: 541165...
2Артикул: 666639...
3Артикул: 667288...
Подробнее >
Спецтехника ДВИГАТЕЛЬ И КОМПЛЕКТ ПРОКЛАДОК

ДВИГАТЕЛЬ И КОМПЛЕКТ ПРОКЛАДОК

1Артикул: 541166...
2-
3-
Подробнее >
Спецтехника РУЛЕВОЕ УПРАВЛЕНИЕ

РУЛЕВОЕ УПРАВЛЕНИЕ

1Артикул: 623401...
2Артикул: 179870...
3Артикул: 121225...
Подробнее >
Спецтехника ДИЗЕЛЬНОЕ УПРАВЛЕНИЕ ОБОГРЕВАТЕЛЕМ (МОНТАЖНЫЙ КОМПЛЕКТ)

ДИЗЕЛЬНОЕ УПРАВЛЕНИЕ ОБОГРЕВАТЕЛЕМ (МОНТАЖНЫЙ КОМПЛЕКТ)

1Артикул: 520666...
2Артикул: 520666...
3Артикул: 520665...
Подробнее >
Спецтехника ОБОГРЕВ

ОБОГРЕВ

1Артикул: 516901...
2Артикул: 516910...
3Артикул: 516901...
Подробнее >
Спецтехника ДВИГАТЕЛЬ В СБОРЕ (СЕРИЙНЫЙ НОМЕР ADBR11169 И ВЫШЕ, ADBS11169 И ВЫШЕ)

ДВИГАТЕЛЬ В СБОРЕ (СЕРИЙНЫЙ НОМЕР ADBR11169 И ВЫШЕ, ADBS11169 И ВЫШЕ)

1Артикул: 541166...
2Артикул: 104570...
3Артикул: 134370...
Подробнее >
Спецтехника ДВИГАТЕЛЬ И КРЕПЕЖНЫЕ ДЕТАЛИ (V-РЕМЕНЬ)

ДВИГАТЕЛЬ И КРЕПЕЖНЫЕ ДЕТАЛИ (V-РЕМЕНЬ)

1Артикул: 701532...
2Артикул: 701532...
3-
Подробнее >
Спецтехника ВЕНТИЛЯТОР

ВЕНТИЛЯТОР

1Артикул: 701349...
2Артикул: 701349...
3Артикул: 701333...
Подробнее >
Спецтехника ДЕТАЛИ ДВИГАТЕЛЯ II (СЕРИЙНЫЙ НОМЕР ADBR11001 - 11168, ADBS11001 - 11168)

ДЕТАЛИ ДВИГАТЕЛЯ II (СЕРИЙНЫЙ НОМЕР ADBR11001 - 11168, ADBS11001 - 11168)

1Артикул: 541166...
2Артикул: 541165...
3Артикул: 541166...
Подробнее >
Спецтехника НАСОС ДЛЯ ДОЗАПРАВКИ

НАСОС ДЛЯ ДОЗАПРАВКИ

1Артикул: 553100...
2Артикул: 619025...
3Артикул: 100870...
Подробнее >
Спецтехника НАСОС ДЛЯ ВПРЫСКА ТОПЛИВА

НАСОС ДЛЯ ВПРЫСКА ТОПЛИВА

1Артикул: 701353...
2Артикул: 701234...
3Артикул: 701343...
Подробнее >