+7 (701) 588 50 05 Телефон для связи
RU

WhatsApp

Позвонить

ПРИВОДНОЙ МЕХАНИЗМ (СЕРИЙНЫЙ НОМЕР 13941 И ВЫШЕ) — Продажа в Казахстане Цены от официального дилера с доставкой в Алматы, Астану и регионы

Техника доступна в:
Полный спектр услуг:
Для Вашего удобства:
Характеристики и описание
Габариты, схема
Техническая документация
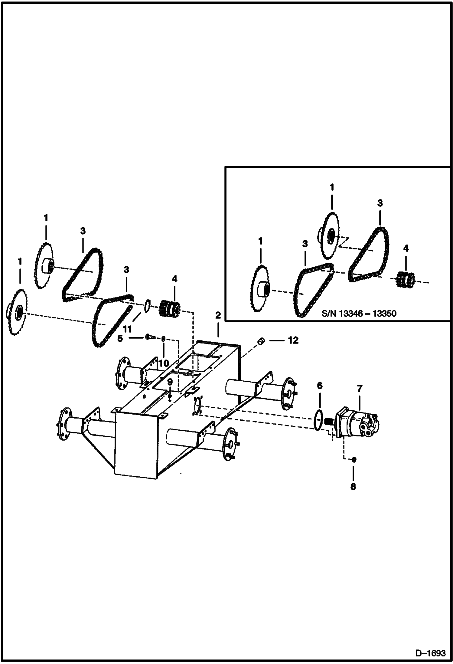
1 Артикул: 6555680, SPROCKET, AXLE
2 Артикул: 6565242, CHAINCASE
3 Артикул: 6557830, CHAIN, DRIVE drive
4 Артикул: 6515191, LINK
5 Артикул: 6714469, SPROCKET Was 6565185 - A
6 Артикул: 6564741, BOLT
7 Артикул: 25K30424, O RING 10
8 Артикул: MOTOR, MOTOR See Illustration HYDROSTATIC MOTOR/ D1678 HYDRO.
9 Артикул: 86D8, NUT
10 Артикул: 6558506, PLUG breather
11 Артикул: 6564740, WASHER
12 Артикул: 791442, SNAP RING
13 Артикул: 40K12, PLUG

ПРИВОДНОЙ МЕХАНИЗМ (СЕРИЙНЫЙ НОМЕР 13941 И ВЫШЕ): Техника, которая работает на результат

ПРИВОДНОЙ МЕХАНИЗМ (СЕРИЙНЫЙ НОМЕР 13941 И ВЫШЕ) на Bobcat 600s Bobcat 642 501411001 И ВЫШЕ

Габаритные размеры

Габаритные размеры и схема ПРИВОДНОЙ МЕХАНИЗМ (СЕРИЙНЫЙ НОМЕР 13941 И ВЫШЕ)

Нажмите на схему для увеличения

Документация

Документация временно недоступна.

Похожая техника в категории: ТРАНСМИССИЯ (Bobcat)