ПРИВОДНОЙ МЕХАНИЗМ (СЕРИЙНЫЙ НОМЕР 509635001 - 509639898, 509616001 - 509616504) — Продажа в Казахстане Цены от официального дилера с доставкой в Алматы, Астану и регионы
×
❮
❯
Характеристики и описание
Габариты, схема
Техническая документация
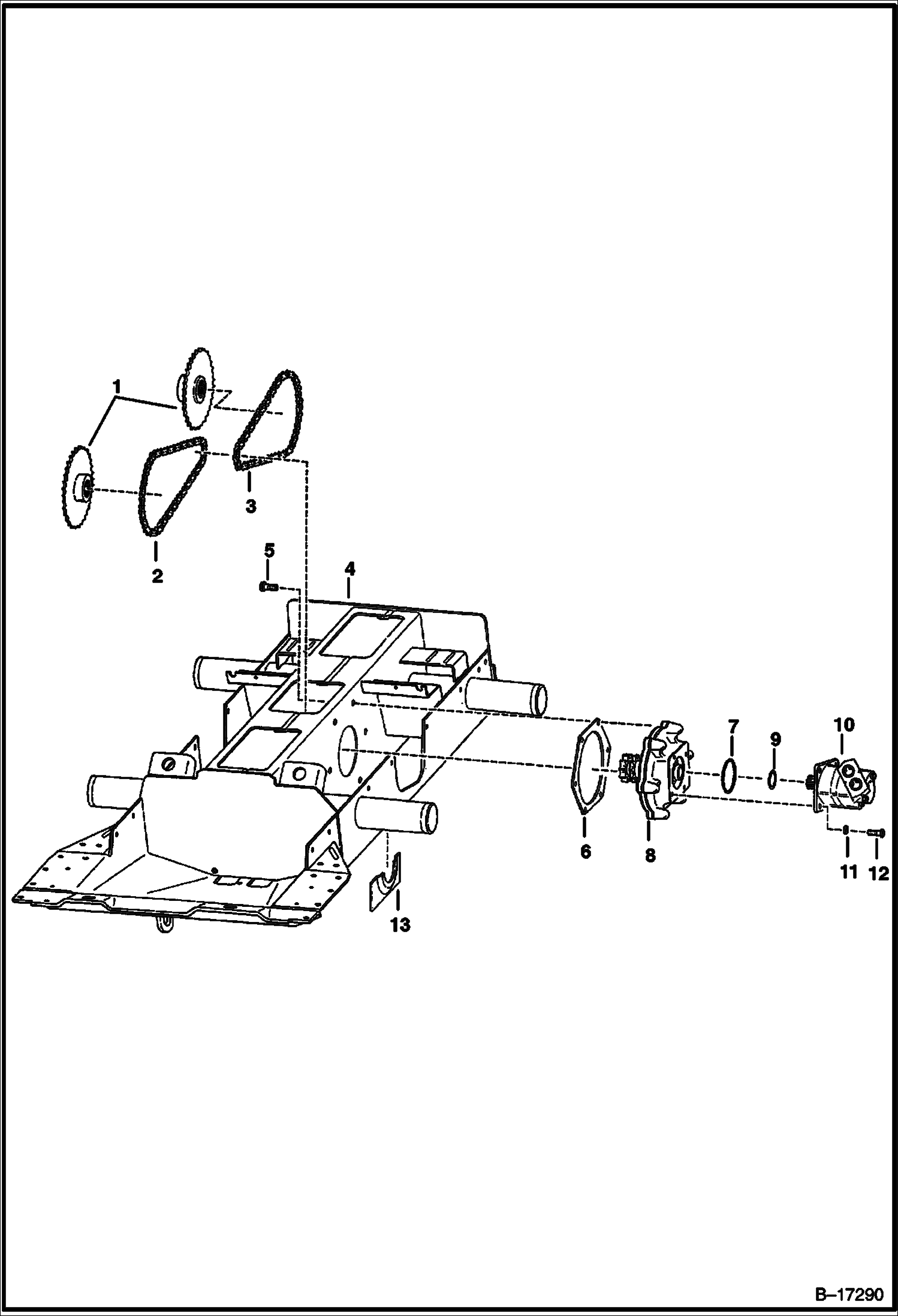
| 1 | Артикул: 7134137, SPROCKET Was 6577204 - A |
| 2 | Артикул: CHAIN, CHAIN NLA - 68 pitch - hour glass shape link - Diamond - Was 6703915 - A |
| 3 | Артикул: CHAIN, CHAIN NLA - 68 pitch - oval shape link - Diamond - Was 6731217 - A |
| 4 | Артикул: 6689652, CHAIN, DRIVE 68 pitch - hour glass shape link - Tsubaki |
| 5 | Артикул: 6510171, LINK conn. - hour glass shape - Diamond |
| 6 | Артикул: 6675332, LINK conn. - oval shape - Diamond |
| 7 | Артикул: 6690709, LINK conn. - hour glass shape - Tsubaki |
| 8 | Артикул: CHAIN, CHAIN NLA - 62 pitch - hour glass shape link - Diamond - Was 6579127 - A |
| 9 | Артикул: CHAIN, CHAIN NLA - 62 pitch - oval shape link - Diamond - Was 6731218 - A |
| 10 | Артикул: 6689651, CHAIN, DRIVEx 62 pitch - hour glass shape link - Tsubaki |
| 11 | Артикул: 6510171, LINK conn. - hour glass shape - Diamond |
| 12 | Артикул: 6675332, LINK conn. - oval shape - Diamond |
| 13 | Артикул: 6690709, LINK conn. - hour glass shape - Tsubaki |
| 14 | Артикул: CHAINCASE, CHAINCASE See Illustration DRIVE TRAIN/ D2143 - NLA - Order 6712826 Chaincase - Was 6706916 - A |
| 15 | Артикул: 35C1032, BOLT |
| 16 | Артикул: 6704878, GASKET install W/Rib toward chaincase |
| 17 | Артикул: 25K30508, RING,O |
| 18 | Артикул: MOUNT, MOUNT ASSY. See Illustration MOTOR CARRIER/ MC1937 - NLA - drive motor - Order components - Was 6705288 - A |
| 19 | Артикул: 25K30202, O RING 10 supplied W/motor |
| 20 | Артикул: MOTOR, MOTOR See Illustration HYDROSTATIC MOTOR/ D2124 - W/Ref. 9 |
| 21 | Артикул: 6701097, WASHER .25-- (6,4 mm) thickness - Was 6803867 - A |
| 22 | Артикул: 17C828, BOLT |
| 23 | Артикул: 6707647, BRACE weld-on |
ПРИВОДНОЙ МЕХАНИЗМ (СЕРИЙНЫЙ НОМЕР 509635001 - 509639898, 509616001 - 509616504): Техника, которая работает на результат
ПРИВОДНОЙ МЕХАНИЗМ (СЕРИЙНЫЙ НОМЕР 509635001 - 509639898, 509616001 - 509616504) на Bobcat 700s Bobcat 773 509616001 - 509629999, 509635001 И ВЫШЕГабаритные размеры
Нажмите на схему для увеличения
Документация
Документация временно недоступна.
Похожая техника в категории: ТРАНСМИССИЯ (Bobcat)
АВТОТРАНСПОРТЕР (УСТАНОВКА ПРИВОДНОГО ДВИГАТЕЛЯ В СБОРЕ) (СЕРИЙНЫЙ НОМЕР 509635001 - 509639898, 509616001 - 509616504)
1Артикул: MOUNT,...
2Артикул: 670506...
3Артикул: 663221...
Подробнее >
ДИСКОВЫЙ ТОРМОЗ (СЕРИЙНЫЙ НОМЕР 509639899 И ВЫШЕ, 509616505 - 509634999)
1Артикул: 17C412...
2Артикул: 668151...
3Артикул: 84G371...
Подробнее >
МОСТ
1Артикул: 18C122...
2Артикул: 655287...
3Артикул: 713413...
Подробнее >
АВТОТРАНСПОРТЕР (УСТАНОВКА ПРИВОДНОГО ДВИГАТЕЛЯ В СБОРЕ) (СЕРИЙНЫЙ НОМЕР 509639899 И ВЫШЕ, 509616505 - 509634999)
1Артикул: MOUNT,...
2Артикул: 671345...
3Артикул: 663221...
Подробнее >
ПРИВОДНОЙ МЕХАНИЗМ (СЕРИЙНЫЙ НОМЕР 509639899 И ВЫШЕ, 509616505 - 509634999)
1Артикул: 713413...
2Артикул: CHAIN,...
3Артикул: CHAIN,...
Подробнее >
ДИСКОВЫЙ ТОРМОЗ (СЕРИЙНЫЙ НОМЕР 509635001 - 39898, 509616001 - 16504)
1Артикул: 17C412...
2Артикул: 668151...
3Артикул: 84G371...
Подробнее >