+7 (701) 588 50 05 Телефон для связи
RU

WhatsApp

Позвонить

ПУЛЬТ УПРАВЛЕНИЯ - ЛЕВОСТОРОННИЙ в Алматы

Техника доступна в:
Полный спектр услуг:
Сервис
Офисы продаж
Гарантия
Для Вашего удобства:
Запчасти
Доставка
Характеристики и описание
Габариты, схема
Техническая документация
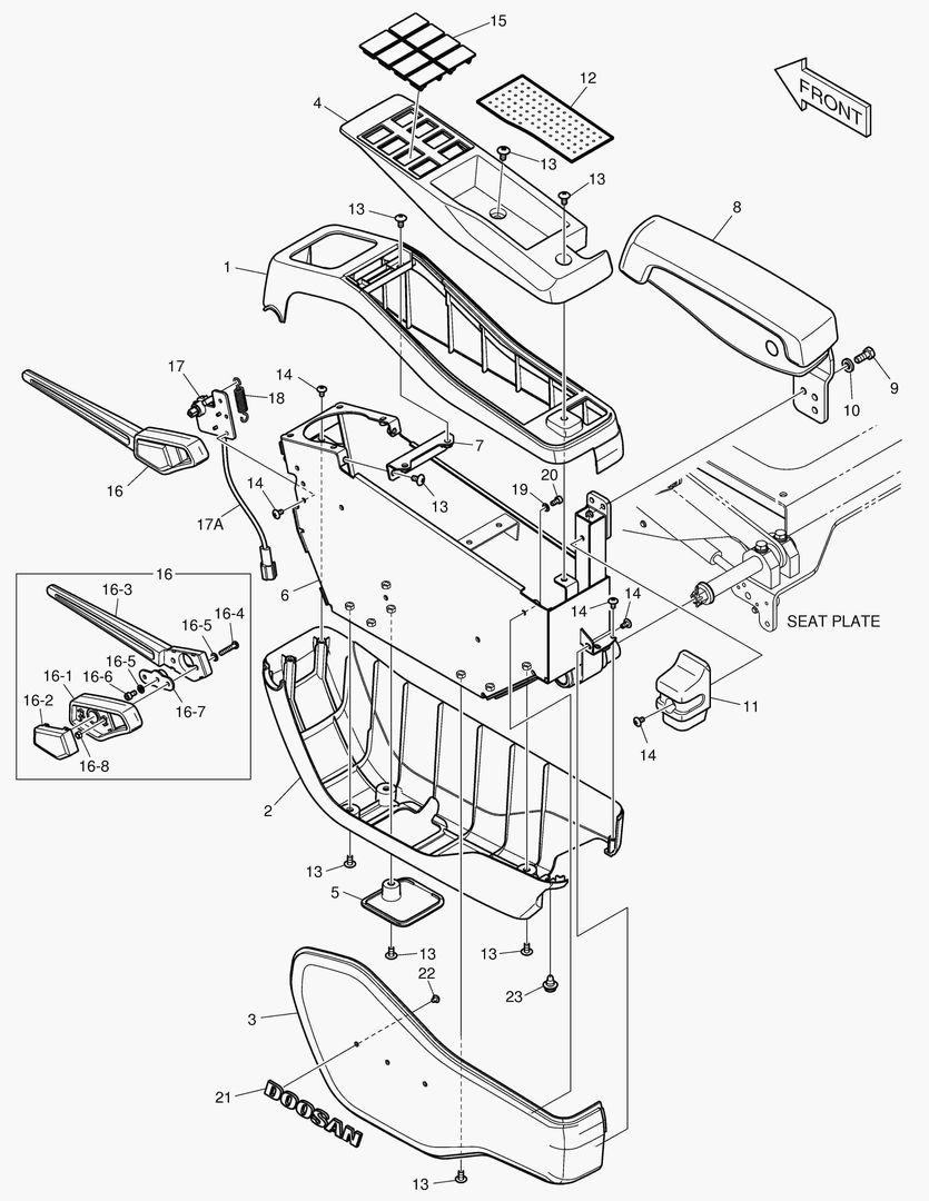
1 Артикул: 220111-00047G, STAND ASSY,CONTROL;(L.H)
2 Артикул: 220111-00047H, STAND ASSY,CONTROL(L.H)
3 Артикул: 220204-00124A, COVER,STAND;UPPER(L.H)
4 Артикул: 220204-00125A, COVER,STAND;LOWER(L.H)
5 Артикул: 220204-00126C, COVER,STAND;SIDE(L.H)
6 Артикул: 220204-00127B, COVER,STAND;SWITCH(L.H)
7 Артикул: 220204-00128A, COVER,STAND;LOWER
8 Артикул: 110431-00027H, BRACKET
9 Артикул: 250105-00162A, PLATE
10 Артикул: 220106-00012A, REST,ARM
11 Артикул: 2120-2166D5, BOLT
12 Артикул: 2114-1898D2, WASHER
13 Артикул: 220204-00060C, COVER,STAND
14 Артикул: 101555-00077A, PAD,RUBBER
15 Артикул: 2120-2166D52, BOLT
16 Артикул: 2120-2166D53, SCREW
17 Артикул: 621-02801, COVER,SWITCH
18 Артикул: 101101-00056H, LEVER ASSY,SAFETY
19 Артикул: 101101-00056K, LEVER ASSY
20 Артикул: 110508-00529G, . COVER,LEVER
21 Артикул: 110508-00530B, . COVER,LEVER
22 Артикул: 110508-00531H, . COVER,LEVER
23 Артикул: S3450873, . SCREW
24 Артикул: 2114-1898D4, . WASHER
25 Артикул: 120107-00221, . BOLT
26 Артикул: 110406-03492, . BRACKET
27 Артикул: S4012233, . NUT
28 Артикул: 301417-00002B, SWITCH,SAFETY
29 Артикул: 549-00089, . SWITCH,MICRO
30 Артикул: 111601-00215A, SPRING,SAFETY LEVER
31 Артикул: 2114-1898D4, WASHER
32 Артикул: S2202866, BOLT
33 Артикул: 220204-00147B, COVER,CABIN
34 Артикул: S3664153, SCREW
35 Артикул: 2124-1607, CLIP

ПУЛЬТ УПРАВЛЕНИЯ - ЛЕВОСТОРОННИЙ: Техника, которая работает на результат

ПУЛЬТ УПРАВЛЕНИЯ - ЛЕВОСТОРОННИЙ на Doosan Экскаваторы DX340LC-5 / DX350LC-5(S/N:10001~10049) – купить по доступной цене в интернет-магазине «Ремзона»

Габаритные размеры

Схема ПУЛЬТ УПРАВЛЕНИЯ - ЛЕВОСТОРОННИЙ

Документация

Документация временно недоступна.