+7 (701) 588 50 05 Телефон для связи
RU

WhatsApp

Позвонить

ПУЛЬТ УПРАВЛЕНИЯ - ПРАВОСТОРОННИЙ — Продажа в Казахстане Цены от официального дилера с доставкой в Алматы, Астану и регионы

Техника доступна в:
Полный спектр услуг:
Для Вашего удобства:
Характеристики и описание
Габариты, схема
Техническая документация
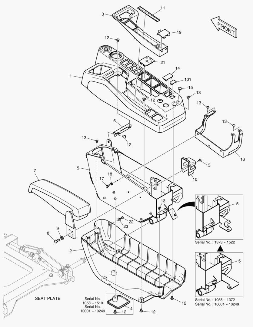
1 Артикул: 220111-00110, STAND ASSY,CONTROL
2 Артикул: 220111-00110A, STAND ASSY,CONTROL
3 Артикул: 220111-00110B, STAND ASSY,CONTROL
4 Артикул: 220111-00110C, STAND ASSY,CONTROL(R.H)
5 Артикул: 220204-00351, COVER,STAND;UPPER(R.H)
6 Артикул: 220204-00130B, COVER,STAND;LOWER(R.H)
7 Артикул: 220204-00131E, COVER,STAND;SWITCH(R.H)
8 Артикул: 220204-00128A, COVER,STAND;LOWER
9 Артикул: 110431-00067A, BRACKET,STAND(R.H)
10 Артикул: 110431-00067B, BRACKET,STAND(R.H)
11 Артикул: 110431-00067C, BRACKET
12 Артикул: 250105-00162A, PLATE
13 Артикул: 220106-00013A, REST,ARM
14 Артикул: 2120-2166D5, BOLT
15 Артикул: 2114-1898D2, WASHER
16 Артикул: 220204-00060C, COVER,STAND
17 Артикул: 101555-00078A, PAD,RUBBER
18 Артикул: 2120-2166D52, BOLT
19 Артикул: 2120-2166D53, SCREW
20 Артикул: 621-02801, COVER,SWITCH
21 Артикул: K1006995, CAP
22 Артикул: 110431-00066, BRACKET
23 Артикул: 2120-2166D28, BOLT
24 Артикул: 2114-1898D3, WASHER
25 Артикул: 110508-02777C, COVER,SWITCH
26 Артикул: 110508-04662C, COVER,SWITCH
27 Артикул: 120107-00134, BOLT
28 Артикул: 120808-00416, WASHER
29 Артикул: 110910-01341, CAP

ПУЛЬТ УПРАВЛЕНИЯ - ПРАВОСТОРОННИЙ: Техника, которая работает на результат

ПУЛЬТ УПРАВЛЕНИЯ - ПРАВОСТОРОННИЙ на Doosan Экскаваторы DX300LC-5(S/N:1058~)

Габаритные размеры

Габаритные размеры и схема ПУЛЬТ УПРАВЛЕНИЯ - ПРАВОСТОРОННИЙ

Нажмите на схему для увеличения

Документация

Документация временно недоступна.

Похожая техника в категории: ПОВОРОТНЫЙ КОРПУС (Develon)

Спецтехника 1800 AUDIO [1058~1455]

1800 AUDIO [1058~1455]

1Артикул: 300637...
2Артикул: 300637...
3-
Подробнее >
Спецтехника 1740 BONNET

1740 BONNET

1Артикул: 110501...
2Артикул: 110501...
3Артикул: 110501...
Подробнее >
Спецтехника 1260 OIL TANK [1058~1473]

1260 OIL TANK [1058~1473]

1Артикул: 450105...
2Артикул: 450105...
3Артикул: S05654...
Подробнее >
Спецтехника ДВИГАТЕЛЬ (EU)

ДВИГАТЕЛЬ (EU)

1Артикул: 150109...
2Артикул: 150109...
3-
Подробнее >
Спецтехника СКОЛЬЗЯЩАЯ ПЛИТА СИДЕНИЯ

СКОЛЬЗЯЩАЯ ПЛИТА СИДЕНИЯ

1Артикул: 250110...
2Артикул: 250110...
3Артикул: 250110...
Подробнее >
Спецтехника 1240 FUEL TANK [1058~1475]

1240 FUEL TANK [1058~1475]

1Артикул: 450103...
2Артикул: 450103...
3Артикул: 450103...
Подробнее >
Спецтехника ТРУБОПРОВОД СМАЗОЧНОЙ СИСТЕМЫ

ТРУБОПРОВОД СМАЗОЧНОЙ СИСТЕМЫ

1Артикул: 420212...
2Артикул: K10069...
3Артикул: K10069...
Подробнее >
Спецтехника 1910 ANTENNA [1325~]

1910 ANTENNA [1325~]

1Артикул: 300619...
2Артикул: 300703...
3-
Подробнее >
Спецтехника 1660 BAFFLE [1058~1473]

1660 BAFFLE [1058~1473]

1Артикул: 110958...
2Артикул: 110502...
3Артикул: 110502...
Подробнее >
Спецтехника ТРУБОПРОВОД СЕРВОУПРАВЛЕНИЯ(8)

ТРУБОПРОВОД СЕРВОУПРАВЛЕНИЯ(8)

1Артикул: 420212...
2Артикул: 420212...
3Артикул: 420212...
Подробнее >
Спецтехника 1710 UREA TANK COVER

1710 UREA TANK COVER

1Артикул: 110508...
2Артикул: 110516...
3Артикул: -, . C...
Подробнее >
Спецтехника ТРУБОПРОВОД СЕРВОУПРАВЛЕНИЯ(3)

ТРУБОПРОВОД СЕРВОУПРАВЛЕНИЯ(3)

1Артикул: 420212...
2Артикул: DS2119...
3Артикул: DS2121...
Подробнее >