+7 (701) 588 50 05 Телефон для связи
RU

WhatsApp

Позвонить

ПУЛЬТ УПРАВЛЕНИЯ - ПРАВОСТОРОННИЙ — Продажа в Казахстане Цены от официального дилера с доставкой в Алматы, Астану и регионы

Техника доступна в:
Полный спектр услуг:
Для Вашего удобства:
Характеристики и описание
Габариты, схема
Техническая документация
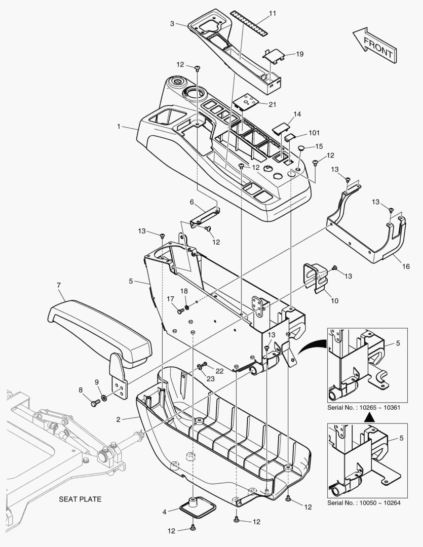
1 Артикул: 220111-00110, STAND ASSY,CONTROL
2 Артикул: 220111-00110A, STAND ASSY,CONTROL
3 Артикул: 220111-00110C, STAND ASSY,CONTROL(R.H)
4 Артикул: 220204-00351, COVER,STAND;UPPER(R.H)
5 Артикул: 220204-00130B, COVER,STAND;LOWER(R.H)
6 Артикул: 220204-00131E, COVER,STAND;SWITCH(R.H)
7 Артикул: 220204-00128A, COVER,STAND;LOWER
8 Артикул: 110431-00067A, BRACKET,STAND(R.H)
9 Артикул: 110431-00067B, BRACKET,STAND(R.H)
10 Артикул: 110431-00067C, BRACKET
11 Артикул: 250105-00162A, PLATE
12 Артикул: 220106-00013A, REST,ARM
13 Артикул: 2120-2166D5, BOLT
14 Артикул: 2114-1898D2, WASHER
15 Артикул: 220204-00060C, COVER,STAND
16 Артикул: 101555-00078A, PAD,RUBBER
17 Артикул: 2120-2166D52, BOLT
18 Артикул: 2120-2166D53, SCREW
19 Артикул: 621-02801, COVER,SWITCH
20 Артикул: K1006995, CAP
21 Артикул: 110431-00066, BRACKET
22 Артикул: 2120-2166D28, BOLT
23 Артикул: 2114-1898D3, WASHER
24 Артикул: 110508-02777C, COVER,SWITCH
25 Артикул: 110508-04662C, COVER,SWITCH
26 Артикул: 120107-00134, BOLT
27 Артикул: 120808-00416, WASHER
28 Артикул: 110910-01341, CAP

ПУЛЬТ УПРАВЛЕНИЯ - ПРАВОСТОРОННИЙ: Техника, которая работает на результат

ПУЛЬТ УПРАВЛЕНИЯ - ПРАВОСТОРОННИЙ на Doosan Экскаваторы DX340LC-5 / DX350LC-5(S/N:10050~)

Габаритные размеры

Габаритные размеры и схема ПУЛЬТ УПРАВЛЕНИЯ - ПРАВОСТОРОННИЙ

Нажмите на схему для увеличения

Документация

Документация временно недоступна.

Похожая техника в категории: ПОВОРОТНЫЙ КОРПУС (Develon)

Спецтехника ЭЛЕКТРОПРОВОДКА

ЭЛЕКТРОПРОВОДКА

1Артикул: 300619...
2Артикул: K10010...
3Артикул: 2120-2...
Подробнее >
Спецтехника 1570 CABIN(3) - ROOF

1570 CABIN(3) - ROOF

1Артикул: 220101...
2Артикул: 220101...
3Артикул: 220101...
Подробнее >
Спецтехника 1320 MAIN PIPING(3) - ARM & BUCKET

1320 MAIN PIPING(3) - ARM & BUCKET

1Артикул: 420212...
2Артикул: 420207...
3Артикул: 420207...
Подробнее >
Спецтехника 1650 SUPPORT

1650 SUPPORT

1Артикул: 110958...
2Артикул: 110958...
3Артикул: 110958...
Подробнее >
Спецтехника БОКОВАЯ ДВЕРЬ - ПРАВОСТОРОННИЙ

БОКОВАЯ ДВЕРЬ - ПРАВОСТОРОННИЙ

1Артикул: 110508...
2Артикул: 110982...
3Артикул: 110982...
Подробнее >
Спецтехника ОПОРТНЫЙ УЗЕЛ РАДИАТОРА

ОПОРТНЫЙ УЗЕЛ РАДИАТОРА

1Артикул: 150109...
2Артикул: 440211...
3Артикул: 440211...
Подробнее >
Спецтехника ТУБОПРОВОД МАСЛЯНОГО РАДИАТОРА(2)

ТУБОПРОВОД МАСЛЯНОГО РАДИАТОРА(2)

1Артикул: 420212...
2Артикул: 420207...
3Артикул: 420207...
Подробнее >
Спецтехника УСТАНОВКА ПРОТИВОВЕСА

УСТАНОВКА ПРОТИВОВЕСА

1Артикул: 160702...
2Артикул: 120-00...
3Артикул: 114-00...
Подробнее >
Спецтехника ТРУБОПРОВОД СЕРВОУПРАВЛЕНИЯ(8)

ТРУБОПРОВОД СЕРВОУПРАВЛЕНИЯ(8)

1Артикул: 420212...
2Артикул: 420212...
3Артикул: 420212...
Подробнее >
Спецтехника 1510 SEAT

1510 SEAT

1Артикул: 220110...
2Артикул: 220110...
3Артикул: 220108...
Подробнее >
Спецтехника ГЛАВНАЯ МАГИСТРАЛЬ(4) - ПОВОРОТ

ГЛАВНАЯ МАГИСТРАЛЬ(4) - ПОВОРОТ

1Артикул: 420212...
2Артикул: DS2040...
3Артикул: DS2040...
Подробнее >
Спецтехника ГЛАВНАЯ МАГИСТРАЛЬ(2) - СТРЕЛА

ГЛАВНАЯ МАГИСТРАЛЬ(2) - СТРЕЛА

1Артикул: 420212...
2Артикул: 420207...
3Артикул: 420207...
Подробнее >