РАМА ГУСЕНИЦЫ — Продажа в Казахстане Цены от официального дилера с доставкой в Алматы, Астану и регионы
×
❮
❯
Характеристики и описание
Габариты, схема
Техническая документация
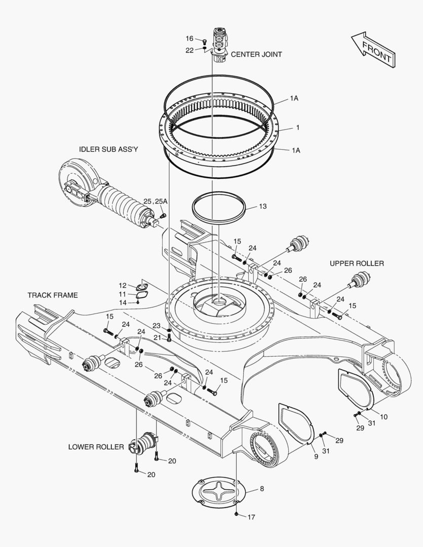
| 1 | Артикул: 650105-00044, UNDERCARRIAGE ASSY |
| 2 | Артикул: 140109-00008A, BEARING,SWING |
| 3 | Артикул: 401107-00751, . SEAL,SWING BEARING |
| 4 | Артикул: K1004271, COVER,UNDER |
| 5 | Артикул: 621-02715A, COVER;MOTOR(L.H) |
| 6 | Артикул: 621-02714A, COVER;MOTOR(R.H) |
| 7 | Артикул: 621-02938B, COVER |
| 8 | Артикул: 180-00463, PACKING |
| 9 | Артикул: K1004695, SEAL |
| 10 | Артикул: DS0025016, BOLT |
| 11 | Артикул: S0571166, BOLT M20X2.5X115 |
| 12 | Артикул: S0521366, BOLT |
| 13 | Артикул: DS0025019, BOLT |
| 14 | Артикул: S0570766, BOLT |
| 15 | Артикул: S0574966, BOLT |
| 16 | Артикул: 4114-1791A, WASHER |
| 17 | Артикул: 2114-1831A, WASHER |
| 18 | Артикул: 2114-9012A, WASHER |
| 19 | Артикул: 422-00055, VALVE;GREASE |
| 20 | Артикул: 401106-00230, . SEAL,OIL;O-RING |
| 21 | Артикул: S4013133, NUT |
| 22 | Артикул: S0515266, BOLT M12X1.75X30 |
| 23 | Артикул: 120810-00100, WASHER |
РАМА ГУСЕНИЦЫ: Техника, которая работает на результат
РАМА ГУСЕНИЦЫ на Doosan Экскаваторы DX340LC-3Габаритные размеры
Нажмите на схему для увеличения
Документация
Документация временно недоступна.
Похожая техника в категории: ДЕТАЛИ ГУСЕНИЦЫ (Develon)
БАШМАК ГУСЕНИЦЫ В СБОРЕ - 600G
1Артикул: 200106...
2Артикул: 200106...
3Артикул: 200106...
Подробнее >
УСТРОЙСТВО ХОДА
1Артикул: 650105...
2Артикул: 170401...
3Артикул: 170401...
Подробнее >
НАТЯЖНОЕ КОЛЕСО
1Артикул: 200102...
2Артикул: -, BOD...
3Артикул: 140105...
Подробнее >
ПРУЖИНЫ ГУСЕНИЦЫ
1Артикул: 200101...
2Артикул: 200101...
3Артикул: 160601...
Подробнее >
ПРЕДОХРАНИТЕЛЬ ГУСЕНИЦЫ
1Артикул: 200112...
2Артикул: 200112...
3Артикул: S05276...
Подробнее >
2170 CENTER JOINT
1Артикул: 400826...
2Артикул: 400826...
3Артикул: -, BOD...
Подробнее >
НИЖНИЙ ПОДШИПНИК
1Артикул: 650105...
2Артикул: 200104...
3Артикул: 200104...
Подробнее >
ВЕРХНИЙ ПОДШИПНИК
1Артикул: 650105...
2Артикул: 200105...
3Артикул: -, . B...
Подробнее >
ТРУБОПРОВОД ХОДА
1Артикул: 420212...
2Артикул: DS2013...
3Артикул: DS2040...
Подробнее >