РАМА ШАССИ (ВИБРАЦИЯ, ДВИГАТЕЛЬ И УСТРОЙСТВА УПРАВЛЕНИЯ) — Продажа в Казахстане Цены от официального дилера с доставкой в Алматы, Астану и регионы
×
❮
❯
Характеристики и описание
Габариты, схема
Техническая документация
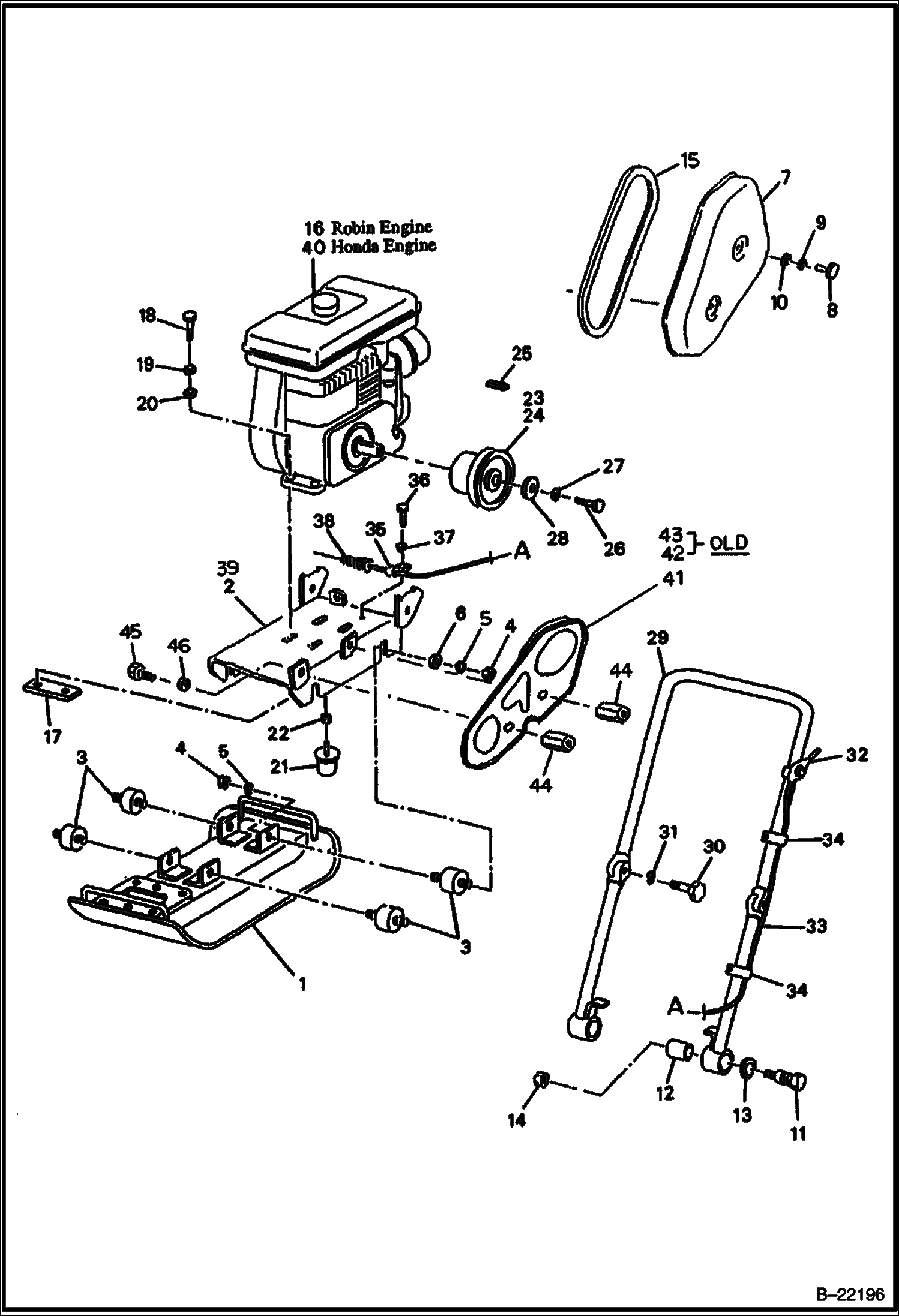
| 1 | Артикул: IR58836008, VIBRATION PLATE |
| 2 | Артикул: IR58837675, ENGINE BED |
| 3 | Артикул: IR58837626, ENGINE BED CE Only |
| 4 | Артикул: IR58836040, CART SHAFT engine bed |
| 5 | Артикул: IR59830885, ENGINE BED |
| 6 | Артикул: IR59830893, RUBBER BUFFER |
| 7 | Артикул: IR58835943, NUT |
| 8 | Артикул: IR59951632, SPRING WASHER Was IR59510065 - A |
| 9 | Артикул: IR59952291, WASHER |
| 10 | Артикул: IR58837683, PULLEY COVER |
| 11 | Артикул: IR58837634, PULLEY COVER CE Only |
| 12 | Артикул: IR58836057, PULLEY COVER |
| 13 | Артикул: IR59830919, PULLEY COVER |
| 14 | Артикул: IR59952242, BOLT |
| 15 | Артикул: IR59951632, SPRING WASHER Was IR59510065 - A |
| 16 | Артикул: IR59952291, WASHER |
| 17 | Артикул: IR59237297, SUPPORT PIN |
| 18 | Артикул: IR59237305, RUBBER BUFFER |
| 19 | Артикул: IR59830950, WASHER |
| 20 | Артикул: IR59839027, NUT |
| 21 | Артикул: IR59843698, V-BELT |
| 22 | Артикул: IR58837774, ROBIN ENGINE See Illustration ROBIN ENGINE/ B27028 |
| 23 | Артикул: IR58836347, ENGINE See Illustration ROBIN ENGINE/ B27029 Robin |
| 24 | Артикул: IR59830968, ENGINE NUT |
| 25 | Артикул: IR59843722, BOLT |
| 26 | Артикул: IR59831925, SPRING WASHER |
| 27 | Артикул: IR59835371, WASHER |
| 28 | Артикул: IR59830976, STOPPER rubber |
| 29 | Артикул: IR58835943, NUT |
| 30 | Артикул: IR58836198, CLUTCH ASSY |
| 31 | Артикул: IR58835968, CLUTCH ASSY |
| 32 | Артикул: IR59831016, CLUTCH ASSY |
| 33 | Артикул: IR58836206, SHOE ASSY clutch |
| 34 | Артикул: IR58835976, SHOE ASSY clutch |
| 35 | Артикул: IR59831024, SHOE ASSY clutch |
| 36 | Артикул: IR59831032, KEY |
| 37 | Артикул: IR59953935, BOLT |
| 38 | Артикул: IR59831925, SPRING WASHER |
| 39 | Артикул: IR59831057, WASHER |
| 40 | Артикул: IR59188466, HANDLE operating |
| 41 | Артикул: IR59830927, HANDLE operating |
| 42 | Артикул: IR59188490, HANDLE BOLT |
| 43 | Артикул: IR59832287, BOLT |
| 44 | Артикул: IR59841106, WASHER |
| 45 | Артикул: IR59951632, SPRING WASHER Was IR59510065 - A |
| 46 | Артикул: IR59831511, THROTTLE LEVER throttle |
| 47 | Артикул: IR59839100, THROTTLE CABLE throttle |
| 48 | Артикул: IR59831529, WIRE BAND |
| 49 | Артикул: IR59843631, CLAMP wire assembly - Includes Ref. 36 & 37 |
| 50 | Артикул: IR59839126, BOLT |
| 51 | Артикул: IR59833350, SPRING WASHER |
| 52 | Артикул: IR59843649, RETURN SPRING |
| 53 | Артикул: IR58837766, ENGINE BED |
| 54 | Артикул: IR58836453, ENGINE BED |
| 55 | Артикул: IR58836438, HONDA ENGINE See Illustration HONDA ENGINE/ B22201 |
| 56 | Артикул: IR58837725, INSIDE COVER CE Only |
| 57 | Артикул: IR58837642, INSIDE COVER CE Only |
| 58 | Артикул: IR59839126, BOLT CE Only |
| 59 | Артикул: IR59833350, SPRING WASHER CE Only |
| 60 | Артикул: IR58837659, BOSS |
| 61 | Артикул: IR59952242, BOLT |
| 62 | Артикул: IR59951632, SPRING WASHER Was IR59510065 - A |
РАМА ШАССИ (ВИБРАЦИЯ, ДВИГАТЕЛЬ И УСТРОЙСТВА УПРАВЛЕНИЯ): Техника, которая работает на результат
РАМА ШАССИ (ВИБРАЦИЯ, ДВИГАТЕЛЬ И УСТРОЙСТВА УПРАВЛЕНИЯ) на другая техника Bobcat ВИБРОПЛИТА BC70Габаритные размеры
Нажмите на схему для увеличения
Документация
Документация временно недоступна.
Похожая техника в категории: РАМА (Bobcat)
БАК ДЛЯ ВОДЫ (СТАРАЯ ВЕРСИЯ - STEEL)
1Артикул: IR5983...
2Артикул: IR5983...
3Артикул: SPRING...
Подробнее >
ПРИЦЕП В СБОРЕ (КОМПЛЕКТ ИНСТРУМЕНТОВ И ПРЕДУПРЕЖДАЮЩИЕ ТАБЛИЧКИ)
1Артикул: IR5998...
2Артикул: IR5883...
3Артикул: IR5984...
Подробнее >
ЗАЩИТНОЕ ОГРАЖДЕНИЕ, ПРЕДОТВРАЩАЮЩЕЕ ВЫПАДЕНИЕ ВОДИТЕЛЯ В СЛУЧАЕ ОПРОКИДЫВАНИЯ ВИЛОЧНОГО ПОГРУЗЧИКА И БАК ДЛЯ ВОДЫ
1Артикул: IR5883...
2Артикул: IR5883...
3Артикул: IR5995...
Подробнее >
КОМПЛЕКТ ДЛЯ ВИБРАЦИОННОГО УПЛОТНЕНИЯ
1Артикул: IR5983...
2Артикул: IR5983...
3Артикул: IR5883...
Подробнее >