+7 (701) 588 50 05 Телефон для связи
RU

WhatsApp

Позвонить

РАСПРЕДЕЛИТЕЛЬНЫЙ ВАЛ И КЛАПАН — Продажа в Казахстане Цены от официального дилера с доставкой в Алматы, Астану и регионы

Техника доступна в:
Полный спектр услуг:
Для Вашего удобства:
Характеристики и описание
Габариты, схема
Техническая документация
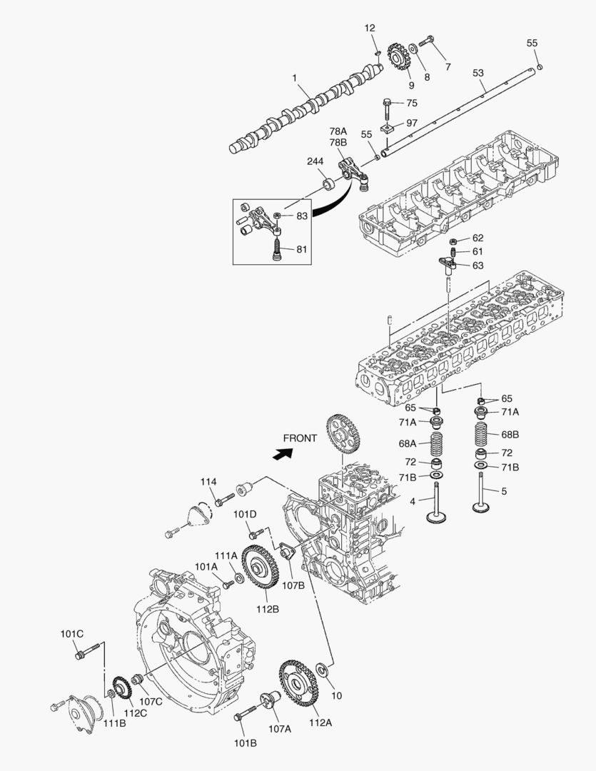
1 Артикул: 150103-00068, CAMSHAFT
2 Артикул: 410112-00055, VALVE,INLET
3 Артикул: 410112-00056, VALVE,EXHAUST
4 Артикул: 120112-00301, BOLT M14X28
5 Артикул: 120808-00165, WASHER ID=14.5
6 Артикул: 130408-00017, GEAR,CAMSHAFT
7 Артикул: 250201-02106, PLATE,THRUST
8 Артикул: 130705-00021, KEY;CAMSHAFT
9 Артикул: 130712-00946, SHAFT,ROCKER ARM
10 Артикул: 430221-00235, PLUG;ROCKER SHAFT END
11 Артикул: 120705-00831, SCREW;BRIDGE
12 Артикул: 120312-00381, NUT;BRIDGE
13 Артикул: 160606-00006, BRIDGE
14 Артикул: 2.114-00030, COLLAR,SPLIT
15 Артикул: 111601-00507, . SPRING,VALVE;INTET
16 Артикул: 111601-00508, . SPRING,VALVE;EXHAUST
17 Артикул: 110946-00147, . SEAT,SPRING;OD:32.8
18 Артикул: 110946-00148, . SEAT,SPRING;ID:14.3
19 Артикул: 401107-01246, SEAL;VALVE GUIDE
20 Артикул: 120112-00925, BOLT
21 Артикул: 150101-00043, . ARM,ROCKER;INLET
22 Артикул: 150101-00044, . ARM,ROCKER;EXHAUST
23 Артикул: 120705-00832, SCREW;ROCKER ARM
24 Артикул: 091110-5100, NUT;REAMER BOLT
25 Артикул: 110406-02197, BRACKET
26 Артикул: 120112-00963, . BOLT
27 Артикул: 120112-00964, . BOLT
28 Артикул: 120112-00965, . BOLT
29 Артикул: 120112-00966, . BOLT
30 Артикул: 130712-00947, . SHAFT,IDLE GEAR
31 Артикул: 130712-00948, . SHAFT,IDLE GEAR
32 Артикул: 130712-00949, . SHAFT,IDLE GEAR
33 Артикул: 110917-00399, . COLLAR;IDLE GEAR
34 Артикул: 110917-00400, . COLLAR;IDLE GEAR
35 Артикул: 130428-00087, . GEAR,IDLE
36 Артикул: 130428-00088, . GEAR,IDLE
37 Артикул: 130428-00089, . GEAR,IDLE
38 Артикул: 120112-00955, BOLT
39 Артикул: 110951-00819, SPACER

РАСПРЕДЕЛИТЕЛЬНЫЙ ВАЛ И КЛАПАН: Техника, которая работает на результат

РАСПРЕДЕЛИТЕЛЬНЫЙ ВАЛ И КЛАПАН на Doosan Экскаваторы DX420LC-3(T4i)

Габаритные размеры

Габаритные размеры и схема РАСПРЕДЕЛИТЕЛЬНЫЙ ВАЛ И КЛАПАН

Нажмите на схему для увеличения

Документация

Документация временно недоступна.

Похожая техника в категории: ДЕТАЛИ ДВИГАТЕЛЯ (Develon)

Спецтехника 036 TURBO CHARGER & OIL PIPE

036 TURBO CHARGER & OIL PIPE

1Артикул: 150105...
2Артикул: 400629...
3Артикул: 400629...
Подробнее >
Спецтехника БЛОК ЦИЛИНДРОВ

БЛОК ЦИЛИНДРОВ

1Артикул: 150102...
2Артикул: 150117...
3Артикул: 150117...
Подробнее >
Спецтехника ВОДОПРОВОД

ВОДОПРОВОД

1Артикул: 110406...
2Артикул: 110406...
3Артикул: 110406...
Подробнее >
Спецтехника DPD ГЛУШИТЕЛЬ

DPD ГЛУШИТЕЛЬ

1Артикул: 111002...
2Артикул: 111002...
3Артикул: 111002...
Подробнее >
Спецтехника МАСЛЯНЫЙ НАСОС И ФИЛЬТР ПРЕДВАРИТЕЛЬНОЙ ОЧИСТКИ МАСЛА

МАСЛЯНЫЙ НАСОС И ФИЛЬТР ПРЕДВАРИТЕЛЬНОЙ ОЧИСТКИ МАСЛА

1Артикул: 400915...
2Артикул: 120112...
3Артикул: S51026...
Подробнее >
Спецтехника МАСЛЯНЫЙ РАДИАТОР И МАСЛЯНЫЙ ФИЛЬТР

МАСЛЯНЫЙ РАДИАТОР И МАСЛЯНЫЙ ФИЛЬТР

1Артикул: 400202...
2Артикул: 400508...
3Артикул: 400602...
Подробнее >
Спецтехника ПОДДОН КАРТЕРА И УКАЗАТЕЛЬ УРОВНЯ

ПОДДОН КАРТЕРА И УКАЗАТЕЛЬ УРОВНЯ

1Артикул: 150119...
2Артикул: 800108...
3Артикул: 400602...
Подробнее >
Спецтехника ТОПЛИВНЫЙ ФИЛЬТР И КРОНШТЕЙН

ТОПЛИВНЫЙ ФИЛЬТР И КРОНШТЕЙН

1Артикул: 400403...
2Артикул: 400403...
3Артикул: 400508...
Подробнее >
Спецтехника УСТАНОВКА ГЕНЕРАТОРА ПЕРЕМЕННОГО ТОКА

УСТАНОВКА ГЕНЕРАТОРА ПЕРЕМЕННОГО ТОКА

1Артикул: 120112...
2-
3-
Подробнее >
Спецтехника 011 CYLINDER HEAD

011 CYLINDER HEAD

1Артикул: 150113...
2Артикул: 400603...
3Артикул: 120112...
Подробнее >
Спецтехника 027 EXHAUST MANIFOLD

027 EXHAUST MANIFOLD

1Артикул: 240102...
2Артикул: 240102...
3Артикул: 400602...
Подробнее >
Спецтехника КАРТЕР РАСПРЕДЕЛИТЕЛЬНЫХ ШЕСТЕРЕН и КАРТЕР МАХОВИКА

КАРТЕР РАСПРЕДЕЛИТЕЛЬНЫХ ШЕСТЕРЕН и КАРТЕР МАХОВИКА

1Артикул: 150114...
2Артикул: 400602...
3Артикул: 120112...
Подробнее >