+7 (701) 588 50 05 Телефон для связи
RU

WhatsApp

Позвонить

РАСПРЕДВАЛ — Продажа в Казахстане Цены от официального дилера с доставкой в Алматы, Астану и регионы

Техника доступна в:
Полный спектр услуг:
Для Вашего удобства:
Характеристики и описание
Габариты, схема
Техническая документация
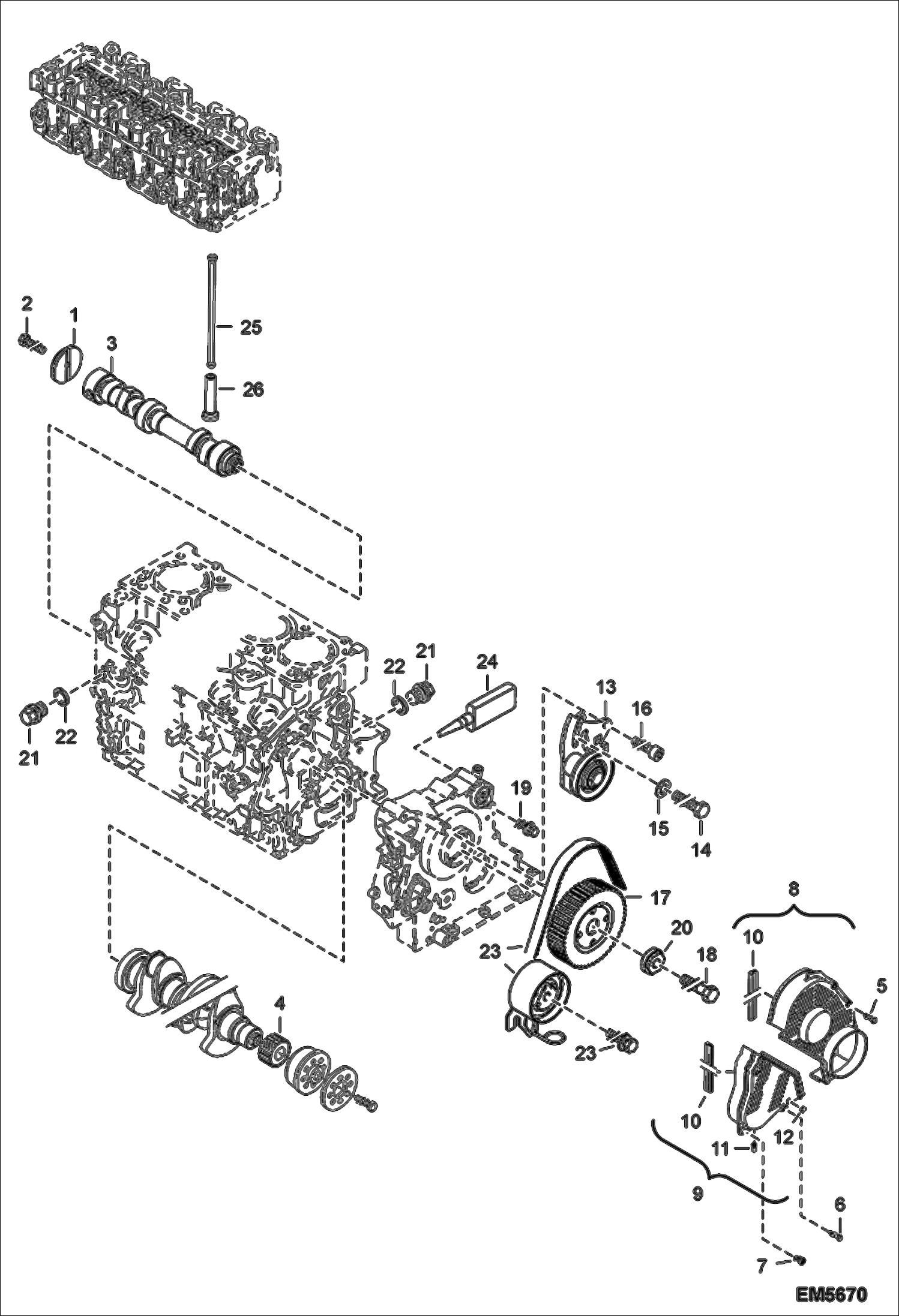
1 Артикул: 6666469, WASHER Was 7013473 - A
2 Артикул: 7013377, BOLT HEXAGON
3 Артикул: 7013559, CAMSHAFT
4 Артикул: 5411664519, SYNCHRONE BERLT PULLEY
5 Артикул: 7013341, BOLT HEXAGON
6 Артикул: 7013363, BOLT HEXAGON
7 Артикул: 6679667, SCREW Was 7013444 - A
8 Артикул: 7013526, COVER PROTECTION W/Ref. 10
9 Артикул: 6688287, COVER PROTECTION W/Ref. 10-12 - Was 7012046 - A
10 Артикул: 6688205, SEAL, 1 METER Was 7013435 - A
11 Артикул: 7013514, GROMMET RUBBER
12 Артикул: 6672899, PLUG Was 7013397 - A
13 Артикул: 5411664267, TENSIONING PULLEY
14 Артикул: 5411664268, BOLT
15 Артикул: 5411664269, WASHER
16 Артикул: 5411657795, BOLT
17 Артикул: 5411664081, SYNCHRONE BELT PULLEY See Illustration ENGINE PARTS I/ EM1943
18 Артикул: 6666711, BOLT Was 7012042 - A
19 Артикул: 5411664082, BOLT
20 Артикул: 5411664084, WASHER
21 Артикул: 7015311, PLUG SCREW
22 Артикул: 6666393, SEAL RING Was 7013351 - A
23 Артикул: 5411657858, REPAIR KIT See Illustration ENGINE PARTS I/ EM1943
24 Артикул: 5411664001, PACKING COMPOUND
25 Артикул: 7013530, ROD PUSH
26 Артикул: 6666504, TAPPET Was 7013484 - A

РАСПРЕДВАЛ: Техника, которая работает на результат

РАСПРЕДВАЛ на мини-экскаватор Bobcat 442 ADBR11001 И ВЫШЕ, ADBS11001 И ВЫШЕ

Габаритные размеры

Габаритные размеры и схема РАСПРЕДВАЛ

Нажмите на схему для увеличения

Документация

Документация временно недоступна.

Похожая техника в категории: ЗАПЧАСТИ ДВИГАТЕЛЯ (Bobcat)

Спецтехника КОМБИНИРОВАННОЕ УСТРОЙСТВО ОХЛАЖДЕНИЯ МАСЛА (СЕРИЙНЫЙ НОМЕР ADBR11169 И ВЫШЕ, ADBS11169 И ВЫШЕ)

КОМБИНИРОВАННОЕ УСТРОЙСТВО ОХЛАЖДЕНИЯ МАСЛА (СЕРИЙНЫЙ НОМЕР ADBR11169 И ВЫШЕ, ADBS11169 И ВЫШЕ)

1Артикул: 501067...
2Артикул: 028301...
3Артикул: 100770...
Подробнее >
Спецтехника ПОДДОН КАРТЕРА И КАРТЕР МАХОВИКА

ПОДДОН КАРТЕРА И КАРТЕР МАХОВИКА

1Артикул: 541165...
2Артикул: 666639...
3Артикул: 667288...
Подробнее >
Спецтехника ДВИГАТЕЛЬ И КОМПЛЕКТ ПРОКЛАДОК

ДВИГАТЕЛЬ И КОМПЛЕКТ ПРОКЛАДОК

1Артикул: 541166...
2-
3-
Подробнее >
Спецтехника РУЛЕВОЕ УПРАВЛЕНИЕ

РУЛЕВОЕ УПРАВЛЕНИЕ

1Артикул: 623401...
2Артикул: 179870...
3Артикул: 121225...
Подробнее >
Спецтехника ДИЗЕЛЬНОЕ УПРАВЛЕНИЕ ОБОГРЕВАТЕЛЕМ (МОНТАЖНЫЙ КОМПЛЕКТ)

ДИЗЕЛЬНОЕ УПРАВЛЕНИЕ ОБОГРЕВАТЕЛЕМ (МОНТАЖНЫЙ КОМПЛЕКТ)

1Артикул: 520666...
2Артикул: 520666...
3Артикул: 520665...
Подробнее >
Спецтехника ОБОГРЕВ

ОБОГРЕВ

1Артикул: 516901...
2Артикул: 516910...
3Артикул: 516901...
Подробнее >
Спецтехника ДВИГАТЕЛЬ В СБОРЕ (СЕРИЙНЫЙ НОМЕР ADBR11169 И ВЫШЕ, ADBS11169 И ВЫШЕ)

ДВИГАТЕЛЬ В СБОРЕ (СЕРИЙНЫЙ НОМЕР ADBR11169 И ВЫШЕ, ADBS11169 И ВЫШЕ)

1Артикул: 541166...
2Артикул: 104570...
3Артикул: 134370...
Подробнее >
Спецтехника ДВИГАТЕЛЬ И КРЕПЕЖНЫЕ ДЕТАЛИ (V-РЕМЕНЬ)

ДВИГАТЕЛЬ И КРЕПЕЖНЫЕ ДЕТАЛИ (V-РЕМЕНЬ)

1Артикул: 701532...
2Артикул: 701532...
3-
Подробнее >
Спецтехника ВЕНТИЛЯТОР

ВЕНТИЛЯТОР

1Артикул: 701349...
2Артикул: 701349...
3Артикул: 701333...
Подробнее >
Спецтехника ДЕТАЛИ ДВИГАТЕЛЯ II (СЕРИЙНЫЙ НОМЕР ADBR11001 - 11168, ADBS11001 - 11168)

ДЕТАЛИ ДВИГАТЕЛЯ II (СЕРИЙНЫЙ НОМЕР ADBR11001 - 11168, ADBS11001 - 11168)

1Артикул: 541166...
2Артикул: 541165...
3Артикул: 541166...
Подробнее >
Спецтехника НАСОС ДЛЯ ДОЗАПРАВКИ

НАСОС ДЛЯ ДОЗАПРАВКИ

1Артикул: 553100...
2Артикул: 619025...
3Артикул: 100870...
Подробнее >
Спецтехника НАСОС ДЛЯ ВПРЫСКА ТОПЛИВА

НАСОС ДЛЯ ВПРЫСКА ТОПЛИВА

1Артикул: 701353...
2Артикул: 701234...
3Артикул: 701343...
Подробнее >