+7 (701) 588 50 05 Телефон для связи
RU

WhatsApp

Позвонить

РЕДУКТОР — Продажа в Казахстане Цены от официального дилера с доставкой в Алматы, Астану и регионы

Техника доступна в:
Полный спектр услуг:
Для Вашего удобства:
Характеристики и описание
Габариты, схема
Техническая документация
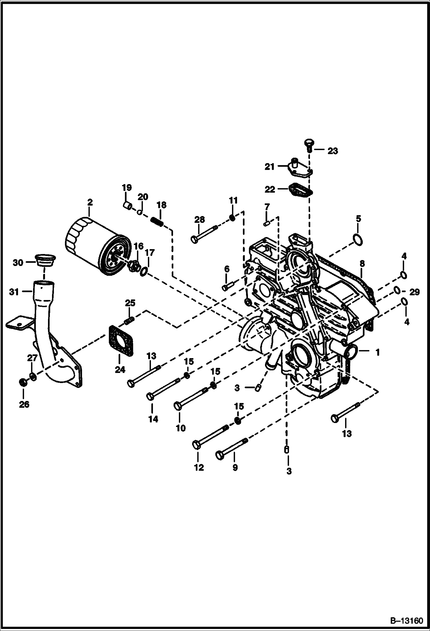
1 Артикул: CASE, CASE ASSY. NLA - W/Ref. 3-7 & 29 - Order 6688640 & Ref. 4-7 & 29 - Was 6674164 - A
2 Артикул: 6688640, HOUSING GEAR W/Ref. 3
3 Артикул: 6675517, FILTER, OIL ENG 12 oil filter - 12 Pack - Was 3974896 - A
4 Артикул: 6667425, PLUG pin - Was 6652591 - A
5 Артикул: 3966515, O RING
6 Артикул: 3966530, O RING
7 Артикул: 6652592, PIN start spring
8 Артикул: 3974395, PIN straight
9 Артикул: 6653806, GASKET gearcase - Was 6655481 - A
10 Артикул: 3974888, BOLT
11 Артикул: 1CM870, BOLT
12 Артикул: 1EM80, WASHER Was 2EM8 - A
13 Артикул: 1CM880, BOLT
14 Артикул: 6653808, BOLT Was 6653809 - B,D
15 Артикул: 1CM895, BOLT
16 Артикул: 6EM80, WASHER, SPRING
17 Артикул: 6653809, CONNECTOR Was 3974891B - A
18 Артикул: 15EM180, WASHER
19 Артикул: 6652652, SPRING
20 Артикул: 3974893, SEAT valve
21 Артикул: 10J13, BALL
22 Артикул: 3974894, FLANGE water return
23 Артикул: 3974895, GASKET water return flange
24 Артикул: 1CM620, BOLT Was 4CM620 - A
25 Артикул: 6714543, GASKET Was 3974461B - A
26 Артикул: 6652764, STUD
27 Артикул: 1DM6, NUT
28 Артикул: 6EM60, WASHER, SPRING spring
29 Артикул: 6653807, BOLT
30 Артикул: 6655162, O-RING
31 Артикул: 6703736, CAP
32 Артикул: 6719048, MOUNT Was 6703738 - A

РЕДУКТОР: Техника, которая работает на результат

РЕДУКТОР на Bobcat 700s Bobcat 7753 509611001 - 509615999, 509630001 - 509634999

Габаритные размеры

Габаритные размеры и схема РЕДУКТОР

Нажмите на схему для увеличения

Документация

Документация временно недоступна.

Похожая техника в категории: ЗАПЧАСТИ ДВИГАТЕЛЯ (Bobcat)

Спецтехника ДВИГАТЕЛЬ, ЕГО ЧАСТИ

ДВИГАТЕЛЬ, ЕГО ЧАСТИ

1Артикул: MOUNT,...
2Артикул: 85D8, ...
3Артикул: 670054...
Подробнее >
Спецтехника ВОДЯНОЙ ФЛАНЕЦ И ТЕРМОСТАТ

ВОДЯНОЙ ФЛАНЕЦ И ТЕРМОСТАТ

1Артикул: 665588...
2Артикул: 397498...
3Артикул: 397467...
Подробнее >
Спецтехника РЫЧАГ ОСТАНОВА ДВИГАТЕЛЯ

РЫЧАГ ОСТАНОВА ДВИГАТЕЛЯ

1Артикул: 397497...
2Артикул: 665390...
3Артикул: 2DM8, ...
Подробнее >
Спецтехника ПРИВОД ВЕНТИЛЯТОРА ОХЛАЖДЕНИЯ В СБОРЕ

ПРИВОД ВЕНТИЛЯТОРА ОХЛАЖДЕНИЯ В СБОРЕ

1Артикул: 673410...
2Артикул: 669235...
3-
Подробнее >
Спецтехника КОЛЛЕКТОР

КОЛЛЕКТОР

1Артикул: 665148...
2Артикул: GASKET...
3Артикул: 665267...
Подробнее >
Спецтехника КРЫШКА КОРОМЫСЛА КЛАПАНА

КРЫШКА КОРОМЫСЛА КЛАПАНА

1Артикул: 397492...
2Артикул: 397492...
3Артикул: 397492...
Подробнее >
Спецтехника ФОРСУНКИ

ФОРСУНКИ

1Артикул: HOLDER...
2Артикул: 665521...
3Артикул: 665521...
Подробнее >
Спецтехника ДВИГАТЕЛЬ И КРЕПЕЖНЫЕ ДЕТАЛИ (СИСТЕМА РЕМНЕЙ ПРИВОДА - С НЕПОДВИЖНЫМ НАТЯЖНЫМ КОЛЕСО)

ДВИГАТЕЛЬ И КРЕПЕЖНЫЕ ДЕТАЛИ (СИСТЕМА РЕМНЕЙ ПРИВОДА - С НЕПОДВИЖНЫМ НАТЯЖНЫМ КОЛЕСО)

1Артикул: 73G656...
2Артикул: 670448...
3Артикул: 670247...
Подробнее >
Спецтехника ТОПЛИВНЫЙ РАСПРЕДЕЛИТЕЛЬНЫЙ ВАЛ

ТОПЛИВНЫЙ РАСПРЕДЕЛИТЕЛЬНЫЙ ВАЛ

1Артикул: 665521...
2Артикул: CAMSHA...
3Артикул: 851242...
Подробнее >
Спецтехника ДВИГАТЕЛЬ И КРЕПЕЖНЫЕ ДЕТАЛИ (ВОЗДУХООЧИСТИТЕЛЬ, ГЛУШИТЕЛЬ И ОКОННАЯ РЕШЕТКА) (СЕРИЙНЫЙ НОМЕР 5096 11618 И НИЖЕ)

ДВИГАТЕЛЬ И КРЕПЕЖНЫЕ ДЕТАЛИ (ВОЗДУХООЧИСТИТЕЛЬ, ГЛУШИТЕЛЬ И ОКОННАЯ РЕШЕТКА) (СЕРИЙНЫЙ НОМЕР 5096 11618 И НИЖЕ)

1Артикул: HOOD, ...
2Артикул: 670123...
3Артикул: MOULDI...
Подробнее >
Спецтехника ПЛЕЧО КОРОМЫСЛА КЛАПАНА

ПЛЕЧО КОРОМЫСЛА КЛАПАНА

1Артикул: 665517...
2Артикул: 665517...
3Артикул: 397451...
Подробнее >
Спецтехника ВОДЯНАЯ ПОМПА

ВОДЯНАЯ ПОМПА

1Артикул: 668422...
2Артикул: BODY, ...
3Артикул: 397499...
Подробнее >