+7 (701) 588 50 05 Телефон для связи
RU

WhatsApp

Позвонить

РЕГУЛЯТОР ОБОРОТОВ (РЫЧАГ ДЛЯ ВИЛ) — Продажа в Казахстане Цены от официального дилера с доставкой в Алматы, Астану и регионы

Техника доступна в:
Полный спектр услуг:
Для Вашего удобства:
Характеристики и описание
Габариты, схема
Техническая документация
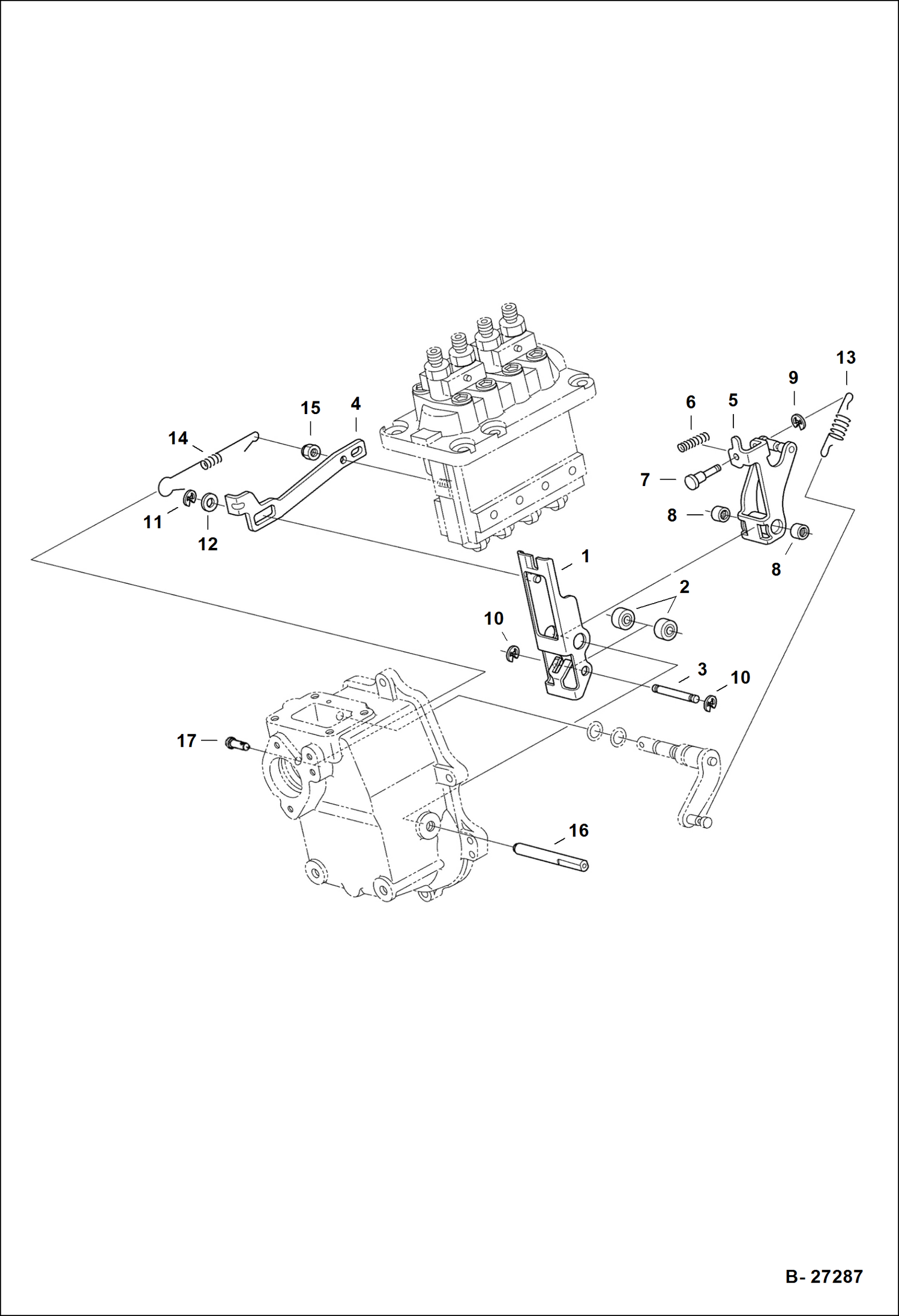
1 Артикул: 7000639, LEVER, FORK W/Ref. 2-12
2 Артикул: BEARING, BEARING NSS - Order Ref. 1
3 Артикул: SHAFT, SHAFT NSS - Order Ref. 1
4 Артикул: BRACKET, BRACKET NSS - Order Ref. 1
5 Артикул: LEVER, LEVER NSS - Order Ref. 1
6 Артикул: SPRING, SPRING NSS - Order Ref. 1
7 Артикул: PIN, PIN NSS - Order Ref. 1
8 Артикул: BUSHING, BUSHING NSS - Order Ref. 1
9 Артикул: 6680823, SNAP RING
10 Артикул: 6680822, SNAP RING Was 7000596 - B,D
11 Артикул: 6680821, SNAP RING
12 Артикул: 6680820, WASHER
13 Артикул: 7000732, SPRING, GOVERNOR
14 Артикул: 7000733, SPRING, START
15 Артикул: 6685952, NUT
16 Артикул: 7000624, SHAFT, FORK LEVER
17 Артикул: 7020987, SHAFT, FORK LEVER
18 Артикул: 6652592, PIN

РЕГУЛЯТОР ОБОРОТОВ (РЫЧАГ ДЛЯ ВИЛ): Техника, которая работает на результат

РЕГУЛЯТОР ОБОРОТОВ (РЫЧАГ ДЛЯ ВИЛ) на мини-погрузчик Bobcat S205 A3LJ11001 И ВЫШЕ, A3LK11001 И ВЫШЕ, AMVU11001 И ВЫШЕ, ANLP11001 И ВЫШЕ

Габаритные размеры

Габаритные размеры и схема РЕГУЛЯТОР ОБОРОТОВ (РЫЧАГ ДЛЯ ВИЛ)

Нажмите на схему для увеличения

Документация

Документация временно недоступна.

Похожая техника в категории: ЗАПЧАСТИ ДВИГАТЕЛЯ (Bobcat)

Спецтехника ВОЗДУШНЫЙ ФИЛЬТР

ВОЗДУШНЫЙ ФИЛЬТР

1Артикул: 713321...
2Артикул: TANK, ...
3Артикул: 669805...
Подробнее >
Спецтехника СИСТЕМА ОХЛАЖДЕНИЯ

СИСТЕМА ОХЛАЖДЕНИЯ

1Артикул: 715235...
2Артикул: 715354...
3Артикул: 672643...
Подробнее >
Спецтехника КАРТЕР ДВИГАТЕЛЯ

КАРТЕР ДВИГАТЕЛЯ

1Артикул: 700075...
2Артикул: BLOCK,...
3Артикул: 700065...
Подробнее >
Спецтехника ВПРЫСКИВАЮЩИЕ СОПЛА

ВПРЫСКИВАЮЩИЕ СОПЛА

1Артикул: HOLDER...
2Артикул: 668077...
3Артикул: 700061...
Подробнее >
Спецтехника РАСПРЕДВАЛ

РАСПРЕДВАЛ

1Артикул: 700075...
2Артикул: CAMSHA...
3Артикул: 397454...
Подробнее >
Спецтехника ГОЛОВКА БЛОКА ЦИЛИНДРОВ

ГОЛОВКА БЛОКА ЦИЛИНДРОВ

1Артикул: HEAD,,...
2Артикул: 731383...
3Артикул: 397403...
Подробнее >
Спецтехника КОМПЛЕКТ ПРОКЛАДОК ВЕРХНЕЙ ЧАСТИ

КОМПЛЕКТ ПРОКЛАДОК ВЕРХНЕЙ ЧАСТИ

1Артикул: 700058...
2Артикул: 667051...
3Артикул: 397497...
Подробнее >
Спецтехника КЛАПАН СИСТЕМЫ РЕЦИРКУЛЯЦИИ ВЫХЛОПНЫХ ГАЗОВ

КЛАПАН СИСТЕМЫ РЕЦИРКУЛЯЦИИ ВЫХЛОПНЫХ ГАЗОВ

1Артикул: 700077...
2Артикул: 669858...
3Артикул: 700063...
Подробнее >
Спецтехника НАСОС ВПРЫСКА (РЕГУЛИРОВАЧНЫЕ БОЛТЫ)

НАСОС ВПРЫСКА (РЕГУЛИРОВАЧНЫЕ БОЛТЫ)

1Артикул: 700073...
2Артикул: 701205...
3Артикул: SPRING...
Подробнее >
Спецтехника КЛАПАН И ПЛЕЧО КОРОМЫСЛА

КЛАПАН И ПЛЕЧО КОРОМЫСЛА

1Артикул: 700066...
2Артикул: 700066...
3Артикул: 667051...
Подробнее >
Спецтехника КОМПЛЕКТ НИЖНИХ ПРОКЛАДОК

КОМПЛЕКТ НИЖНИХ ПРОКЛАДОК

1Артикул: 700058...
2Артикул: 700074...
3Артикул: 667034...
Подробнее >
Спецтехника КАМЕРА ОХЛАЖДЕНИЯ СИСТЕМЫ РЕЦИРКУЛЯЦИИ ВЫХЛОПНЫХ ГАЗОВ

КАМЕРА ОХЛАЖДЕНИЯ СИСТЕМЫ РЕЦИРКУЛЯЦИИ ВЫХЛОПНЫХ ГАЗОВ

1Артикул: 700073...
2Артикул: 668080...
3Артикул: 700880...
Подробнее >