+7 (701) 588 50 05 Телефон для связи
RU

WhatsApp

Позвонить

РЕГУЛИРУЮЩИЙ КЛАПАН СИСТЕМЫ БЛОКИРОВКИ УПРАВЛЕНИЯ (BICS) — Продажа в Казахстане Цены от официального дилера с доставкой в Алматы, Астану и регионы

Техника доступна в:
Полный спектр услуг:
Для Вашего удобства:
Характеристики и описание
Габариты, схема
Техническая документация
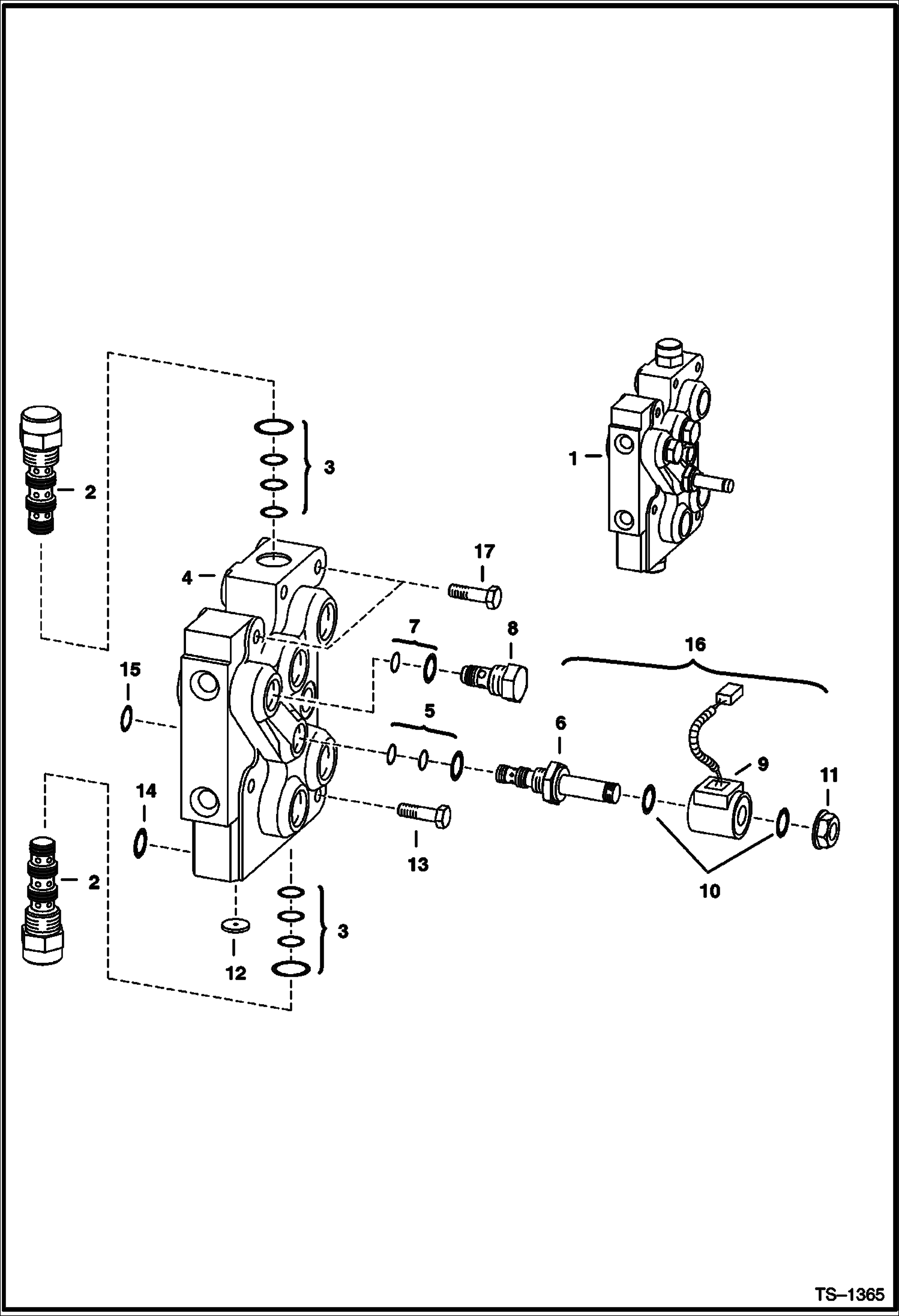
1 Артикул: VALVE,, VALVE, BICS NLA - D series coil compatible - Ref. 2-5, 6 (6667687 stem), 7 & 8 - Order 7297071 BICS valve & Ref. 9 (7272732 coil) - Was 6628571 - A
2 Артикул: 7297071, VALVE, BICS E series coil compatible - Ref. 2-5, 6 (7272731 stem), 7 & 8
3 Артикул: 6689739, VALVE pilot operated - Was 6668765 - A
4 Артикул: 6690431, KIT, SEAL Was 6669734 - A
5 Артикул: BODY, BODY NSS
6 Артикул: 6669732, KIT, SEAL
7 Артикул: 6667687, VALVE, STEM SOLENOID D series coil compatible
8 Артикул: 7272731, VALVE, SOLENOID E series coil compatible
9 Артикул: 6669733, SEAL KIT
10 Артикул: 6669057, CHECK VALVE filter
11 Артикул: COIL, COIL NLA - pwm - Ref. 10 & 11 - Was 6667688 - A
12 Артикул: 6671025, COIL D series - one red & one black wire
13 Артикул: 7272732, ASSY, COIL SOLENOID E series
14 Артикул: 54K20028, O RING 10 pwm
15 Артикул: 6668820, NUT D series coil compatible
16 Артикул: 7020647, NUT E series coil compatible
17 Артикул: 6668791, ORIFICE
18 Артикул: 43C532, BOLT Use 6 bolts to mount down valve body
19 Артикул: 43C532, BOLT Use W/Ref. 17
20 Артикул: 55K212, O RING 10
21 Артикул: 55K204, O RING 10
22 Артикул: 6672471, VALVE, SOLENOID Ref. 5, 6 (6667687 stem), 9 (6671025 coil), 10 & 11 (6668820 nut)
23 Артикул: 7304852, VALVE, CARTRIDGE Ref. 5, 6 (7272731 stem), 9 (7272732 coil), 10 & 11 (7020647 nut)
24 Артикул: 43C524, BOLT Use W/Ref. 13

РЕГУЛИРУЮЩИЙ КЛАПАН СИСТЕМЫ БЛОКИРОВКИ УПРАВЛЕНИЯ (BICS): Техника, которая работает на результат

РЕГУЛИРУЮЩИЙ КЛАПАН СИСТЕМЫ БЛОКИРОВКИ УПРАВЛЕНИЯ (BICS) на мини-погрузчик Bobcat T190 519311001 И ВЫШЕ, 519411001 И ВЫШЕ, 527011001 И ВЫШЕ, 527911001 И ВЫШЕ

Габаритные размеры

Габаритные размеры и схема РЕГУЛИРУЮЩИЙ КЛАПАН СИСТЕМЫ БЛОКИРОВКИ УПРАВЛЕНИЯ (BICS)

Нажмите на схему для увеличения

Документация

Документация временно недоступна.

Похожая техника в категории: ГИДРАВЛИЧЕСКАЯ СИСТЕМА (Bobcat)

Спецтехника РУКОВОДСТВО ПО ОТКЛЮЧЕНИЮ ПОДЪЕМНОГО УСТРОЙСТВА

РУКОВОДСТВО ПО ОТКЛЮЧЕНИЮ ПОДЪЕМНОГО УСТРОЙСТВА

1Артикул: ADAPTE...
2Артикул: 97K6, ...
3Артикул: 15KB06...
Подробнее >
Спецтехника ЦИЛИНДР ПОДЪЕМА

ЦИЛИНДР ПОДЪЕМА

1Артикул: 711766...
2Артикул: 711766...
3Артикул: 667893...
Подробнее >
Спецтехника ГИДРАВЛИЧЕСКИЙ РЕГУЛИРУЮЩИЙ КЛАПАН (РЕЗЕРВНЫЙ КЛАПАН) (5193 11001-12999, 5194 11001-11999)

ГИДРАВЛИЧЕСКИЙ РЕГУЛИРУЮЩИЙ КЛАПАН (РЕЗЕРВНЫЙ КЛАПАН) (5193 11001-12999, 5194 11001-11999)

1Артикул: VALVE,...
2Артикул: 29G444...
3Артикул: 658956...
Подробнее >
Спецтехника ГИДРАВЛИЧЕСКИЙ РЕГУЛИРУЮЩИЙ КЛАПАН (РЕЗЕРВНЫЙ КЛАПАН)

ГИДРАВЛИЧЕСКИЙ РЕГУЛИРУЮЩИЙ КЛАПАН (РЕЗЕРВНЫЙ КЛАПАН)

1Артикул: 722285...
2Артикул: VALVE,...
3Артикул: 658956...
Подробнее >
Спецтехника ОРГАНЫ УПРАВЛЕНИЯ

ОРГАНЫ УПРАВЛЕНИЯ

1Артикул: 656465...
2Артикул: 657630...
3Артикул: 95D6, ...
Подробнее >
Спецтехника ЦИЛИНДР НАКЛОНА

ЦИЛИНДР НАКЛОНА

1Артикул: CYLIND...
2Артикул: CASE, ...
3Артикул: 680631...
Подробнее >
Спецтехника РУКОВОДСТВО ПО ЭКСПЛУАТАЦИИ КЛАПАНА УСТРОЙСТВА ДЛЯ ОТПУСКАНИЯ

РУКОВОДСТВО ПО ЭКСПЛУАТАЦИИ КЛАПАНА УСТРОЙСТВА ДЛЯ ОТПУСКАНИЯ

1Артикул: 723049...
2Артикул: BLOCK,...
3Артикул: 666908...
Подробнее >
Спецтехника КЛАПАН ВЫПУСКА ДАВЛЕНИЯ (ПЕРЕДНИЕ ВСПОМОГАТЕЛЬНЫЕ УСТРОЙСТВА)

КЛАПАН ВЫПУСКА ДАВЛЕНИЯ (ПЕРЕДНИЕ ВСПОМОГАТЕЛЬНЫЕ УСТРОЙСТВА)

1Артикул: VALVE,...
2Артикул: 667815...
3Артикул: BLOCK,...
Подробнее >
Спецтехника ГИДРАВЛИЧЕСКИЙ РЕГУЛИРУЮЩИЙ КЛАПАН (СИСТЕМА УСОВЕРШЕНСТВОВАННОГО КОНТРОЛЯ) (РЕЗЕРВНЫЙ КЛАПАН)

ГИДРАВЛИЧЕСКИЙ РЕГУЛИРУЮЩИЙ КЛАПАН (СИСТЕМА УСОВЕРШЕНСТВОВАННОГО КОНТРОЛЯ) (РЕЗЕРВНЫЙ КЛАПАН)

1Артикул: 722272...
2Артикул: VALVE,...
3Артикул: 658956...
Подробнее >
Спецтехника ГИДРАВЛИЧЕСКИЙ РЕГУЛИРУЮЩИЙ КЛАПАН

ГИДРАВЛИЧЕСКИЙ РЕГУЛИРУЮЩИЙ КЛАПАН

1Артикул: VALVE,...
2Артикул: BODY, ...
3Артикул: 29G416...
Подробнее >